教学目标1、经历提出问题,收集和处理数据,运用符号和图形描述现实世界,作出决策的过程,获得探索变量之间关系的体验,进一步发展符号感...
关于三小车整治工作的情况总结根据市委市政府《治理本市号牌三小车总体工作方案》的部署,从7月10日开始,全市司法行政系统充分发挥职能作...
公司小车中队年度工作总结一、各项指标指标完成情况:1、党风廉政建设达标;2、综合治理工作达标;3、计划生育工作达标;4、宣传及思想政治...
高速公路小车收费标准时间:2018-02-12分享【导读】为确保完成全国高速公路电子不停车收费联网目标,为加快实现全国ETC联网,全面提升高速公...
巫京学院课程报告课程名称:嵌入式系统与应用项目名称:自动循迹小车院系:理学院专业:自动化1401学号:XXXXXXXXXXXXXXXXXXXXX姓名:XXXXX...
设计背景」在科学探索和紧急抢险中经常会遇到对与一些危险或人类不能直接到达的地域的探测,这些就需要用机器人来完成。而在机器人在复杂地...
小车定位系统的PLC控制I目录1、绪论.....................................................................11.1小车定位系统的意义.........
小车驾驶员理论考试题库一、填空题1、前照灯检测仪按照测量距离和检测方法可分为屏幕式、聚光式、投影式、自动追踪光轴式等几种。2、汽车悬...
太阳能小车说明书(一)设计意图当今环境污染越来越严重,汽车排放的尾气是环境污染的一大因素,此外过度的汽车导致汽油消耗的越来越多,地球...
此资料由网络收集而来,如有侵权请告知上传者立即删除。资料共分享,我们负责传递知识。学习小车驾照的心得体会路考这天,天气格外的好,万...
物理电气信息学院宁夏大学本科毕业论文1毕业设计(2016届)题目基于单片机的智能跟踪小车的设计以及实现学院物理电气信息学院专业电气工程...
基于PLC的物料小车设计目录摘要⋯⋯⋯⋯⋯⋯⋯⋯⋯⋯⋯⋯⋯⋯⋯⋯⋯⋯⋯⋯⋯..(1)第一章绪论1.1课题的背景意义⋯⋯⋯⋯⋯⋯⋯⋯⋯⋯⋯⋯...
第1页共2页2024年公司小车班班长个人工作总结尊敬的领导、各位同事:大家好!我是2024年公司小车班的班长,非常荣幸能够向大家汇报我的个人...
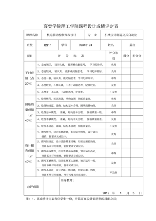
襄樊学院理工学院课程设计成绩评定表课程名称机电传动控制课程设计专业机械设计制造及其自动化班级0911学号09316124姓名姜征项目评分标准评...
双轮自平衡小车科研训练总结报告项目名称:学生姓名:学院:指导教师:****学自动化学院*********8系2014年12月27日电子信息科学与技术专业...
江苏建华管桩有限公司双梁桥式起重机小车改造施工方案河南德马科起重机械有限公司二〇一〇年三月-2-目录一、编制依据........................
小车运动快慢与哪些因素有关?假设与载重有关,需要哪些实验材呢?需要改变的量是什么?保持不变的量是什么?怎么准确测量小车的快慢?1.选...
2.1实验:探究小车速度随时间变化的规律班级________姓名________学号_____学习目标:1.了解打点计时器的构造、原理和使用方法。2.学会使用...
基于运料小车自动往返顺序控制系统6.22.20151.运料小车的发展概况工厂运输现大多采用地面运输,地面运输主要采用叉车及手推运料小车,叉车...
人民教育出版社人民教育出版社((必修一必修一))第二章普通高中课程标准实验教科书第一节实验:探究小车速度随时间变化的规律教材图2.1-1教...

