下载后可任意编辑电气安装施工方案一、编制依据1. 《电气装置安装工程电力变压器、油浸电抗器、互感器施工及验收法律规范》GBJ148-901. ...
液体动静压电主轴关键技术综述.aspx
压电陶瓷性能的老化与改善途径 1 压电陶瓷性能老化的定义、规律及重要性 极化处理后的压电陶瓷性能随存放时间的延长而变化的现象,称为...
压电陶瓷的极化压电陶瓷必须通过极化之后才含有压电性能。所谓极化(Poling),就是在压电陶瓷上加一强直流电场,使陶瓷中的电畴沿电场方向...
编 号 适用范围: 所有车型 安徽江淮汽车股份有限公司 Q/JQ 4002.5-2010 代 替 号 制定部门: 电气电子部企业技术标准 Q/JQ 4...
QC/T 29106-2004 (2004-02-10 发布,2004-08-01 实施)代替QC/T 29106-1992 前 言 本标准是QC/T 29106-1992《汽车用低压电线束技...
压电陶瓷报告 1 . 基本概念 压电陶瓷由一颗颗小晶粒无规则“镶嵌”而成,如图1 所示。 图1 BSPT 压电陶瓷样品断面SEM照片 每个小...
更多企业学院: 《中小企业管理全能版》183 套讲座+89700 份资料《总经理、高层管理》49 套讲座+16388 份资料《中层管理学院》46 ...
周边简支空心压电圆板表面均载弯曲第 32 卷第 5 期浙江大学 (自然科学版 ) (浙江大学土木系 ,杭,kl,l,310027) 摘要简支空心圆板的...
压电陶瓷原理 (转) 默认分类2008-04-12 20:36:46 阅读 460 评论 1 字号:大中小压电现象是100 多年前居里兄弟研究石英时发现的。...
个人资料整理仅限学习使用压电陶瓷发电技术的研究摘要:信息技术的飞速发展并没有带动电源技术的快速发展,电源的能量密度没有明显的提高[1...
超声波维修www.chaoyinbo.org wxfu 压电超声换能器的应用与发展摘要: 压电换能器是超声技术的主要部件, 其种类多 , 用途及发展前景广...
华东交通大学理工学院论文题目:压电式加速度传感器课程:传感器原理及其应用姓名 ;吕进专业 :通 信 工 程班级 : 12 通信 2 ...
压电石英称重传感器及其在动态公路车辆称重系统中的应用一、概述尽管早在 1908 年 Pierre(皮埃尔) 和 Jacguse Curie(雅克卡里) ...
合 肥 学 院Hefei University 题目:压电式传感器的应用与发展系别:电子系班级:姓名:完成时间: 2014 年 6 月 9 日1 压电式...
毕业设计 (论文 >基于压电传感器的心率计的计算机设计与仿真学院:专业:姓名:学号:指导教师:2018 年 6 月摘要脉搏波所呈现出来的...
1 / 5 第 6 章压电式传感器1、为什么压电式传感器不能用于静态测量,只能用于动态测量中?而且是频率越高越好?2、什么是压电效应?试...
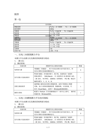
1 / 7 附件第一包一、压电三向铣削测力平台本测力平台由测力仪及测试系统两部分组成:1、 测力仪:2、测试系统:设备名称规格型号及主...
低压电气动力设备试验和试运行1、适用范围本章适用于建筑电气工程的低压电气动力设备试验和试运行。2、编制依据《建筑电气工程施工质量验收...
下载后可任意编辑净化车间低压电断电应急预案与减少贫困人口工作方案汇编净化车间低压电断电应急预案一、变换中控:1、发现各机泵跳闸后,...

