六层框架结构办公楼设计 - 1 - 1 工程概况 1 .1 概况 本工程为某政府机关办公楼,本工程为六层钢筋混凝土框架结构体系,建筑面积...
技术交底记录 (表式C2-2-1 ) 编号 工程名称 清华东路公寓、大学生公寓 施工单位 中建一局三公司 宝源项目经理部 交底提要: 主...
下载后可任意编辑前 言近年来我国的经济飞速进展,人民生活水平的迅速梯高,工作居住条件得到了巨大的改善。电梯作为建筑物内的垂直交通运...
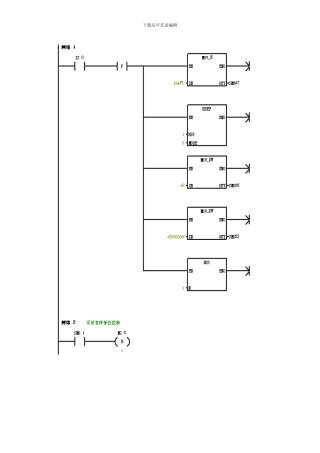
电气及自动化课程设计报告题 目: 基于 PLC 的六层电梯系统设计 课 程: PLC 原理与应用 学生姓名: 学生学号: 年 级: 14 ...
下载后可任意编辑摘 要因为城市建设的不断进展,高层建筑不断增多,所以电梯在人们的生活中的地位越来越重要。现在电梯控制系统主要有三种...
下载后可任意编辑毕 业 设 计题目: 电梯自动控制系统设计 学 生: 庞金明 学 号: 2024031202 专 业: 机械设计制造基础及自...
下载后可任意编辑下载后可任意编辑下载后可任意编辑下载后可任意编辑下载后可任意编辑下载后可任意编辑下载后可任意编辑下载后可任意编辑下...
下载后可任意编辑租房合同范本 2024甲方(房 主):___________签名/盖章(红印)乙方(承租人):___________签名/盖章 身份证号码:__...
下载后可任意编辑 目 录第一章设计指导书 ................................. 前 附 页第 二 章 结 构 设 计 过 程 … …...
下载后可任意编辑学院单体设计六层砖混施工设计方案12024 年 4 月 19 日下载后可任意编辑第 1 章 工程概况..........................
下载后可任意编辑住宅楼六层砖混结构施工组织设计12024 年 4 月 19 日下载后可任意编辑 目 录第一章 编制依据.......................
下载后可任意编辑六层砖混施工方案 作者: 来源: 发布时间:2007/06/14 第 1 章 工程概况 第 1 节 建筑概况 某学院 xx 校区...
下载后可任意编辑A3.1施工组织设计/方案报审表工程名称: 镇江市镇江市文体活动中心六层装饰工程 编号: A3.1 1 - 01 致: 镇江...
下载后可任意编辑第 一 章 编 制 依 据 及 说 明 本 工 程 施 工 组 织 设 计 , 主 要 依 据 目 前 国 家 对...
课程名称: 建筑给水排 水课程设计设计题目:六层住宅给排水设计姓名: 学号:设计日期: 下载后可任意编辑目录一、工程概况...............
下载后可任意编辑 精品文档下载 【本页是封面,下载后可以删除!】第一章 编制说明………………………………………………………31.1 编...
下载后可任意编辑目 录第一章、 编 制 说明1第二章、 工程概况2第三章、 施工部署及施工方法4第四章、主要施工机械及劳动力计划5第五...
下载后可任意编辑施 工 组 织 设 计目 录第 一 章 工 程 概况 ------------------------------------------- 4一 、 工 程...
天工网,做建筑行业最专业的门户网站14 六层砖混施工组织设计编制日期:2024 年 5 月 8 日编制单位:下载后可任意编辑目录第一卷 六...
下载后可任意编辑华裕家园 7#楼工程施工组织设计安徽省第二建筑工程公司 华 裕 家 园 7#楼 工 程1下载后可任意编辑二 0 0 四 ...

