下载后可任意编辑上海上半年一级建筑师建筑材料与构造控制和防止考试题下载后可任意编辑上海 上半年一级建筑师建筑材料与构造:控制和防止...
下载后可任意编辑上半年湖南省一级建筑师建筑材料与构造建筑材料的进展考试试卷下载后可任意编辑 上半年湖南省一级建筑师建筑材料与构造:...
下载后可任意编辑上半年江苏省一级建筑师材料与构造外墙粉饰龟裂模拟试题下载后可任意编辑 上半年江苏省一级建筑师材料与构造:外墙粉饰龟...
1 / 4 2 1 E D C B A 1 2 E D C B A D AECBD E CAB全等三角形综合一、添辅助线构造全等三角形常见的辅助线有:①题中...
G图 1FEDCBA4321G图 2FEDCBA4321添加辅助线构造全等三角形一.有角平分线时,通常在角的两边截取相等的线段,构造全等三角形。简称(边角...
. . .习题库课程名称 : 混合动力汽车原理与检修. . .第一章 电动汽车和混合动力汽车的历史及发展现状1.名词解释1、 混合动力系统2...
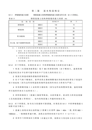
第 二 篇基 本 构 造 规 定9.1.1伸缩缝的最大间距钢筋混凝土结构伸缩缝的最大间距宜符合表9.1.1 的规定。表 9.1.1 钢 筋 混 ...
什么是水泵、水泵基本构造、基本原理 水泵的分类 按工作原理分: 1.容积式泵 靠工作部件的运动造成工作容积周期性地增大和缩小而吸排液...
人 脑 的 基 本 构 造 和 功 能 脑 是 人 体 的 “司 令 部 ”, 指 挥 着 人 体 的 活 动 。 脑 位 于 颅...
建筑构造#形考1-0001 试卷总分: 100 判断题 ( 共 15 题, 共 30 分)开始说明:结束说明:1.(2 分) 地基分为人工地基和天然地...
《汽车发动机构造与维修》教案1 项目三活动三气门传动组的构造与检修教学目标专业能力目标1、掌握气门传动组主要零件的检验方法。2、掌握...
人体构造图 身体的构造图 图解 构造分布示意图 一、内脏是指在体腔内,借管道直接或间接与外界相通的器官的总称。 二、内脏包括消化系...
人体内脏位置分布图 主要包括人体胸腹部内脏器官的分布:肝脏、胆囊、胃、肾、小肠、脾、直肠、十二指肠、胰、输尿管、膀胱、子宫等重要器...
下载后可任意编辑江苏产业与就业构造关系 产业结构与就业结构关系协调与否是衡量经济健康进展的重要标志。产业结构优化调整,带动就业结构...
下载后可任意编辑施工工艺工法,砖混结构构造柱、圈梁、板缝支模 混结构构造柱、圈梁、板缝支模范围本工艺标准主要适用于工业与民用建筑砖...
汽车电气设备构造与维修试题库一.选择试题库1.低压导线的截面积主要根据用电设备的()来选择。A.工作电压B.工作电流C.功率D.大小2.不属于...
1 / 16 汽车电气设备构造与维修试题库一. 选择试题库1. 低压导线的截面积主要根据用电设备的()来选择。A.工作电压 B.工作电流 C....
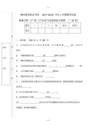
精品welcome 柳州城市职业学院2017-2018 学年上学期期考试卷鹿寨分院 17 级《汽车电气设备构造与维修》(B 卷)题号一二三四总分改卷...
海量资源,欢迎共阅电路基础练习题三、填空题2、汽车上常用的保险装置有熔断器 、易熔线 、电路断路保护器 。3、继电器的作用是 _减小...
复习题问答题1.电子点火系的信号发生器的种类有哪些?答:磁感应式、霍尔效应式、光电效应和电磁震荡式。 2.防盗系统有哪些?机械式、电...

