精品文档---下载后可任意编辑锁相环频率跟踪技术在高频逆变电源中的应用的开题报告一、讨论背景随着科技的进步,高频逆变电源已成为目前广...
精品文档---下载后可任意编辑锁相环频率综合器关键技术讨论的开题报告1. 讨论背景随着现代通信技术和微波技术的快速进展,频率稳定性和相...
精品文档---下载后可任意编辑针刺(复合)麻醉肺切除术中不同频率电针对脏器功能的影响及机制探讨的开题报告题目:针刺(复合)麻醉肺切除术中...
精品文档---下载后可任意编辑设计内容为设计一台能够输入正弦波、三角波、方波等信号的多用输入频率检测仪表。要求能对10Hz~1MHz 信号检测...
精品文档---下载后可任意编辑某站有 24 年的实测年径流量资料,见表 1,使用目估线推求年径流量平率曲线的三个参数,并会出曲线图。年份...
二○一○~二○一一学年第 一 学期信息科学与工程学院课程设计报告书课程名称: 自动控制原理课程设计班 级: 自动化 0806 学 号:...
毕业设计(论文)设计(论文)题目基于频率特性的典型系统校正设计及仿真讨论姓 名:于海参学 号:20248001363学 院:机电与信息工程学院...
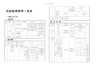
精品文档---下载后可任意编辑试验检测频率一览表一、路基土石方工程1、标准试验序号材料名称试验项目试验方法试验频率技术要求备 注土击实...
精品文档---下载后可任意编辑光纤飞秒光学频率梳电源系统的实现与改进的开题报告题目:光纤飞秒光学频率梳电源系统的实现与改进背景:随着...
精品文档---下载后可任意编辑光电经纬仪跟踪架谐振频率计算方法讨论的开题报告开题报告题目:光电经纬仪跟踪架谐振频率计算方法讨论一、讨...
精品文档---下载后可任意编辑光泵磁力仪的频率采集系统的设计与实现的开题报告一、选题背景及意义光泵磁力仪是一种常用的光学实验设备,用...
精品文档---下载后可任意编辑1. 选择单元类型:Main Menu->plotctrls->window controls->window options2.设置材料密度: main menu-...
精品文档---下载后可任意编辑信号瞬时频率的估算的开题报告一、讨论背景及意义 信号的频率是指信号中所包含的周期性波动的次数,可以对信...
精品文档---下载后可任意编辑低功耗频率源及其应用的讨论的开题报告一、讨论背景与意义随着物联网、移动通信等技术的快速进展,对于低功耗...
精品文档---下载后可任意编辑低功耗频率合成器的关键技术讨论的开题报告一、讨论背景随着移动通信和物联网技术的进展,对于低功耗频率合成...
精品文档---下载后可任意编辑低功耗低噪声宽带锁相环频率综合器设计讨论的开题报告一、选题背景及意义随着科技的进展和电子技术的广泛应用...
精品文档---下载后可任意编辑位移电流对频率域测深的影响讨论的开题报告一、选题依据随着石油工业的进展,测井技术作为石油勘探开发的重要...
精品文档---下载后可任意编辑单片机原理及应用设计说明书3 位数显频率计数器起止日期: 2024 年 12 月 24 日 至 2024 年 12 月...
精品文档---下载后可任意编辑传输线路频率响应的仿真与优化的开题报告一、讨论背景传输线路是电路中常用的元件,用来传输信号和能量。传输...
精品文档---下载后可任意编辑乙肝患儿外周血 Th17 细胞频率与临床指标的关联性的开题报告一、讨论背景和意义 乙型肝炎病毒感染是全球范...

