锅炉安装工程质 量 证 明 书(散 装)锅炉 型 号锅炉出厂编号建设 单 位施工 单 位目录一锅炉安装合格证⋯⋯⋯⋯⋯⋯⋯⋯⋯⋯⋯...
仅供参考 [整理 ] 第 1 页 共 8 页安全管理文书锅炉安装安全技术措施日期: __________________单位: __________________仅供参...
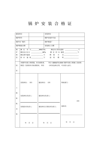
锅 炉 安 装 合 格 证建设单位安装单位锅炉型号锅炉安装许可证锅炉出厂编号锅炉制造厂锅炉制造日期安装竣工日期锅炉规范额 定出 力...
TSG0001-2012锅炉安全技术监察规程1 总则1.1 目的为了加强锅炉安全监察,防止和减少事故,保障人民群众生命和财产安全,促进经济发展,根...
— 1 —附件 2 锅炉作业人员考核大纲( 征求意见稿 ) 第一条为了规范锅炉作业人员的考核工作,根据《特种设备作业人员监督管理办法》...
精心整理锅炉安全检查表年月日序号检 查 项 目检查标准检 查 方 法(或依据)检 查 评 价符合不符合及主要问题1 现场管理1.锅炉...
锅炉安全管理和技术资料检查表使用部门设备名称设备编号规格型号序号检查项目检查要求检查结果备注1 锅 炉 出 厂 技 术资料审查出厂...
仅供参考 [整理 ] 第 1 页 共 6 页安全管理文书锅炉安全对策措施日期: __________________单位: __________________仅供参考 ...
锅炉安全事故应急预案一、制定目的为了规范和加强锅炉安全生产事故应急工作,认真贯彻执行好“安全第一、预防为主、综合治理”的安全生产方...
锅炉基础知识目录目录 ‐‐‐‐‐‐‐‐‐‐‐‐‐‐‐‐‐‐‐‐‐‐‐‐‐‐‐‐‐(1 )第一章锅炉基础知识‐‐‐‐‐‐‐‐‐‐‐‐...
锅炉委托运营及管理合同锅炉委托运营及管理合同甲方(委托方):乙方(承揽方):经甲、 乙双方共同协商,甲方将锅炉及附属设备交由乙方运...
锅炉多管除尘器改造方案报告** 站 1#、2#炉多管除尘器改造方案集团公司技术部:我厂 ** 站 1#、2#炉为多管除尘器,除尘效果很差,经过...
司炉工培训教程20130519目录第一节 . 锅炉的结构和特点第二节 . 锅炉的安全使用常识和管理制度第三节 . 锅炉水质管理第四节 . 锅炉...
第一讲一、介绍锅炉本体设备和附件1、什么是锅炉“锅”——省、汽包、水冷壁、过热器、再热器等汽水系统;“炉”——炉膛、烟道、燃烧器、...
仅供参考 [整理 ] 第 1 页 共 10 页安全管理文书锅炉四管防磨防爆管理专项措施日期: __________________单位: _______________...
神华四川天明电厂2×100 万千瓦新建工程主体施工 A 标段 >>锅炉埋地管道安装作业指导书1 / 19 1 工程概况1.1 工程概况本工程厂址...
附件 2:附表 1 锅炉地震灾害受损状况调查表所属市:(检验机构名称)序号所在区/县使用单位注册代码(或出厂编号)工作状态(是否已投...
时间就是金钱,效率就是生命!唯有惜时才能成功,唯有努力方可成就!锅炉和钢制压力容器对接焊缝超声波探伤 JB1152-81本标准使用A 型脉冲...
- 1 - 特种设备安装改造维修告知书填写说明1 适用范围: 特种设备安装改造维修告知书分为两种形式。本表(TSZS002-2003)适用下列情况...
1 XA双琦- 案-G004-2013 哈尔滨市双琦环保资源利用有限公司生活垃圾发电改扩建项目安装工程锅炉焊接工程施工方案编制:审核:批准:2013...

