下载后可任意编辑电 梯 校 验 和 调 试 报 告填表说明1.检查项目中正常用“√”不正常用“×”,不适用用“-”表示2.检验项目请填...
下载后可任意编辑电梯的安全监察、标准与安全检验 摘 要 : 科 学 地 、 合 理 地 制 定 电 梯 安 全 检 验 规 程 ,...
Q/DLTJ.JL.09-01.00合 同 编 号 :委 托 检 验 合 同项 目 名 称 : 委 托 方 ( 甲 方 ) : 受 托 方 ( 乙 ...
下载后可任意编辑理化检验委托合同甲方:委托方乙方:有资质的理化检验机构为了保证甲方在特种设备焊接培训考试过程中试件的焊接质量按相关...
第一联 交样品室验收样品后存档下载后可任意编辑珠海市建设工程质量监督检测站玻 璃 可 见 光 透 射 比 检 验 委 托 协 议 ...
下载后可任意编辑 特种设备检验检测人员执业证明姓名:身份证号:__________________________根据《特种设备检验人员考核规则》、《特种设...
下载后可任意编辑产品采购合同 合同编号: 甲方:乙方: 甲乙双方根据《中华人民共和国合同法》之规定,就甲方向乙方购买,乙方向甲方出...
GB50300-2013 检验批质量验收记录表格填写依据及说明检验批施工完成,施工单位自检合格后,应由项目专业质量检查员填报《检验批质量验收记...
标志、标识、标贴、铭牌检验指导书产品名称标志、标识、标贴、铭牌受控章产品型号通用编号版本 A 一、检验项目及抽样方案:项目抽样方案...
目录第一章总论1、项目名称2、项目单位3、项目编制依据第二章项目单位基本情况1、项目单位性质及运营管理情况第三章项目建设基本情况1、项...
**** 公 司 新 建 食 品 安 全检 验 检 测 系 统 项 目资金申请报告**** 市********联合加工有限责任公司目录第一章总论1...
****公 司 新 建 食 品 安 全检 验 检 测 系 统 项 目资金申请报告**** 市********联合加工有限责任公司目录第一章总论1、...
浙建监 B7 模板安装报审、报验表工程名称:瑞安市莘塍镇周田村返回地工程编号:致慈溪市建设工程监理咨询有限公司(项目监理机构) :我...
料 石 面 层 工 程 检 验 批 质 量 验 收 记 录 表GB50209 — 2002 030110□□单位(子单位)工程名称分部(子分部)工...
编制: 审核: 同意:板材检查作业指导书编 号页 次1、目的 对影响产品质量的各个过程的因素进行控制,确保钢板的品质满足客户的规定...
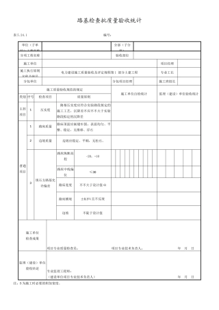
路基检查批质量验收统计表 5.24.1 编号:单位(子单位)工程名称分部(子分部)分项工程名称验收部位施工单位项目经理施工执行原则名称及...
检 验 报 告 报告编号: 产品名称: 送检单位: 检查类别: 国家玻璃质量监督检查中心国家玻璃质量 报告编号:检 验 报 告监督...
土方路基(填方)检查批质量检查统计表表 A.0.1 编号:010002□□工程名称分部工程名称分项工程名称填方路基施工单位施工员项目经理分包...
路面料石面层检查批质量检查统计 表 A.0.1 编号-040002□□注:1、(B 为施工时必要的附加宽度)本表由施工项目专业质量检查员填写,监理...
G2-2-2石方路基(填方)检查批质量检查统计表CJJ 1-工程名称阳新县城东新区“二横三纵”纬六路中段(第二标段)道路工程施工单位武汉雅阁市政...

