景观植物配置设计的主要内容㈡设计说明本册设计图为XXX景观工程设计中的植物设计部分。1、设计依据⑴建设单位提供的地形图以及相关的测量数...
施工项目部岗位配置表投标单位名称(盖章):工程信息工程名称:标段名称:标段规模:48000 平方米项目部岗位配置岗位名称姓名身份证号证书...
建筑灭火器配置设计法律规范建筑灭火器配置设计法律规范GBJ 140—90 ( 1997 年版)主编部门:中华人民共和国公安部 批准部门:中华人民...
施工现场消防相关要求一、总平面布局施工现场出入口的设置应满足消防车通行的要求,并宜布置在不同方向,其数量不宜少于 2 个。当确有困...
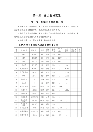
第一章、施工机械配置第一节、机械设备需用量计划根据本工程的实际状况,机工具原则上以我公司现有装备为主,以购买市场最先进机工具为辅的...
施工机械设备设备配置计划设备配置计划是我们将针对工程施工所投入所有机械设备、仪器进行策划,主要由机械设备投入和检验、试验及仪器投入...
第六章 主要施工机具及劳动力配置计划6。1 主要设备配备计划机械设备、试验设备和检测设备是施工项目资源中最重要的一个组成部分,也是“...
第六章主要施工机具及劳动力配置计划6。1 主要设备配备计划机械设备、试验设备和检测设备是施工项目资源中最重要的一个组成部分,也是“人...
施工主要机械设备配置1。1 主要设备配备原则我公司在本工程的施工中,配备机具设备时,将遵循以下原则:1、贯彻机械化、半机械化和改良机具...
新员工办公设备、办公用品配置标准及使用管理规定一、 目的:为了使新员工尽快拥有好的办公环境,尽快投入到工作中.二、 范围:本规定适用...
(1)把 Syn 文件解压后复制到 d 盘根目录下;(2)配置数据库连接:配置与珠江路的总数据库连接:在 datalink 文件夹下,打开 LinkTo...
中华人民共和国广播电影电视行业技术要求有线数字电视频道配置指导性意见1范围本指导性意见规定了在有线电视分配网实现整体数字化过程中的...
摘 要本课题通过对宿迁市居住区的绿化实况调查,指出宿迁市在居住区绿化水平上存在的不足,对宿迁市居住区绿化进行一些植物的调查和了解,...
教你看懂汽车配置表 1:车身参数部分[汽车之家 技术] 一辆车的参数配置表就像一个人的简历,它可以较为全面、清楚地展现车辆的基本信息,...
教你如何配置安全的 SOLARIS 系统一、帐号和口令安全策略1.1 更改口令文件、影像文件、组文件的权限 /etc/passwd 必须所有用户都可读,...
江西新余年拆解处理 2000—5000 辆报废汽车设备配置及价格单二零一四年五月制1,报废汽车拆解流程2,相关设备配置及价格No名称型号价格1汽...
检测项目/类别序号检测项目/类别检测项目/参数序号检测项目/参数名称标准条款/检验细则编号仪器设备名称、型号/规格技术指标溯源方式有效截...
常用检测设备与仪器配置表序号名称型号规格性能数量产地备注1靠尺2 米展开 2 米,合拢长 1 米,可测量垂直度、坡度、水平1国产2楔形塞...
网络设备配置实训题库1 、下面那种网络互连设备和网络层关系最亲密( ) A 、中继器 B 、互换机 C 、路由器 D 、网关 答案:C2 ...
急诊科常用静脉泵入药物配置表(请根据病情调整用量)药物配制剂量用量硝酸甘油 5mg/1ml/支10mg 加 NS 48ml/ iv 泵入3ml/h=10μg/min1...

