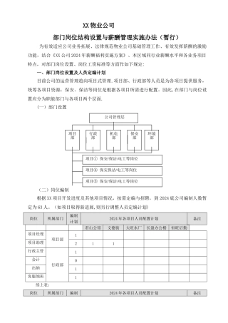
XX 物业公司部门岗位结构设置与薪酬管理实施办法(暂行)为有效适应公司业务拓展、法律规范物业公司基础管理工作、有效发挥薪酬的激励功能...
消防器材配置管理规定㈠目的:为加强我公司各施工现场消防安全工作,确保施工现场具备对初期火灾的扑救能力,控制灾害事故的发生,现根据建...
医疗废物、污水处理方案一、为了加强医疗废物的安全管理。防治疾病传播,保护人体健康,根据《中华人民共和国传染病防治法》和《中华人民共...
火灾自动报警系统是在保护对象发生火灾的情况下自动探测、显示发出火灾警报的装置。它广泛应用于现代化工厂、物资仓库、高层建筑、计算中心...
浅谈居住区的景观设计与植物配置潘静霞摘 要:本文主要阐述了目前居住区景观设计的现状和存在的较为明显的问题,并以江苏省句容市“都市晴...
浅谈苏锡常地区的广场的植物配置(以城际铁路无锡新区站前广场为例)论论文文 课题方向: 绿化植物配置 日 期: 2011-6-1 目 录1 ...
新建住宅小区电动汽车充电桩配置陈盼安科瑞电气股份有限公司上海 嘉定 2024010 引言电动汽车作为一种新能源交通工具,具有几乎无污染、...
沙园小学微机室设备配置登记及维修记录表赣榆县沙河子园艺场小学微机室电教设备配置登记及维修记录表科室联想机房编号老师机型号启天 M690...
水质检测实验室常用仪器配置清单水质检测实验室 42 种仪器设备不可少!一、消毒剂指标 指标仪器余氯紫外分光光度计一氯胺(总胺)紫外分...
一、单选题1.有一计算机,配置如下:CPU:飞跃Ⅲ 500MHz;内存:32M;硬盘:4GB,有1GB 的未使用空间,请问,这台计算机上可以安装 Wind...
温州绕城高速西南线第 2 标段模板配置方案一、墩身模板配置方案1、概况本标段共有桥梁 1787m/2 座,其中大桥 1 座具体实施桩号(乌岩...
13。标准访问列表的实现一.实训目的1.理解标准访问控制列表的概念和工作原理。2.掌握标准访问控制列表的配置方法。3.掌握对路由器的管理位...
实训 5 使用 SyGate 配置代理服务器 目的:理解代理服务器的工作原理与功能,掌握创立和配置代理服务器的措施与环节。 内容:安装 S...
XXXXXXXXX 学校课程设计(实训)报告课程网络服务器配置与管理题目 服务器配置与管理实训专业 XXXXXXXXX 指导老师 XXXX成绩学号姓名年...
第二章 招聘与配置1、员工素质测评的基本原理:个体差异原理、工作差异原理、人岗匹配原理人岗匹配原理包括:工作规定与员工素质相匹配;...
烦请亲们顶起来,后续才有动力传哦!! 二级招聘真题练习一、单项选择41、如下不属于员工素质测评的基本原理是(B )(A)个体差异原理 (B...
Cisco 产品配置手册(路由器部分)同天科技目 录第一章 路由器配置基础一、基本设置方式…………………………………………………2二、命...
综合练习一、阅读阐明,回答问题 1、问题 2、问题 3,将解答填入答题纸的对应栏内。 [阐明]某单位要与其下所属四个县局单位实现连网,...
最全面园林植物配置表湿生植物:旱柳、垂柳、棉花柳、沙柳、蒿柳、皂柳、小叶杨、辽杨、沙地柏、圆柏、侧柏、水杉、楝、枫杨、白蜡树、连翘...
智能化系统配置表序号智能化系统系统形式系统功能1通信接入系统由当地通信运营商提供电话通信设备及光纤接入,通过语音光纤引至楼层弱电间通...

