电脑桌面
添加小米粒文库到电脑桌面
安装后可以在桌面快捷访问

施工机械配置

施工机械配置_第1页
1/23
施工机械配置_第2页
2/23
施工机械配置_第3页
3/23
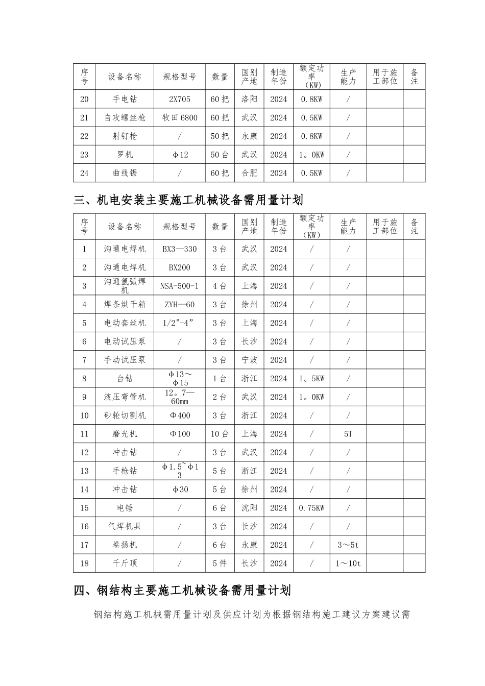
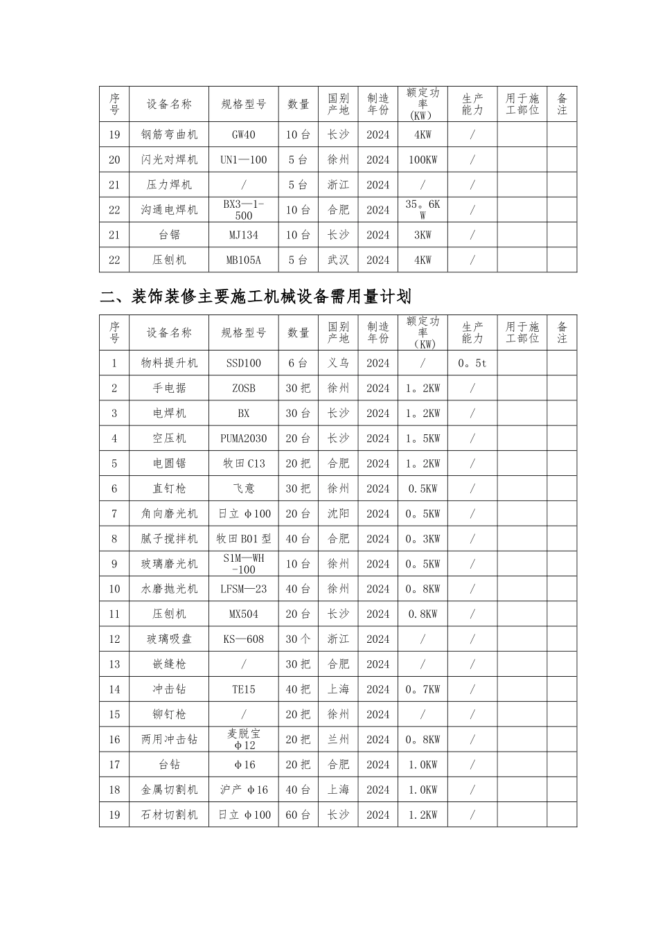
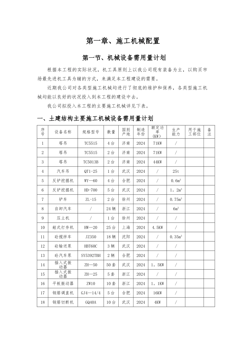
第一章、施工机械配置第一节、机械设备需用量计划根据本工程的实际状况,机工具原则上以我公司现有装备为主,以购买市场最先进机工具为辅的方式,来满足本工程建设的需要。近期我公司对各类型施工机械均进行了彻底的维护和保养,各类型施工机械均能以良好的状况投入到本工程的建设中去。我公司拟投入本工程的主要施工机械详见下表。一、土建结构主要施工机械设备需用量计划序号设备名称规格型号数量国别产地制造年份额定功率(KW)生产能力用于施工部位备注1塔吊TC55154 台济南202471KW/2塔吊TC55152 台济南202471KW/3塔吊TC5013B2 台济南202444KW/4汽车吊QT1-251 台武汉2024/25t5反铲挖掘机WY—604 台合肥2024/0.6m36反铲挖掘机HD-7005 台武汉2024/1。2m37铲车ZL-152 台徐州2024/0.75m38自卸汽车/24 辆浙江2024/6m39压土机/1 台徐州2024//10蛙式打夯机HW—2025 台上海20244.5KW/11砼搅拌车JZ35018 辆沈阳2024/0.35m312砼输送泵HBT60C3 辆武汉2024//13砼汽车泵SY5392TBH2 辆合肥2024//14插入式振动器ZH—5050 套武汉20241。5KW/15插入式振动器ZH—255 套浙江2024//16平板振动器ZW1010 套浙江20241。1KW/17钢筋调直机GJ4—14/45 台合肥202416KW/18钢筋切断机GQ40A10 台武汉20244KW/序号设备名称规格型号数量国别产地制造年份额定功率(KW)生产能力用于施工部位备注19钢筋弯曲机GW4010 台长沙20244KW/20闪光对焊机UN1—1005 台徐州2024100KW/21压力焊机/5 台浙江2024//22沟通电焊机BX3—1-50010 台合肥202435。6KW/21台锯MJ13410 台长沙20243KW/22压刨机MB105A5 台武汉20244KW/二、装饰装修主要施工机械设备需用量计划序号设备名称规格型号数量国别产地制造年份额定功率(KW)生产能力用于施工部位备注1物料提升机SSD1006 台义乌2024/0。5t2手电据ZOSB30 把徐州20241。2KW/3电焊机BX30 台长沙20241。2KW/4空压机PUMA203020 台长沙20241。5KW/5电圆锯牧田 C1320 把合肥20241。2KW/6直钉枪飞意30 把徐州20240.5KW/7角向磨光机日立 φ10020 台沈阳20240。5KW/8腻子搅拌机牧田 B01 型40 台合肥20240。3KW/9玻璃磨光机S1M—WH-10010 台徐州20240。5KW/10水磨抛光机LFSM—2340 台徐州20240。8KW/11压刨机MX50420 台长沙20240.8KW/12玻璃吸盘KS—60830 个浙江2024//13嵌缝枪/30 把合肥2024//14冲击钻TE1540 把上海20240。7KW/15铆钉枪/20 把徐州2024//16两用冲击钻麦脱宝φ1220 把兰州20240。8KW/17台钻φ1620 ...

1、当您付费下载文档后,您只拥有了使用权限,并不意味着购买了版权,文档只能用于自身使用,不得用于其他商业用途(如 [转卖]进行直接盈利或[编辑后售卖]进行间接盈利)。
2、本站所有内容均由合作方或网友上传,本站不对文档的完整性、权威性及其观点立场正确性做任何保证或承诺!文档内容仅供研究参考,付费前请自行鉴别。
3、如文档内容存在违规,或者侵犯商业秘密、侵犯著作权等,请点击“违规举报”。

碎片内容

施工机械配置

不二商店+ 关注
实名认证
内容提供者

我是你的不二选择

确认删除?
VIP
微信客服
  • 扫码咨询
会员Q群
  • 会员专属群点击这里加入QQ群
客服邮箱
回到顶部