xx 酒店 Aruba 无线网络系统技术建议书目 录1.0 设计思想...........................................................................
第一章 概述选择题:具体应用属于物联网的哪一层。(1)应用层:智能交通、智能电网、智能物流、智能家居、智能农业、(2)支撑层:云计算...
某某酒店无线网络技术建议书杭州华三通信技术有限公司目 录一、概述........................................................31.1 无线...
苏州中茵皇冠假日酒店无线网络整体解决方案目录一.项目背景..............................................................................
XX 酒店无线网络系统TRAPEZE 解决方案建议书2025 年 3 月目 录一 Trapeze Networks 公司简介......................................
酒店无线网络履盖方案厦门市普利斯软件工程有限公司2012 年 1 月酒店无线解决方案UniFi AP 无线热点一.产品图片二.UBNT 公司简介美国...
第三章 机车综合无线通信设备(CIR)第一节 概述机车综合无线通信设备(CIR)包括 WTZJ-I 型标准机车综合无线通信设备(以下简称标准型...
无线设备支持职务说明书岗位名称无线设备支持岗位编号WG-15所在部门网管中心技术室岗位定员直接上级室主任职系直接下级薪酬等级所辖人员岗...
下载后可任意编辑安全整顿情况报告(部队)与安全无线办公室建设方案汇编安全整顿情况报告(部队)安全整顿情况报告根据大队整顿方案,我室全体...
XX 酒店 Aruba 无线局域网解决方案目 录一、设计思想................................................................................
基于 CDMA1X 的输电线路无线视频监控系统一、引言在我国经济快速增长、能源日益紧张的今天,电网的安全性越来越受到重视,这其中,高压输...
XXX 酒店无线覆盖技术建议书信锐技术有限公司xxxx 年 xx 月目录1、概述...............................................................
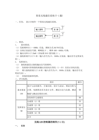
简易无线通信系统(T-1 题) 一、任务: 设计并制作一个简易无线通信系统。二、要求: 1、 基本要求:(1)发射频率在 1~40MHz 任选...
酒店无线解决方案书目 录1.背景及需求分析.............................................................................................
凯普施无线设备单板介绍BSC/TCU部分:1. 操作和维护单元 OMU( Operation and Maintenance Unit)OMU负责以下功能:BSC所有元件的控...
农村无线覆盖系统解决方案农村无线覆盖系统解决方案随着我国“建设社会主义新农村”的深入开展,农村信息化建设不断推进,农村宽带入户问题...
1浙江 XX 车间无线覆方案信息部管理部2020 年 02 月i一、项目背景 11・1 厂区车间 WLAN 建设背景概述 11.2 WLAN 无线厂区车间...
怎样把手机的文件传送到电脑—— 以 iPhone5s 手机为例手机里的文件传送到电脑 手机数据传 送 到电脑上,不需要数据线,也 不要重新...
Q/GDW 376.1《主站与采集终端通信协议》_20100830 无线扩展本协议是针对微功率无线通信的特殊要求,对《Q/GDW 376.1-2009 电力用户用...
(2004 年版)( 送审稿 )中 华 人 民 共 和 国 通 信 行 业 标 准YD XXXX-XXXX无 线 市 话 网 工 程 设 计暂 行...

