标准文案招标文件招标项目名称采购计划编号招标项目编号实用文档标准文案目录实用文档标准文案实用文档标准文案二、项目技术规格、数量及质...
无线通信技术1、概述无线通信(WirelessCommunication)是利用电磁波信号可以在自由空间中传播的特性进行信息交换的一种通信方式。无线通信...
I|CT3内阿艰杭医院无线覆盖技术规范书1 无线网络需求1・1 点位布线需求候诊室、走廊、护士站等公共区域按范围预留点位(吸顶安装),每个...
I延安大学西安创新学院本科毕业论文(设计)基于 Zigbee 的无线温度采集系统设计摘要:本设计为基于 STC89C52 利用 ZigBee 无线通讯...
摘要摘要在物联网盛行的今天,无线传感器网络(WSNM 乍为物联网中核心技术之一, 应用更是日益广泛 P IEEE802. 15. 4∕ZιgBee 技术...
无线局域网目 录第六章下一页 退 出本章目录目 录下一页上一页 退 出 教学目标1. 了解无线局域网的相关知识; 2. 了解无线局域网...
信息与通信工程学院电磁场与电磁波实验报告题目:校园无线信号场强特性的研究姓名班级学号序号xx20092111190921056x23xx20092111190921056x...
无线射频识别技术标签是安装了天线的微小计算机芯片,这种标签能存储并传输电子产品编码(EPC)。研究人员表示,通过在牛的耳朵上植入 RFID...
XX 大酒店无线解决方案2013-09-02目 录1.概述.........................................................................................
电力设备无线巡检系统的设计【摘要】本设计阐述了一种新型电力设备巡检系统的结构和设计。该系统基于一体化手持巡检器和计算机网络技术,前...
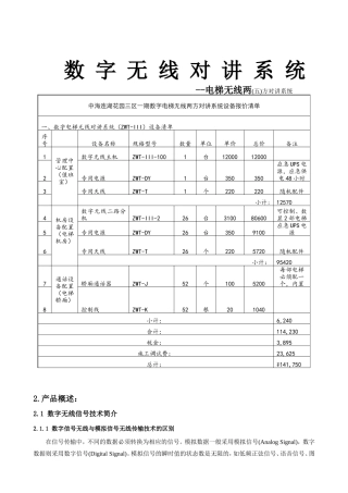
数 字 无 线 对 讲 系 统 --电梯无线两(五)方对讲系统中海连湖花园三区一期数字电梯无线两方对讲系统设备报价清单 一、数字电梯无...
目前随着通信技术的发展,无线通信技术的使用已经渗透到社会的各个角落要实现全球对无人驾驶智能车的监控,无线通信自然不能少。在我们实际...
沈阳商务酒店无线局域网方案建议书 北京 XX 发展有限公司 2011 年 4 月目 录1前 言1.1北京 XXX 科技发展有限公司简介1.2国内主...
摘要现有的公交车语音文字报站系统是为公交车内的乘客服务,而没有顾及站台上乘客也需要了解到站车辆信息的需求。虽然站台有站牌提示,但对...
酒店无线解决方案
第六届数字电视与无线多媒体通信国际论坛(6TH IFTC)参会邀请函各国专家权威云集一堂,上中下产业链互动交流2009 年 11 月 6 日-7 ...
高效无线电力传输系统——摘要本文提出了基于自动引导车辆的无线电力传输系统的概念,该系统在车上装有充电电池,并在特定的地方进行充电。...
“新一代宽带无线移动通信网”国家科技重大专项2016 年度课题申报指南二○一五年七月项目 1: 5G 研发项目说明:国际电联已正式启动 5...
xx 酒店 Aruba 无线网络系统技术建议书目 录1.0 设计思想...........................................................................
第一章 概述选择题:具体应用属于物联网的哪一层。(1)应用层:智能交通、智能电网、智能物流、智能家居、智能农业、(2)支撑层:云计算...

