1第一章建设工程项目的组织与管理(35分)1.1建工管理的内涵和任务;系统的目标决定了系统的组织,而组织是目标能否实现的决定性因素。1.1....
第一章建设工程项目管理概述一、单项选择题1.()是项目最基本、最主要的特征A.一次性B.目标明确C.整体性D.制约性2.不属于项目的选项...
《建设工程项目管理》大纲及讲评一、整体情况说明:掌握的内容“☆”占70%;熟悉的内容“◇”占20%;了解的内容“△”占10%。全部知识点173...
1/5《建设工程项目管理》科目考试大纲1Z200000建设工程项目管理1Z201000建设工程项目的组织与管理1Z201010建设工程管理的内涵和任务1Z20101...
建设工程项目管理委托合同工程项目名称:WTO研究中心楼和外籍教师招待所委托人:上海XXXXX学院管理人:上海XXXXX咨询有限公司签定地点:___...
建筑工程项目管理一在线考试答案
建筑工程项目管理的创新摘要:建筑工程项目施工管理是建筑施工根据经营战略和企业内外条件,按照企业运行,通过生产诸要素的优化配置和动态...
1/131.对安全事故的处理必须坚持的“四不放过”是指什么(2012,10)(2012,7)(2014,10)(2016,4)P344答:安全事故处理必须坚持的“四不...
案例1某框架结构工程其主体工程施工划分为3段,其施工顺序为先施工第一段,再施工第二段,最后施工第三段。每段均进行三个施工过程,包括支...
建筑工程项目管理三大控制论文导读:施工成本管理就是在保证工期和质量满足要求的情况上,利用组织措施、经济措施、合同措施把成本控制在计...
《建筑工程项目管理》作业3说明:本次作业包括第第六章的内容,请于十二周之前完成。一、单项选择题(每小题2分,共20分)1.利用工程网络...
工程项目管理工程项目计划
目录第一章基础篇...............................................................31.登录前的准备工作...................................
项目管理计划书一、项目管理交底工程项目中标签约前后,公司向拟定的项目经理部进行项目管理交底,交底的内容包括招标文件及合同(或签定合...
精选工程项目管理试题库一、单选题1.大中型工程项目是由多个()组成的。A.单项工程B.单体工程C.单位工程D.分项工程2.建设工程项目管...
工程项目管理责任承包合同作者:安全文化网文章来源:安全文化网点击数:3008更新时间:2007-11-15甲方:中铁建工集团工程有限公司法定代表...
第1页共31页工程项目管理调研报告工程项目管理调研报告随着时代的发展,工程建设与十年前有了很大的变化,新技术、新工艺从出不穷,以前的...
《工程项目管理》考试试题(AB卷)含答案2————————————————————————————————作者:———————————...
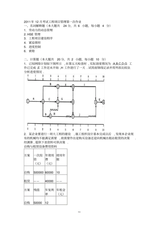
精选2011年12月考试工程项目管理第一次作业一、名词解释题(本大题共24分,共6小题,每小题4分)1.劳动力的动态管理2.HSE管理3.工程项目建...
1/19《工程项目管理》考试试题(A卷)一、单项选择题(共15题,每题2分,共30分)1.对于一个建设工程项目来说,()是管理的核心。A.设计方...

