“离散数学”实验报告(求给定命题公式的真值表并根据真值表求公式的主范式)专 业网络工程班 级1202班学 号12407442 姓 名张敏慧2013...
下载后可任意编辑水电暖服务中心工作人员考核分值表【物业管理经验分享】水电暖服务中心工作人员考核分值表一、基础分每天每人 10 分:(...
附件 1:胶州市镇(街道)卫生院绩效考核主要指标及分值表考核指标考核内容考核标准分值基本医疗服务(25 分)依法执业机构、人员资质及...
排列三和值表0:0001:0012:0020113:0030121114:0040130221125:0050140231131226:0060150240331141232227:0070160250341151241332238...
各类蔬菜水果的营养价值、主要营养元素含量丰富的果蔬品种蔬菜、水果的营养价值蔬菜水果的营养成分:⑴ 碳水化物包括糖、淀粉、纤维素和果...
利用真值表法求取主析取范式以及主合取范式的实现 --- 副本1 #include "stdio.h" #include "stdlib.h" #include "string.h" #incl...
生产类考核/制造管理考核/考核方法/生产计划部考核分值表 表格编号: 填表日期: 填表人: 管理部门: 审核人: 批准人: 生产计划...
全国各城市的雪压和风压值全国各城市的50年一遇雪压和风压附表D.4省市名城市名海拔高度(m)风压(kN/m2)雪压(kN/m2)雪荷载准永久值系数分区n=...
建筑抗震设计规范我国主要城镇抗震设防烈度、设计基本地震加速度和设计地震分组首都和直辖市第附录A.0.1条0.20g:1抗震设防烈度为8度,设计...
13级高二数学教学案备注§11.4逻辑式与真值表教学目标:1.了解逻辑式的定义。2.能根据给定的逻辑式,写成其对应的真值表。3.能根据真值表判...
柴油国五标准指标详细数值表柴油国四国五区别2015年3月31日【导语】:柴油国五标准即将在2018年前实施,那么柴油国五标准到底有哪些指标...
规范允许结构偏差混凝土结构工程施工质量验收规范、模板分项工程预埋件和预留孔洞的允许偏差项目允许偏差(mm)预埋钢板中心线位置3预埋管...
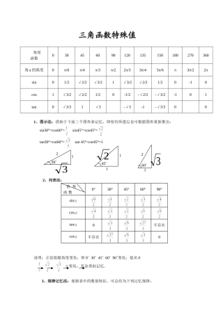
三角函数特殊值角度函数030456090120135150180270360角a的弧度0π/6π/4π/3π/22π/33π/45π/6π3π/22πsin01/2√2/2√3/21√3/2√2/21/...
食物GI值表GI值指的是,当我们将食物吃进体内后,(相对于吃进葡萄糖时)使血糖升高的比例。简单来说,越容易使血糖快速上升的食物,其GI值...
应税污染物和当量值表一、第一类水污染物污染当量值污染物污染当量值(千克)1.总汞0.00052.总镉0.0053.总铬0.044.六价铬0.025.总砷0.026.总...
附件1:现场质量安全问题扣分表编号项目内容扣分标准1原材料、设备、构配件进场厂制成品、半成品材料、设备器材无出厂合格证或质量证明文件...
T分布表Df自由度P概率0.10.050.0250.010.0050.0010.0005单尾0.20.10.050.020.010.0020.001双尾13.0786.31412.70631.82163.657318.309636.61...
1、饱和蒸汽压力-焓表(按压力排列)压力MPa温度。C焓J/kg压力MPa温度C焓J/kg0.0016.982513.81.00179.882777.00.00217.512533.21.10184.062...
完美WORD格式编辑1、饱和蒸汽压力-焓表(按压力排列)压力MPa温度。C焓KJ/kg压力MPa温度。C焓KJ/kg0.0016.982513.81.00179.882777.00.00217...
附表7.相关系数临界值表(表中是自由度)n-20.100.050.020.010.001n-2123456789101112131415160.987690.900000.80540.72930.66940.62150....

