CQC-各CB实验室检测范围摘自IECEE网站信息(截至2008-6-4)北京家用电器检测所BTIHEA中国赛宝实验室CEPREI广州电气安全检验所CEST,CESTDonggu...
第1页共24页编号:时间:2021年x月x日书山有路勤为径,学海无涯苦作舟页码:第1页共24页5.1.2发电工程质量检验及评定范围表(表2.0.2)发电...
第1页共11页编号:时间:2021年x月x日书山有路勤为径,学海无涯苦作舟页码:第1页共11页表4.0.1-2换流站工程质量验收及评定范围表工程编号...
第1页共7页编号:时间:2021年x月x日书山有路勤为径,学海无涯苦作舟页码:第1页共7页电气安装工程质量验评范围第2页共7页第1页共7页编号:...
第1页共59页编号:时间:2021年x月x日书山有路勤为径,学海无涯苦作舟页码:第1页共59页表4.2.1施工质量验收范围划分表工程编号工程名称性...
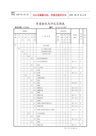
第1页共129页编号:时间:2021年x月x日书山有路勤为径,学海无涯苦作舟页码:第1页共129页质量验收及评定范围表单位代码:FSXMB编号:ZL-01...
第1页共142页编号:时间:2021年x月x日书山有路勤为径,学海无涯苦作舟页码:第1页共142页表4.0.1-1质量验收及评定范围表工程编号工程名称...
1.范围本标准规定了火电厂用石灰石/石灰-石膏湿法烟气脱硫工程建筑和安装施工质量验收及评定所遵循的标准和要求。本标准适用于新建、扩建和...
第1页共58页编号:时间:2021年x月x日书山有路勤为径,学海无涯苦作舟页码:第1页共58页表4.2.1施工质量验收范围划分表工程编号工程名称性...
第1页共225页编号:时间:2021年x月x日书山有路勤为径,学海无涯苦作舟页码:第1页共225页表4.0.1-1质量验收及评定范围表工程编号工程名称...
第1页共84页编号:时间:2021年x月x日书山有路勤为径,学海无涯苦作舟页码:第1页共84页工程质量验收及评定项目划分表工程编号工程名称验收...
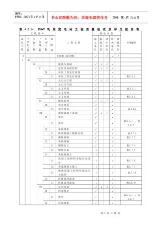
第1页共32页编号:时间:2021年x月x日书山有路勤为径,学海无涯苦作舟页码:第1页共32页表4.0.1-1220kV巩留变电站工程质量验收及评定范围表...
1范围本标准规定了火电厂用石灰石/石灰-石膏湿法烟气脱硫工程建筑和安装施工质量验收及评定所遵循的标准和要求。本标准适用于新建、扩建和...
工程质量验收及评定项目划分表工程编号工程名称验收单位质量验收表编号机组系统单位工程子单位工程分部工程子分部工程分项工程检验批施工单...
第1页共44页编号:时间:2021年x月x日书山有路勤为径,学海无涯苦作舟页码:第1页共44页财政部国家税务总局关于印发《农业产品征税范围注释...
CQC-各CB实验室检测范围摘自IECEE网站信息(截至2008-6-4)北京家用电器检测所BTIHEA中国赛宝实验室CEPREI广州电气安全检验所CEST,CESTDonggu...
表4.2.1施工质量验收范围划分表工程编号工程名称性质验收单位质量验收表编号单位工程分部工程分项工程检验批施工单位监理单位制造单位设计...
目录机电设备安装资质......................................错误!未定义书签。一级资质标准..............................................
康复医学科医治范围及效益分析康复医学科医治范围一、骨关节损伤/手术/疾病颈椎病、肩周炎、腰腿痛、软组织损伤和病变、关节炎与关节病、运...
第1页共11页编号:时间:2021年x月x日书山有路勤为径,学海无涯苦作舟页码:第1页共11页试论我国增值税课税范围的重新选择简介:近十年的税...

