阴极保护材料介绍课件目录•阴极保护材料概述•阴极保护材料特性•常见阴极保护材料介绍•阴极保护材料选择依据•阴极保护材料发展趋势•阴...
年产1000吨阴极铜湿法炼铜项目可行性研究报告一、项目性质、可行性研究的背景及依据本项目属利用铜矿开采废弃的低品位氧化矿石和硫化矿选冶...
第1页共10页第2页共10页精Him駅血测JiNGCHUANMATERIALTESPhlG本规范规定了同时确定应用于钢管外部的绝缘涂层系统的比较特性的加速程序,目...
泊位钢管桩及泊位现浇面板阴极保护施工方案编制日期:2011年11月01日-1-目录一、工程概况及方案编制依据....................................
珠海粤裕丰钢厂干散货码头钢桩牺牲阳极阴极保护工程施工组织设计方案濮阳市豫安防腐有限公司吉林分公司2011年10月目录第一章工程概况⋯⋯⋯...
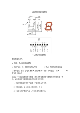
物理与电子工程学院《单片机原理与接口技术》课程设计报告书设计题目:基于单片机LED数码管共阴极显示电路专业:自动化班级:14级接本班学...
1/5《土壤及淡水环境阴极保护用钛阳极》标准编制说明一、工作简况)本标准项目涉及的产品简况:本标准针对使用于土壤及淡水环境、外加电流阴...
埋地阴极保护试题1、单选题(1)埋地管线中,应用最为广泛的牺牲阳极材料为(A)。A、镁铝锌B、锌铜镁C、锰铜铁D、锌铝镍(2)越容易失去电...
埋地管道的阴极保护课件xx年xx月xx日目录•阴极保护概述•阴极保护的评估与监测•阴极保护的优化与改进•阴极保护的应用案例01阴极保护概述...
阴极保护准则阴极保护准则是用来判断金属构筑物是否达到充分有效保护的判据标准。保护电位EP,是腐蚀速率小于0.01mm/a时的金属对电解质电位...
管道阴极保护效果检测作者:河南中拓石油管道1电位测量电位测量目的电位测量是阴极保护系统测量祁监控中的主要手段。根据电位测量的结果,...
阴极锌剥离实践一剥锌机和极板的搬运。。要在过去。年中从铝阴极板上机械化和自动化别锌获得发展。由简单的单刀别离一片阴极锌板发展到现在...
空心阴极灯性能优劣判断方法一:常见的空心阴极灯的分类。目前大家比较常见的空心阴极灯的种类有“普通空心阴极灯”、“高性能空心阴极灯”...
1990年第月辑岩相古地理No.4,1990海相碳酸盐矿物的阴极发光性与其成岩蚀变的关系黄思静(成都地质学院沉积地质矿产研究所)引言众所周知,原始...
电子的发现和阴极射线的实验研究联系在一起的,而阴极射线的发现和研究又是以真空管放电现象开始的.早在1858年,德国物理学家普吕克在利用...
内部资料,禁止外传电泳技术人员培训初级资料目录1、电泳涂装概念及优点---------------------------------------------------------22、电...
阴极电泳涂装工艺1引言近几年随着我国汽车工业的发展,各厂家都在新建或改造涂装生产线,新建的电泳涂装线,大多数都采用阴极电泳涂装方式。由...
电泳涂装技术一、电泳涂装技术及优点什么是电泳涂装技术电泳涂装技术是上世纪中叶才研制出的一门较新兴的涂装技术,它是以水性树脂为主要成...
阴极电泳漆混槽的生产应用1前言随着汽车工业的飞速发展,阴极电泳漆以其优异的耐腐蚀性能在汽车涂装中的应用日益广泛。在汽车生产过程中,...
电泳超滤系统管理一、电泳超滤系统的作用超滤系统是电泳四个主要系统之一,在电泳工艺中具有很重要的作用,电泳系统好坏直接关系到电泳的质...

