第一章编制基本情况一、编制根据二、编制原则三、工程概况第二章施工总体布署一、布署原则二、组织机构第三章拆除原路面路基第四章各分部分...
沥青混凝土路面施工方案、施工工艺及方法 第一节 施 工 前 准 备 工 作一、技术准备1、制定详细得施工组织计划,进行详细得技术交...
市政工程沥青混凝土路面面层施工方法要点本工程路面面层做法为:0.5cm 封油层+5cmac-25 沥青混凝土(方孔筛)+4cmac-16 沥青混凝土(普...
一、编制依据: 1、工程施工图纸 2、宏源沥青瓦屋面瓦安装手册 3、建筑施工手册第四版二、工程概况:新江湾城 C2-2 地块三期工程位于...
对抗车辙沥青路面施工技术浅探对抗车辙的沥青路面施工技术的浅探结合改性沥青混合料设计、改性沥青混合料后场生产 拌制和现场摊铺的施工过...
一、路床施工路槽开挖采纳挖掘机开挖,自卸汽车外运的形式。开槽时注意保 护已调查清除的管线及各种设施,必要时采纳人工开挖。注意保护各...
基于环境因素下的长大隧道沥青施工安全管控摘 要通过对长大隧道沥青施工安全管控的讨论,创新性的提出环境对长大隧道沥青施工安全的影响因...
城镇沥青道路接缝施工要求1.沥青路面在施工缝及构造物两端的连接处必须认真操作,保证接缝紧密、 连接平顺,不得产生明显的接缝离析。接缝...
施工单位:年 月 日编号:工程名称交底部位共页第页交底内容:地下沥青油毡卷材防水层施工本工艺标准适用于建筑工程地下沥青油毡卷材、沥...
\阳角的第一层油毡铺贴法阴角的第二层油毡铺贴法图 3-1 三面角油毡铺贴法1—转折处油毡加固层;2 一角部加固层;3—找平层;4—油毡图 ...
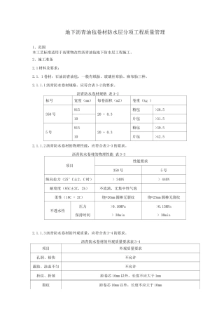
地下沥青油毡卷材防水层分项工程质量管理1、范围本工艺标准适用于高聚物改性沥青油毡地下防水层工程施工。2、施工准备2.1 材料及要求:2.1...
同步碎石沥青封层(4 页)Good is good, but better carries it.精益求精,善益求善。同步沥青碎石封层是利用专门的施工设备——同步...
品 沥青碎石 AM-10沥青碎石 AM-13沥青碎石 AM-16 沥青碎石 AM-20沥青碎石 AM-25沥青碎石 AM-30 砂粒式砼 AC-51细粒式砼 AC-10I...
原油沥青水上运输服务保障方案1、应急保障措施1.1 编制应急预案(1) 编制目的为了及时应对水路运输突发事件及其他紧急情况,保障水路运输...
南艳湖周边环境提升改造工程橡胶沥青应力吸收层施工方案安 徽 建 工安徽路桥集团AN H UI R OAD&B RIDGE G RO UP C O...
利用催化油浆制沥青技术讨论摘要 催化裂化作为主要的重油加工技术在石油加工中的地位十分重要,催化油浆的有效合理利用是一个迫切需要解决...
几种乳化沥青的配方(4 页)Good is good, but better carries it.精益求精,善益求善。几种乳化沥青的配方 (一)冷再生乳化沥青生...
兰考瑞华环保电力有限公司2 x 12MW 秸秆热电工程冷却塔沥青防水施工方案编制:_审核:_批准:中国水利水电第十一工程局有限公司兰考秸秆热...
梅丰公路及唐廊高速出联络线工程冬季沥青路面施工措施一、编制依据1、 公路沥青路面施工技术法律规范 JTG F40 —242、 公路工程质量检...
公路沥青路面设计法律规范 JTG D50- 自年 9 月 1 日起施行 较原法律规范(JTG D50-)主要改变有: 1.法律规范了轴载谱及交通参...


