沥青粘层(2)白人岩隧道上面层 AC-13C 厚 4cm5829中面层 AC-20C 厚 6cm5829沥青粘层 8040第二章施工组织机构和资源配备情况一、项目...
钢筋混凝土路面施工技术工艺一、工艺特点1、目前国际上有实验讨论的钢筋混凝土路面主要有如下三种形式:局部 补强使用的间断(带接缝)钢...
道路维修施工方案一、混凝土道路维修施工施工工艺:垃圾外运 -路床平整夯实-人工级配砂石摊铺-混凝土浇筑一、局部道路:对凹陷的路面进行...
道路水稳层、沥青路面及步道冬季施工方案一、工程概况新黄徐路位于 2025 年世界月季洲际大会核心区内,是月季文化园东侧的一条城市主干路...
石排镇石兴路道路改造工程混凝土路面破除施工方案石排镇石兴路道路改造工程混凝土路面破除施工方案石排镇石兴路道路改造工程混凝土路面破除...
水泥混凝土路面施工工艺xx 建设公司 目 录1 适用范围……………………………………………………………………………………………………...
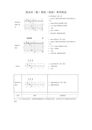
透水砖(板)路面(地面)典型构造名称简图建筑构造注:1 土工布主要起反滤作用,阻隔细粒物跟随雨水下渗堵塞透水基层,结构层设计时可根...
透水砖及透水混凝土路面施工工艺透水砖及透水混凝土路面材料、配比及施工1透水砖1.1 技术指标要求(1)透水砖参照《透水路面砖和透水路面...
路面面层施工方法本标段路面面层结构为:上面层:4cm 沥青混凝土底面层:6cm 沥青混凝土为保证施工质量,在基层顶面设一层透层油和沥青砂...
路面面包砖铺设施工方案及工艺方法1. 范围施工范围主要包括:部分道路拆除,拆除旧水泥砖,建筑垃圾外运,重新铺设路面面包砖。2. 施工准...
透层:基层碾压后 6 小时内必须喷洒透层油,透层油采纳乳化沥青 PC—2,用量可按 1、5 升每平方米通过试洒确定,透入深度不小于 5 m...
潮就牵递路面边缘排水设施首件工程施工方案第一章编制依据1、《公路工程质量检验评定标准》JTG F80/1-24 ;2、设计施工图纸及设计技术交底...
沥 青 砼 路 面 设 计 说 明一 、 设 计 标 准1 、 三 级 公 路 , 设 计 速 度 30 公 里 / 小 时 。2 、...
路面结构层施工组织设计一、水泥稳定级配碎石底基层1、材料准备 采纳级配符合要求、最大粒径不超过 53mm 且压碎值不应大于 30%的碎石,...
路面级配碎石垫层施工方案及工艺方法一、施工工艺流程下承层的准备 T 测量放样 T 混合料拌合、运输、卸料 T 摊铺、整平 T 碾压、接...
路面结构设计说明一、采纳的技术标准和计算依据路面类型:沥青混凝土路面;路面设计标准轴载:BZZ-1 ;路面结构设计年限:2025 ;路面抗滑...
路面沥青混合料施工方案及方法(一)根据设计要求,沥青面层之间设置粘层,下面层和基层之间设置下封层和透层。各连接层根据实际情况,采纳...
2.4、路面砼 C25 工程本标段新建道路均有水泥砼面层,其面层厚度为 20cmC25 混凝土.1、施工准备工作首先对基层进行质量检查:基层的几何...
> 铁山坪爱心庄园项目道路混凝土路面施工方案编制人:审核人:**建工第九建设**铁山坪爱心庄园项目部2025 年 9 月 7 日目录第一章工...
路面污染处置方案1、交通事故污染处置方案1.1 发生交通事故时,要求在 10-15 分钟内,就近保洁员立即赶赴现场,一方面积极参加救援,第...

