课时规范练6离子反应一、选择题(本题共10小题,每小题6分,共60分。每小题只有一个选项符合题目要求)1、下列说法中正确的是()A、氯化钠水溶...
考点规范练4离子反应(时间:45分钟满分:100分)一、选择题(本题共10小题,每小题5分,共50分。每小题只有一个选项符合题目要求)1.下列有关电...
水溶液中的离子平衡测试题
混凝土中砂浆的水溶性氯离子含量测定1.目的测定硬化混凝土中砂浆的水溶性氯离子含量,为查明钢筋锈蚀原因及判定混凝土密实性提供依据2.试验...
文化工有限公司30万t/a离子膜烧碱项目设备安装施工方案二零一四年五月目录1设备概况.......................................................
离子浓度大小比较的方法和规律一、离子浓度大小比较的方法和规律1、紧抓住两个“微弱”:a弱电解质的电离是微弱的b弱根离子的水解是微弱的...
离子反应第二课时1.教学目标分析①知识与技能:⑴让学生理解离子反应的概念,掌握复分解型离子反应发生的条件;⑵在学生掌握复分解型离子反...
离子反应(第二课时)离子反应及其发生的条件一、教材分析《普通高中化学课程标准(实验)》要求“知道酸、碱、盐在溶液中能发生电离通过实...
第二节离子反应教学目标:1、能区分常见的强、弱电解质,并会书写电离方程式2、知道离子反应的实质和离子反应发生的条件3、学会用离子方程...
九年级化学分子、原子及离子习题及答案1.20世纪20年代,就有人预言可能存在由4个氧原子组成的氧分子(O4)。下列叙述中正确的是()A.O4是...
离子膜烧碱操作工专业技能考核题一、单项选择题(1~10为整流题库,出题选择3个,11~20为离子膜理论题,出题时选择3题,21~30为开停车技能知...
离子共存练习题班级姓名学号1.下列物质中,属于强电解质的是A.NaOHB.CH3COOHC.H2OD.CO22.下列各组离子在水溶液中能大量共存的是A、Ca...
离子反应综合练习:离子方程式+离子共存1.下列反应中符合H++OH-=H2O离子反应的是A.稀硫酸与稀氨水B.稀硫酸与氢氧化钡溶液C.浓硝酸与氢氧化...
人教版必修1第二章第二节离子反应(第一课时)(一)指导思想与理论依据“离子反应”的相关内容属于化学基本概念范畴。在进行本节课教学设...
高二化学强化专练之离子共存(一)1.下列离子在溶液中因发生氧化还原反应而不能大量共存的是()AH3O+、NO3-、Fe2+、Na+BAg+、NO3-、Cl...
第二节离子反应学案第二课时导学案【学习目标】:知识与技能:掌握离子反应发生的条件和离子反应方程式的书写方法。过程与方法:从电离的角...
第二节离子反应第2课时离子反应及其发生的条件一、单项选择题1.下列各组物质相互混合后,不会发生离子反应的是()。A.Na2SO4溶液和MgCl2溶...
动物生理学实验实验二离子及药物对离体蛙心脏活动的影响大学学生实验报告[实验目的]1.学习离体蛙心灌流的实验方法。2.观察Na、K、Ca三种...
第三章水溶液中的离子平衡一、弱电解质的电离1、定义:电解质:在水溶液中或熔化状态下能导电的化合物,叫电解质。非电解质:在水溶液中或熔...
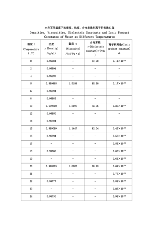
水在不同温度下的密度、粘度、介电常数和离子积常数Kw值Densities,Viscosities,DielectricConstantsandIonicProductConstantsofWateratDiff...


