DPL系列焊接绝热气瓶使用说明书.-1焊接绝热气瓶使用说明书序言本使用说明书适用于本公司提供的焊接绝热气瓶(以下简称气瓶),此说明书包括...
气瓶充装质量管理手册第4章操作规程第1.0版第1次修改低温绝热气瓶充装操作规程第1页共3页实施日期:2014年01月01日十四、低温绝热气瓶充装...
防腐绝热施工方案卷内目录:1.工程概况................................................22.施工工艺程序..................................
盘锦辽河化工(集团)有限责任公司2.5万吨/年丁二烯抽提装置及罐区防腐绝热施工方案编制单位:审批单位:批准:监理单位:审核:编制:2001...
1真空绝热板项目商业计划书及运营管理方案2目录序言.....................................................................................
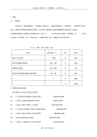
====Word行业资料分享--可编辑版本--双击可删====源-于-网-络-收-集1、概述1.1工程概况工程量总计600m3/6000m2、管道绝热工程量总计600m3/1...
中国寰球化学工程公司标准工程规定BCD·PPCM.1-2001绝热设计工程规定(L-101C)版号A受控号发布BCD2001年5月BCD绝热设计工程规定BCD·PPCM...
设备及管道绝热设计1常用绝热材料的性能12保温计算参数求取33保温层厚度计算54附录1常用绝热材料的性能表6-1常用绝热材料性能表注:1.设计...
管道系统防腐与绝热检验批质量验收记录表GB50243-2002080508□□080508□□080508□□单位(子单位)工程名称长沙市华健混凝土有限公司分部(...
地板采暖发泡水泥绝热层技术规程1范围本标准规定了地板采暖发泡水泥绝热层的术语和定义、规范性引用文件、技术要求、设计、施工、检验与验...
HVIP气凝胶真空绝热板(中亨新材)HVIP气凝胶真空绝热板(VacuumInsulationPanel),引进国外技术,将含有诸多纳米孔隙的芯材保温板,封装于高阻...
管线绝热层厚度计算方法集粹张礼贵(中国石化金陵石化工程有限公司,江苏南京,210033)摘要:介绍了确定管道绝热层厚度的基本方法,分析了每种方...
气体绝热指数若流体工质在状态变化的某一过程中不与外界发生热交换,则该过程就称为绝热过程.用节流孔板测量气体流量时,流体流过节流孔板...
2008年第6期�总第166期低�温�工�程CRYOGENICSNo�6�2008Sum�No�166真空绝热板(VIP)技术及其发展温永刚�王先荣�杨建斌�陈光奇(兰...
真空多层绝热低温液体输送管的设计制造喻永贵中国空分设备公司【摘要】真空多层绝热低温液体输送管的设计制造随着低温液体输送技术的普及和...
施工方案1DDDDDDDDDDDDDDDDDDDDDDDDDDD施工方案2DDDDDDDDDDD工程名称:真空绝热装饰一体化板外墙保温系统示范工程工程地点:安徽省合肥市创...
第1页共7页编号:时间:2021年x月x日书山有路勤为径,学海无涯苦作舟页码:第1页共7页工业设备及管道绝热工程施工及验收规范一.一般规定1...
第26卷第8期Vol.26No.8工程力学2009年8月Aug.2009ENGINEERINGMECHANICS155————————————————收稿日期:2008-04-07;修改日...
檲檲檲檲檲檲檲檲檲檲檲檲檲檲檲檲檲檲檲檲檲檲檲檲檲檲檲檲檲檲檲檲殘殘殘殘建筑供暖·空调·热环境不同结构墙体的绝热性能数值分析吴彻平...
绝热过程循环过程课件目录•绝热过程循环过程的挑战与解决目录•未来绝热过程循环过程的发展趋•案例研究:某具体绝热过程循环01绝热过程循...

