电脑桌面
添加小米粒文库到电脑桌面
安装后可以在桌面快捷访问

设备、工艺管道绝热施工方案VIP免费

设备、工艺管道绝热施工方案_第1页
1/23
设备、工艺管道绝热施工方案_第2页
2/23
设备、工艺管道绝热施工方案_第3页
3/23
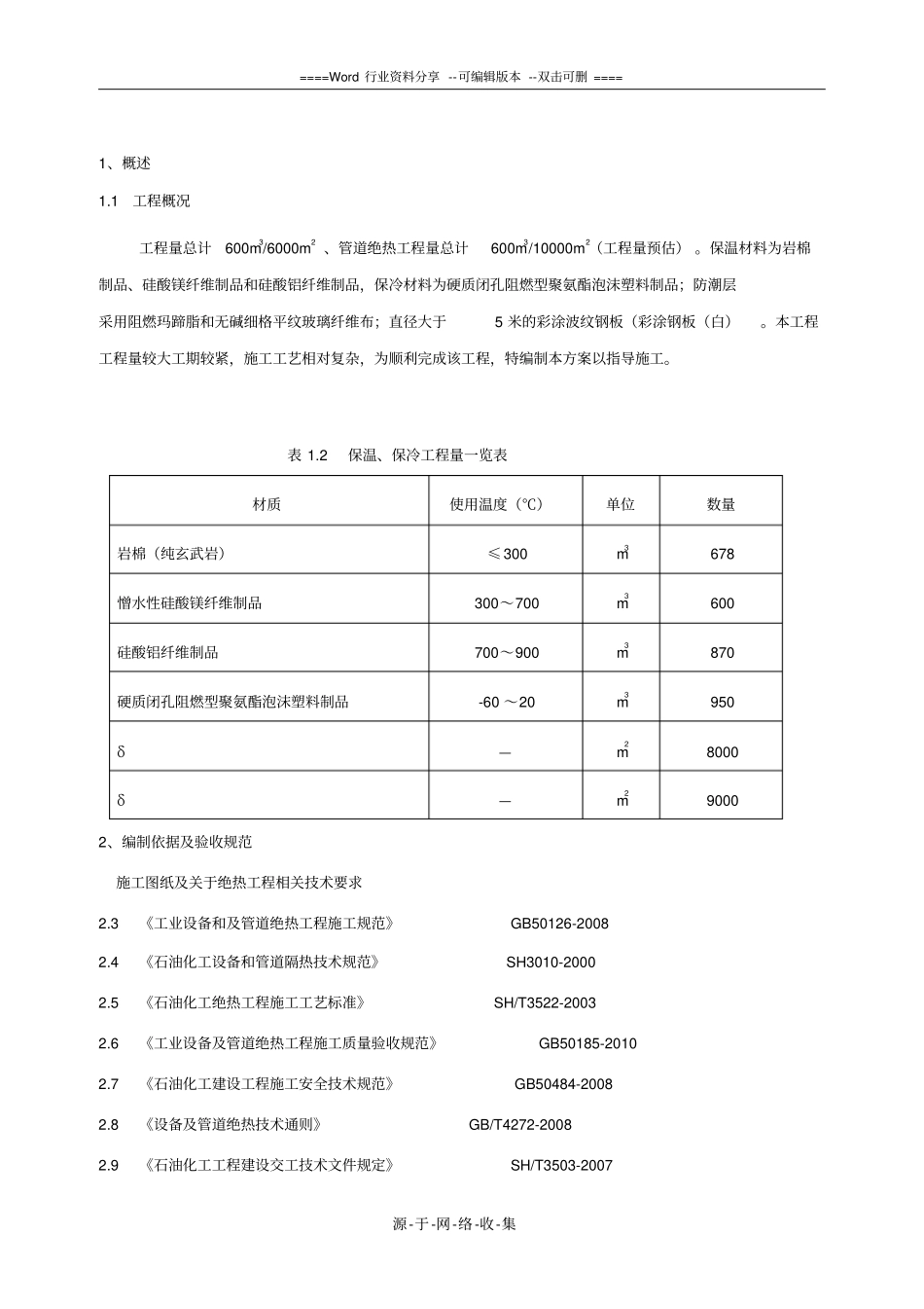
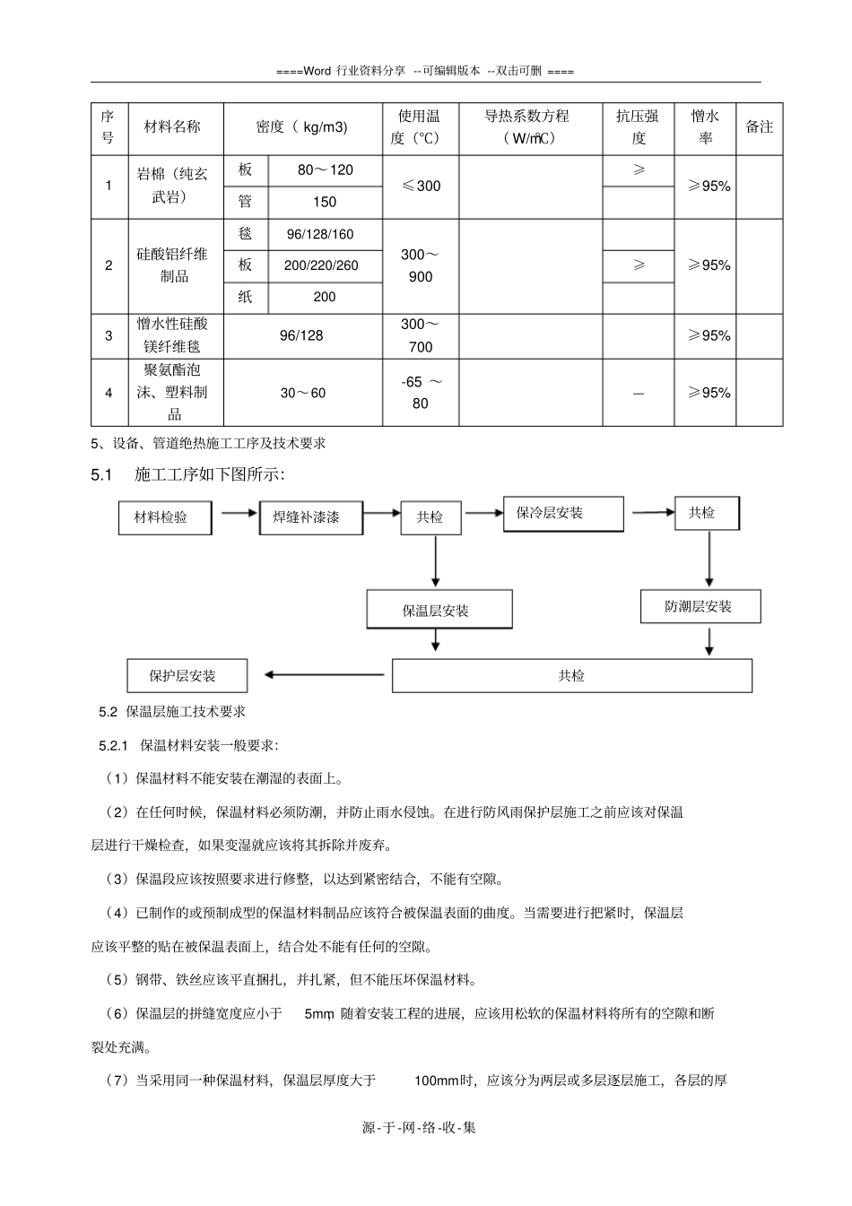
====Word行业资料分享--可编辑版本--双击可删====源-于-网-络-收-集1、概述1.1工程概况工程量总计600m3/6000m2、管道绝热工程量总计600m3/10000m2(工程量预估)。保温材料为岩棉制品、硅酸镁纤维制品和硅酸铝纤维制品,保冷材料为硬质闭孔阻燃型聚氨酯泡沫塑料制品;防潮层采用阻燃玛蹄脂和无碱细格平纹玻璃纤维布;直径大于5米的彩涂波纹钢板(彩涂钢板(白)。本工程工程量较大工期较紧,施工工艺相对复杂,为顺利完成该工程,特编制本方案以指导施工。表1.2保温、保冷工程量一览表材质使用温度(℃)单位数量岩棉(纯玄武岩)≤300m3678憎水性硅酸镁纤维制品300~700m3600硅酸铝纤维制品700~900m3870硬质闭孔阻燃型聚氨酯泡沫塑料制品-60~20m3950δ—m28000δ—m290002、编制依据及验收规范施工图纸及关于绝热工程相关技术要求2.3《工业设备和及管道绝热工程施工规范》GB50126-20082.4《石油化工设备和管道隔热技术规范》SH3010-20002.5《石油化工绝热工程施工工艺标准》SH/T3522-20032.6《工业设备及管道绝热工程施工质量验收规范》GB50185-20102.7《石油化工建设工程施工安全技术规范》GB50484-20082.8《设备及管道绝热技术通则》GB/T4272-20082.9《石油化工工程建设交工技术文件规定》SH/T3503-2007====Word行业资料分享--可编辑版本--双击可删====源-于-网-络-收-集3、施工前准备工作3.1下料场地平整,施工机具安装就位,并搭设好下料棚。所有设备的绝热施工必须在设备试压合格,附塔管线和附塔钢结构安装完毕之后进行;所有管道绝热施工必须在管道试压合格之后进行,或者预留焊口进行施工。3.3按规范搭设脚手架,并验收合格及挂牌。施工技术人员要对全体施工人员做好技术安全交底工作,使其掌握施工工序及技术要求。3.5所有设备、管道表面应该清理干净,清理掉松散的铁锈和剥离漆层、油污和其它任何外来物质。不锈钢设备表面只能用不锈钢刷进行清理。4、材料的使用和管理4.1本工程中所选用绝热材料的导热系数、容重、斥水性、氯离子含量等各项性能参数必须达到《绝热工程施工质量控制规定》(WHYTT/M-D05-070-2013)第5.6绝热材料规定和国家相关技术标准。4.2用于奥氏体不锈钢设备和管道上的绝热材料及其制品中的氯离子含量,应符合《工业设备及管道绝热工程施工规范》(GB/T50126-2008)中的有关规定,且其氯离子浓度不应超过50ppm。4.3绝热材料运至施工现场之后必须做好防潮、防雨工作,做到下垫上盖。4.4对于所有的材料代用,必须详细说明,代用材料只有经过设计确认批准和签发材料代用单后才能使用。====Word行业资料分享--可编辑版本--双击可删====源-于-网-络-收-集序号材料名称密度(kg/m3)使用温度(℃)导热系数方程(W/m℃)抗压强度憎水率备注1岩棉(纯玄武岩)板80~120≤300≥≥95%管1502硅酸铝纤维制品毯96/128/160300~900≥95%板200/220/260≥纸2003憎水性硅酸镁纤维毯96/128300~700≥95%4聚氨酯泡沫、塑料制品30~60-65~80—≥95%5、设备、管道绝热施工工序及技术要求5.1施工工序如下图所示:5.2保温层施工技术要求5.2.1保温材料安装一般要求:(1)保温材料不能安装在潮湿的表面上。(2)在任何时候,保温材料必须防潮,并防止雨水侵蚀。在进行防风雨保护层施工之前应该对保温层进行干燥检查,如果变湿就应该将其拆除并废弃。(3)保温段应该按照要求进行修整,以达到紧密结合,不能有空隙。(4)已制作的或预制成型的保温材料制品应该符合被保温表面的曲度。当需要进行把紧时,保温层应该平整的贴在被保温表面上,结合处不能有任何的空隙。(5)钢带、铁丝应该平直捆扎,并扎紧,但不能压坏保温材料。(6)保温层的拼缝宽度应小于5mm,随着安装工程的进展,应该用松软的保温材料将所有的空隙和断裂处充满。(7)当采用同一种保温材料,保温层厚度大于100mm时,应该分为两层或多层逐层施工,各层的厚材料检验焊缝补漆漆共检保温层安装共检防潮层安装共检保护层安装保冷层安装====Word行业资料分享--可编辑版本--双击可删====源-于-网-络-收-集度应接近。(8)在保温层施工时,同层应错缝,上下层应压缝,其搭接长度应大于50mm。5.2.2.1保温层的拼缝宽...

1、当您付费下载文档后,您只拥有了使用权限,并不意味着购买了版权,文档只能用于自身使用,不得用于其他商业用途(如 [转卖]进行直接盈利或[编辑后售卖]进行间接盈利)。
2、本站所有内容均由合作方或网友上传,本站不对文档的完整性、权威性及其观点立场正确性做任何保证或承诺!文档内容仅供研究参考,付费前请自行鉴别。
3、如文档内容存在违规,或者侵犯商业秘密、侵犯著作权等,请点击“违规举报”。

碎片内容

设备、工艺管道绝热施工方案

确认删除?
VIP
微信客服
  • 扫码咨询
会员Q群
  • 会员专属群点击这里加入QQ群
客服邮箱
回到顶部