长 风 破 浪 会 有 时 , 直 挂 云 帆 济 沧 海 。 住 在 富 人 区 的 她 全 文 为 Word 可 编 辑 , 若 ...
1 金 属 硫 蛋 白 (MT)、 高 纯 度 MT、 MT多 糖 项 目 风 险 可 行 性 方 案 2 目 录 概 论 ...................
金属3D 打印制造技术的6 大应用场景 谈到增材制造技术(俗称3D 打印技术),估计很多人并不陌生,但是说到增材制造技术的应用,可能大...
金属及其化合物讲义2一、金属的物理通性常温下,金属一般为银白色晶体(汞常温下为液体),具有良好的导电性、导热性、延展性。二、金属的...
高三化学总复习一一金属及其化合物一•金属的通性•位置:金属元素位于周期表的左下角,最外层电子数大部分少于个。•物理通性:大部分有延...
干挂饰面石材及其金属挂件 JC 830.1~830.2-2005〈代替 JC 830.1~830.2—1998 〉 第 1 部分:干挂饰面石材 1 范围 本部分规定...
幕墙及金属门窗避雷装置隐蔽验收记录 鲁D Q -015 工程名称 山东省警官学校教学综合楼 施工单位 中建八局一公司 分项工程名称 接地...
金 属 表 面 处 理 种 类 简 介 电 镀 镀 层 金 属 或 其 他 不 溶 性 材 料 做 阳 极 , 待 镀 的 工 件...
考点、常见金属活动性顺序: K Ca Na Mg Al Zn Fe Sn Pb(H)Cu Hg Ag Pt Au 金属活动性由强逐渐减弱 在金属活动性顺序里:...
常见金属失效分析 前言: 一、失效是按一定的思路和方法判断失效性质、分析失效原因、研究失效事故处理方法和预防措施的技术活动及管理活...
《外贸手表那些事儿》 外贸钟表交流微信号:YXCsince1989 第 二 课 第 一 讲 ——金属表带 手表表带根据材质来分,常见的有:金属...
2023 年 金 属 非 金 属 矿 山 安 全 检 查 ( 地 下 矿 山 ) 参 考题 库 含 答 案 ( 图 片 大 小 可 自...
表面处理方式: 金属: 1 . 喷砂 喷砂是利用压缩空气把石英砂高速吹出去对零件表面进行清理的一种方法。工厂里也叫吹砂,不仅去锈,还...
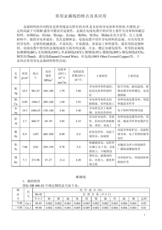
常用金属线的特点及应用
材料名称密度 克/厘米3材料名称密度 克/厘米3 灰口铸铁6.6~7.4不锈钢 1Crl8NillNb、Cr23Ni187.9白口铸铁7.4~7.72Cr13Ni4Mn98.5可锻铸铁...
常用金属原材料价格计算公式
第 1 页 共 1 6 页 金 属 板 材 的 选 用 及 牌 号 我 们 通 常 所 说 的 板 材 , 是 指 薄 钢 板 ( ...
1 金 属 硫 蛋 白 (MT)、 高 纯 度 MT、 MT多 糖 项 目 可 行 性 评 估 方 案 2 目 录 概 论 ...................
最新金属和金属材料培优题一、金属和金属材料选择题1.下列含金属元素的物质是( )A.H2SO4 B.Al2O3 C.NO2 D.P2O5【答案】B【解析...
顺德天万电热电器有限公司技术文献 文献编号:TMWI2.A006 版 号:C金属管状电热元件内 控 技 术 标 准 受控印章:本原则生效日期...

