第1页三流体的流动一、基本概念1理想液体2稳定流动3层流与湍流流量流阻粘度二、基本定律及定理1连续性方程2211vsvsQsv2伯努利方程222212112...
一、概述在现今信息时代的大潮之下,为把礼品销售的方式和层面做得更为全面,将服务推向千家万户,互联网为其提供了良好的环境。届时,人们...
关注中国ERP的发展经济的全球化,技术变革的日新月异,已经使全世界的经济环境发生了深刻的变化。作为社会经济活动基本单元的企业,尤其是...
左岸咖啡馆策划纪实品牌就像人,你赋予它性格、情感、意念,塑造一些真挚动人的故事,它就不再是冷冰冰的产品,它就能像风情万种、活生生的...
第1页共14页编号:时间:2021年x月x日书山有路勤为径,学海无涯苦作舟页码:第1页共14页关于工程部的规划管理工程设计方面:模具设计及通用...
建筑电气工程施工方案.电气工程概况电气工程主要有高低压变配电系统、动力配电系统、照明系统、防雷接地系统、消防报警与控制系统、楼宇自...
更多资料请访问.(.....)更多企业学院:...../Shop/《中小企业管理全能版》183套讲座+89700份资料...../Shop/40.shtml《总经理、高层管理...
广州各服装批发市场进货攻略广州各服装批发市场进货攻略首先说下,定位女装低档的去沙河,中高档的去十三行楼以上的,摆地摊的去锦东和广大...
一、工程概况:1、&&油田甲醇厂8万吨/年恢复生产及余热利用工程扩建项目由中国成达化学工程公司设计,独山子石化监理公司监理,&&&&建设公...
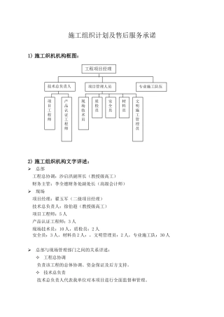
施工组织计划及售后服务承诺1)施工织机机构框图:2)施工组织机构文字详述:总部工程总协调:沙启洪副所长(教授级高工)财务主管:李全德...
员工考评管理办法第一章总则第一条目的为了客观公正地评价公司员工的工作绩效和能力,公平决定员正的岗位和待遇,促进工作效率的提高,保证...
技术交底记录2008年10月15日施管表5工程名称节能大厦分部工程给水排水与采暖工程分项工程名称室内排水管道安装施工单位中天宝业集团交底内...
建筑电气工程施工方案.电气工程概况电气工程主要有高低压变配电系统、动力配电系统、照明系统、防雷接地系统、消防报警与控制系统、楼宇自...
更新记录ChangeRecordDCR#版本Rev.原稿人Originator日期Date备注Remarks1.1.会签记录ReviewandApproval审核(Reviewedby):批准(Approvedby):...
一、工程概况本部研发中心主楼为层,裙楼为层,均为框架结构,采用天然地基。裙楼下设有一层地下室。拟建场地位于高新区工业区路与滨河路交...
安全用电施工方案XX工程公司年月日目录一、工程概况.....................................................................................
50城市立交桥施工组织及管理编制日期:2004年5月10日编制单位:目录第一卷城市立交桥施工组织及管理........................................
博泰·仕府领地(南区)1、2、3#楼冬雨季施工方案重庆建工贵州分公司博泰·仕府领地(南区)工程第一实施项目部2011年5月目录一、工程概况...
【管理学原理】计划、组织、领导、控制2、4、6、8章是重点,尤其第4章,要花本科80%时间复习,1、3、5、7章非重点第一章管理的历史发展...
编号FND01共13页第1页人事管理制度一、总则第一条规范公司的人事管理,特制定本规定。第二条本公司员工的聘用、试用、报到、保证、职务、任...

