宁东供水二期工程第二组 20 万方沉淀池、滤池工程 1 标段编制单位:宁夏回族自治区水利水电工程局宁东水厂项目部编制人:审批人:编制日...
1、工程概况2、编制依据及材料选用3、施工部署4、组织管理机构及组织说明5、施工进度计划、劳动力使用等计划6、制作安装的工艺流程及质量保...
原门窗拆除施工方案一、拆除准备工作1、门窗拆除工作开始前,技术人员对操作工人要进行全面的安全、技术交底。使每一施工人员都能掌握门拆...
安全使用铝合金升降机十大注意事项1、防坠安全器 防坠安全器是施工升降机上重要的一个部件,要依靠它来消除吊笼坠落事故的发生,保证乘员...
大酒店工程铝合金龙骨吊顶施工工艺大酒店工程铝合金龙骨吊顶施工工艺(一)施工准备1 .材料(1)铝合金龙骨常用于活动式装配吊顶的有主龙...
大规格辊底式淬火炉设备在铝合金中厚板生产中的应用随着中国科技的进步,大飞机计划和强军战略的实施,高性能的铝合金中厚板材越来越多的被...
各系铝合金特点(8 页)Good is good, but better carries it.精益求精,善益求善。一系:1000 系列铝合金代表 1050、1060 、1100 ...
变形铝合金的基本性能及分类(49 页)Good is good, but better carries it.精益求精,善益求善。79 变形铝合金的基本性能及分类(超...
内置型钢铝合金龙骨超大分格玻璃幕墙施工工法1.前言幕墙,超大分格玻璃幕墙大气上档次。玻璃幕墙的立柱采纳铝包钢立柱结构,铝包钢玻璃幕墙...
关于给水用热熔连接铝合金衬塑(PPR)管道在工业与民用建筑给水领域的应用一、前言铝合金衬塑管道是上世纪 90 年代开始研发的一种新型管...
公路工程路面附属立柱铝合金标志板安装施工工艺及方法1、施工工艺挖基 T 基础钢筋绑扎 T 基础混凝土浇筑(基座预埋)T 立柱及标志板安装...
中山市奕子翠园铝合金门窗施工组织设计方案 2施工组织设计(方案)工 程 名 称 : 奕 翠 园 ( 第 4A 期 ) 第 5 及 7B 区...
钨极氩弧焊 钨极氩弧焊法主要用于铝合金,是一种较好的焊接方法,不过钨极氩弧焊设备较复杂,不合适在露天条件下操作。 电阻点焊、缝焊 ...
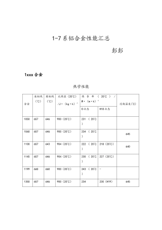
1-7 系铝合金性能汇总 彭彭1xxx 合金热学性能合金液相线(℃)固相线(℃)比热容(20℃)/J·(kg·k)-1热 导 率 ( 20℃ ) /W...
目 录第一章 项目概况..........................................................................................4一、项目简介........
太阳能光伏铝边框、铝支架及铝合金门窗制造项目节 能 分 析 专 篇 目 录引 言1第一节 项目基本概况 21.1 项目信息................
太阳能光伏铝边框、铝支架及铝合金门窗制造项目节 能 分 析 专 篇 目 录引 言1第一节 项目基本概况 21.1 项目信息................
铝合金门窗项目可行性讨论报告 报告简介 《铝合金门窗项目可行性讨论报告》通过对项目科学深化的市场需求和供给分析、未来价格预测、资源...
中科英华线缆事业部完善铝合金导体生产线项目可行性讨论报告编 写: 高 顺 林审 核:批 准:编制时间: 2025 年 3 月目 录1. ...
铝合金门窗工程质量监理实施细则一、工程概况1、建设单位:佛山市顺德区万科置业有限公司 2、设计单位:深圳市科源建设集团有限公司 3、...


