电脑桌面
添加小米粒文库到电脑桌面
安装后可以在桌面快捷访问

2024版三标一体化管理体系内审检查表NEWVIP专享VIP免费

2024版三标一体化管理体系内审检查表NEW_第1页
1/20
2024版三标一体化管理体系内审检查表NEW_第2页
2/20
2024版三标一体化管理体系内审检查表NEW_第3页
3/20
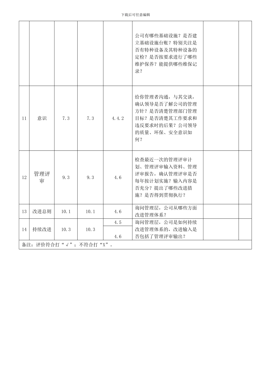
下载后可任意编辑XXXXXX 公司ISO9001:2024、ISO14001:2024、GB/T28001-2024质量、环境、职业健康安全三标一体化内审检查表受审核部门领导层审核员审核日期审核条款Q:4/5/6/7.1.1/7.1.2/7.3/9.3/10.1/10.3 ;E:4/5/6/7.1/7.3/9.3/10.1/10.3H:4.1/4.2/4.3.3/4.4.1/4.6序号内容标准条款检查内容和方法检查结果评价ISO9001: 2024ISO14001: 2024GB/T28001-20241理解组织及其环境4.14.1-- 与领导层沟通,询问领导层,影响本公司的内、外部因素主要有哪些?对这些内、外部因素的相关信息进行监视和评审的情况如何? 2理解相关方需求和期望4.24.2-- 询问领导层,与本公司管理体系有关的相关方有哪些?相关方有哪些要求?对相关方及其要求的信息是如何监视和评审的? 3确定管理体系的范围4.34.34.1查看公司三标管理体系文件,确认管理体系的边界和范围是否形成文件?是否考虑了各种内外部因素、相关方要求及其产品或服务?针对质量管理体系是否存在不适用的条款?若有是否说明理由?是否合理? 4管理体系及其过程4.44.44.1查看管理体系文件,确认是否根据标准的要求,建立、实施、保持和持续改进管理体系?管理体系所需的过程包括哪些?是否保持必要的形成文件的信息以支持过程运行?是否保留必要的形成文件的信息作为运行证据? 5领导作用和承诺5.1.15.1-- 询问领导层,确认其通过哪些活动证实其对管理体系的领导作用和承诺? 下载后可任意编辑6以顾客为关注焦点5.1.2-- -- 询问领导层,确认其通过哪些活动证实其以顾客为关注焦点的领导作用和承诺? 7方针5.25.24.2检查质量/环境/职业健康安全方针,确认是否得到文件化。询问领导层,管理方针的含义,方针如何在内部外部得到沟通? 8组织的岗位、职责和权限5.35.34.1.1查看公司组织架构图,询问管理层,了解公司的部门、岗位设置如何?职责和权限如何得到分派、沟通和理解?询问管理者代表,确认其是否清楚自身的职责。 9策划664.3.14.3.3是否对公司面临的风险和机遇进行辨识和评价?是否识别对环境因素和危险源进行辨识和评价,是否对重大风险制订控制措施,控制措施是否可行?是否对合规义务进行收集汇总?是否均为有效版本?是否策划质量、环境、职业健康安全管理目标?目标指标及管理方案策划是否适宜?是否分解至每个部门?本年度的目标指标及管理方案完成情况?10资源7.1.1 总则7.1.2 人员7.14.4.1询问管理层,公司为建立、实施、保持和持续改进管理体系提供了哪些资源?现有的资...

1、当您付费下载文档后,您只拥有了使用权限,并不意味着购买了版权,文档只能用于自身使用,不得用于其他商业用途(如 [转卖]进行直接盈利或[编辑后售卖]进行间接盈利)。
2、本站所有内容均由合作方或网友上传,本站不对文档的完整性、权威性及其观点立场正确性做任何保证或承诺!文档内容仅供研究参考,付费前请自行鉴别。
3、如文档内容存在违规,或者侵犯商业秘密、侵犯著作权等,请点击“违规举报”。

碎片内容

2024版三标一体化管理体系内审检查表NEW

确认删除?
VIP
微信客服
  • 扫码咨询
会员Q群
  • 会员专属群点击这里加入QQ群
客服邮箱
回到顶部