电脑桌面
添加小米粒文库到电脑桌面
安装后可以在桌面快捷访问

4.2安全生产法律法规4VIP免费

4.2安全生产法律法规4_第1页
1/4
4.2安全生产法律法规4_第2页
2/4
4.2安全生产法律法规4_第3页
3/4
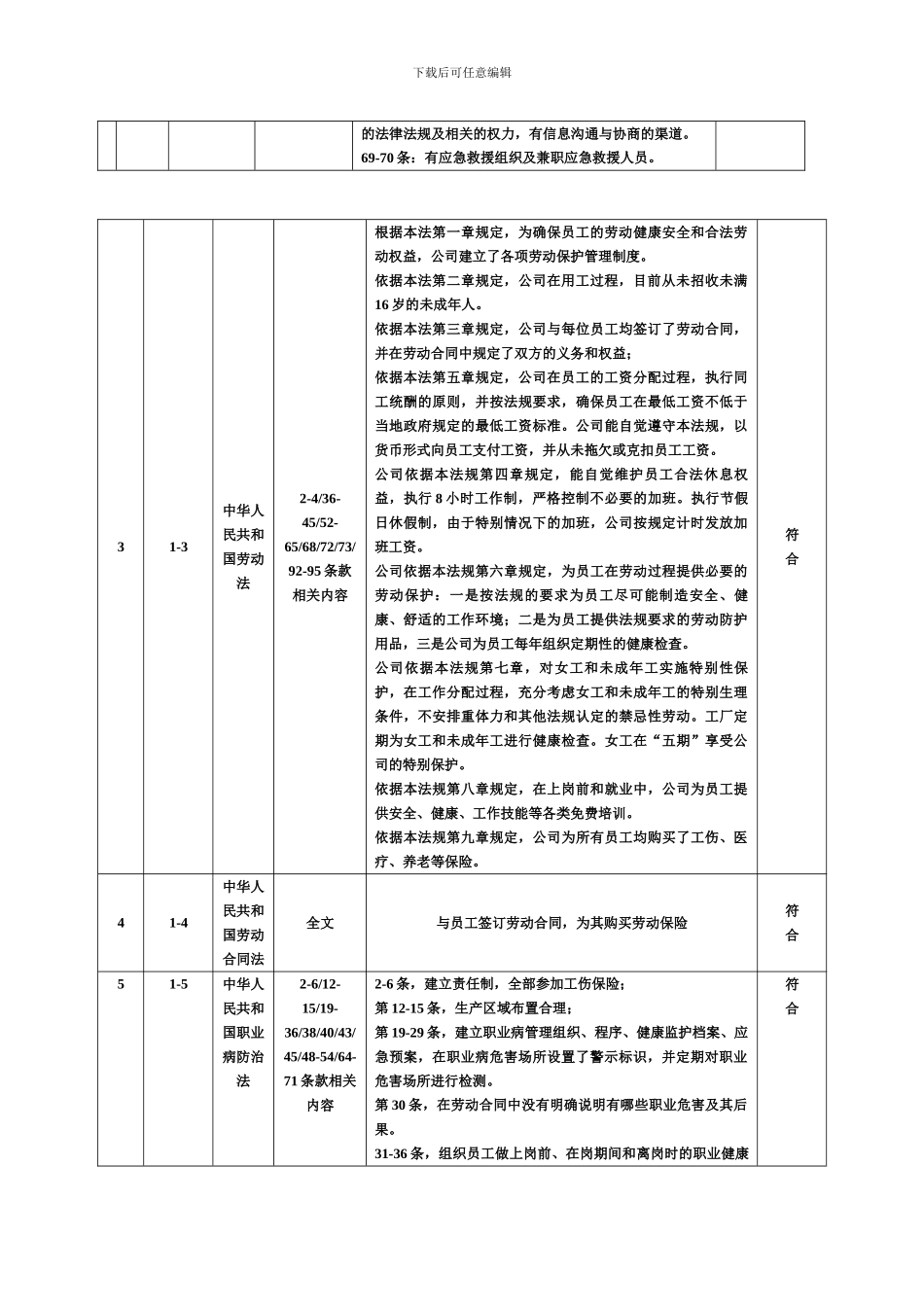
下载后可任意编辑衢州商品混凝土有限公司文件 安全生产法律法规标准及其他要求符合性评价表序号法规及标准符合性评价内容企业运营情况符合情况1国家法律11-1中华人民共和国消防法5/7/10-21/30/32/38/43/46/47/48/50/53 条款相关内容公司新、改、扩建项目均经过有资质单位进行了消防设计和防火设计审核,并经属地消防机关验收合格;生产区内无人员留宿;公司内生产装置和构建筑物均符合防火要求;配备了足够的消防器材和设施;成立了义务消防队,并配备了专职消防管理人员符合21-2中华人民共和国安全生产法1-6/16-26/28-52/69-70 条款相关内容1-6 条:建立了安全生产责任制,总经理对公司的安全生产全面负责。16 条:公司具备安全生产条件17-18 条:建立了责任制,制订了安全生产规章制度,包括:操作规程,安全检查制度,应急预案及事故报告制度19-20 条:设置了专职的安全生产管理机构,现有 2 名专职人员。21-23 条:从业人员上岗前都有安全操作培训,特种作业人员必须持证上岗。24-26 条:执行新项目的安全卫生的三同时制度。28 条:有较大危险因素的生产场所设有明显的安全警示标志。29 条:安全设备有定期维护、保养、检测。30 条:压力容器在投入运行之前经当地特检所检验,取得安全使用证。31 条:未使用国家淘汰的工艺或设备32、34 条:危化品有专门的仓库存放,有专门管理制度,费危品集中收集后交专业机构处理。33 条:无重大危险源36 条:通过合同、标识、程序、培训告知劳动者相关的安全生产规程及危险因素。37、39 条:员工提供合格的劳保用品及相关培训。38 条:有常常性的安全检查并有记录。40-41 条:与承包商签订安全协议42-44 条:与员工签订劳动合同,购买劳动保险45-52 条:对员工进行入厂及定期的培训,让其知道相关符合下载后可任意编辑的法律法规及相关的权力,有信息沟通与协商的渠道。69-70 条:有应急救援组织及兼职应急救援人员。31-3中华人民共和国劳动法2-4/36-45/52-65/68/72/73/92-95 条款相关内容根据本法第一章规定,为确保员工的劳动健康安全和合法劳动权益,公司建立了各项劳动保护管理制度。依据本法第二章规定,公司在用工过程,目前从未招收未满16 岁的未成年人。依据本法第三章规定,公司与每位员工均签订了劳动合同,并在劳动合同中规定了双方的义务和权益;依据本法第五章规定,公司在员工的工资分配过程,执行同工统酬的原则,并按法规要求,确保员工在最低工资不低于当地政...

1、当您付费下载文档后,您只拥有了使用权限,并不意味着购买了版权,文档只能用于自身使用,不得用于其他商业用途(如 [转卖]进行直接盈利或[编辑后售卖]进行间接盈利)。
2、本站所有内容均由合作方或网友上传,本站不对文档的完整性、权威性及其观点立场正确性做任何保证或承诺!文档内容仅供研究参考,付费前请自行鉴别。
3、如文档内容存在违规,或者侵犯商业秘密、侵犯著作权等,请点击“违规举报”。

碎片内容

4.2安全生产法律法规4

您可能关注的文档

确认删除?
VIP
微信客服
  • 扫码咨询
会员Q群
  • 会员专属群点击这里加入QQ群
客服邮箱
回到顶部