电脑桌面
添加小米粒文库到电脑桌面
安装后可以在桌面快捷访问

工程空压机安装、压缩空气管道系统施工方案VIP免费

工程空压机安装、压缩空气管道系统施工方案_第1页
1/9
工程空压机安装、压缩空气管道系统施工方案_第2页
2/9
工程空压机安装、压缩空气管道系统施工方案_第3页
3/9
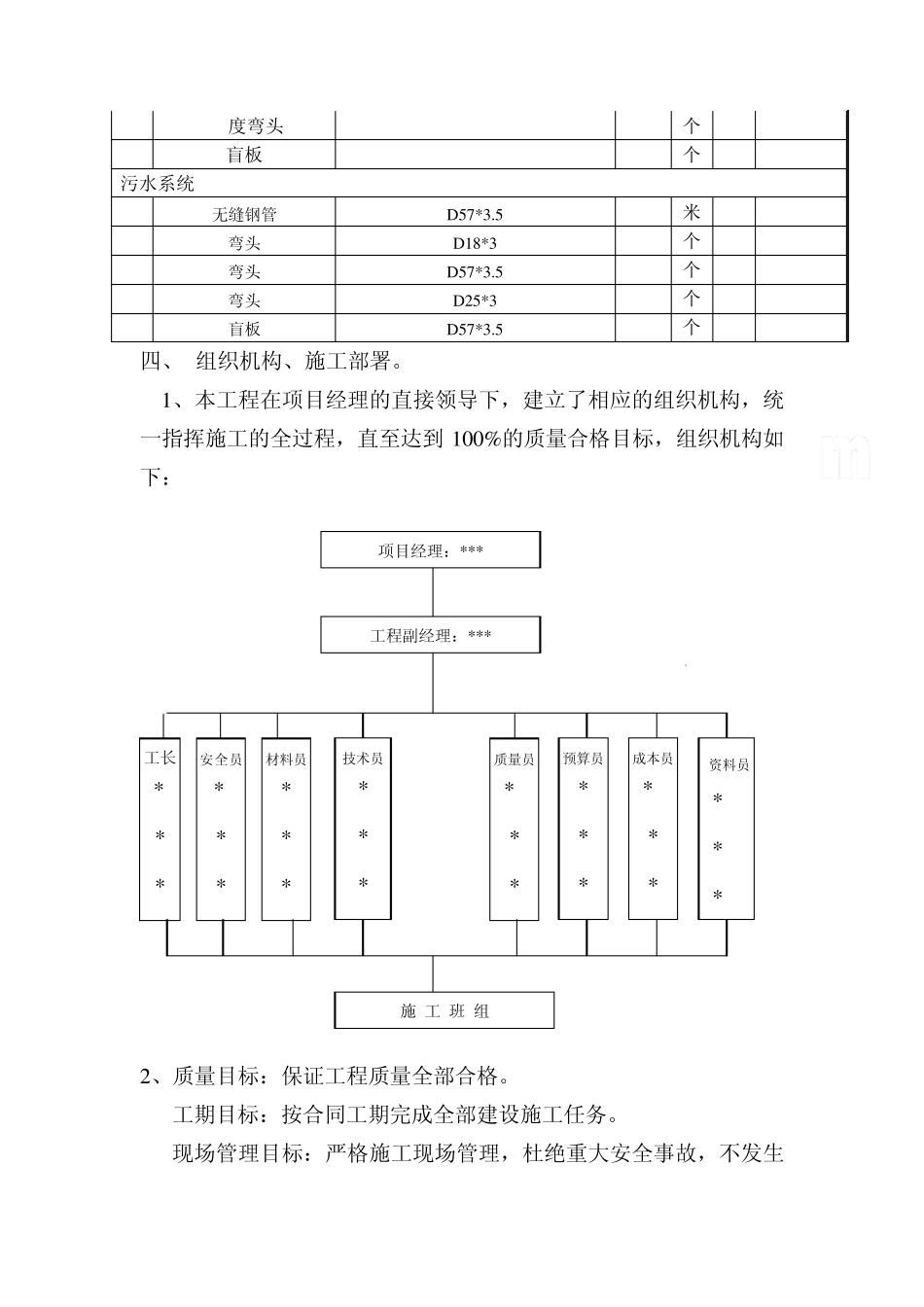
工程空压机安装、压缩空气管道系统施工方案 一、 编制依据: 1、《压力管道安全管理与监察规定》及解析<劳部发(1996)140号> 2、《机械设备安装工程施工及验收规范》GB50231 3、《压缩机、风机、泵安装工程施工及验收规范》GB50275 4、《工业金属管道工程施工及验收规范》GB50235 5、《现场设备、工业管道焊接工程施工及验收规范》GB50236 6、《工业设备及管道绝热工程工程施工及验收规范》GB50264 7、《工业自动化仪表工程施工及验收规范》GB50093 8、《建设工程安全生产管理条例》中华人民共和国国务院令第 393号 9、由业主提供的施工图纸及相关要求。 10、国家有关的法律、法规、规定和制度,本单位相关工程施工经验及综合实力。 11、施工现场条件。 二、工程概况: 本工程为***液压产品生产基地压缩空气系统工程。包括空压机、冷冻干燥装置、压缩空气储罐的安装、压缩空气管道、冷却水管道、污水管道。该工程主要位于 105 号建筑二层和地下管沟内。105 号建筑二层内安装有四台空压机,两台冷冻干燥装置,一台压缩空气储罐。由空压机产生的压缩空气汇集后经过冷冻干燥装置再穿过前后过滤器,从管道送出返到 105 号建筑一层,穿过 105 建筑一层后在南侧返到地下管沟,地下管沟内设有支架,经过地下管沟到 101 号建筑管道竖井,与德国的 Mapress 管道法兰连接,并在地下管沟南侧设有 102号建筑的预留管,并用法兰盲板封死,压缩空气管道采用无缝钢管并酸洗热镀锌用法兰连接。管中心距本层地面 3.5 米。 空压机冷却用冷却水系统,此系统从 105 号建筑二层的北楼梯间旁预留洞上来后分别送往压缩机冷却,冷却后沿管道返回一层到冷却塔,该系统采用无缝钢管焊接,管中心距本层地面 3.5 米。 污水系统:由各个空压机、冷冻干燥装置产生的污水汇集后管道沿地平敷设排在地漏里。该系统采用无缝钢管焊接。 三、 主要工程量 序号 名称 规格 数量 单位 材质 备注 压缩空气系统 1 变径 DN200*100 1 个 2 无缝钢管 D219*6 205 米 20 3 无缝钢管 D108*4 28 米 20 4 盲板 DN200 5 个 PN1.6MPa 5 90度弯头 DN100 14 个 6 90度弯头 DN200 13 个 7 45度弯头 DN200 1 个 8 不锈钢碟阀 DTD371F-16P DN200 PN1.6MPa 6 个 9 气体过滤器 4 个 10 无缝钢管 D159*4.5 23 米 20 11 90度弯头 DN150 6 个 12 不锈钢碟阀 DTD371F-16P DN150 PN1.6MPa 6 个...

1、当您付费下载文档后,您只拥有了使用权限,并不意味着购买了版权,文档只能用于自身使用,不得用于其他商业用途(如 [转卖]进行直接盈利或[编辑后售卖]进行间接盈利)。
2、本站所有内容均由合作方或网友上传,本站不对文档的完整性、权威性及其观点立场正确性做任何保证或承诺!文档内容仅供研究参考,付费前请自行鉴别。
3、如文档内容存在违规,或者侵犯商业秘密、侵犯著作权等,请点击“违规举报”。

碎片内容

工程空压机安装、压缩空气管道系统施工方案

您可能关注的文档

确认删除?
VIP
微信客服
  • 扫码咨询
会员Q群
  • 会员专属群点击这里加入QQ群
客服邮箱
回到顶部