电脑桌面
添加小米粒文库到电脑桌面
安装后可以在桌面快捷访问

市场监管总局关于特种设备行政许可有关事项的公告VIP专享VIP免费

市场监管总局关于特种设备行政许可有关事项的公告_第1页
1/15
市场监管总局关于特种设备行政许可有关事项的公告_第2页
2/15
市场监管总局关于特种设备行政许可有关事项的公告_第3页
3/15
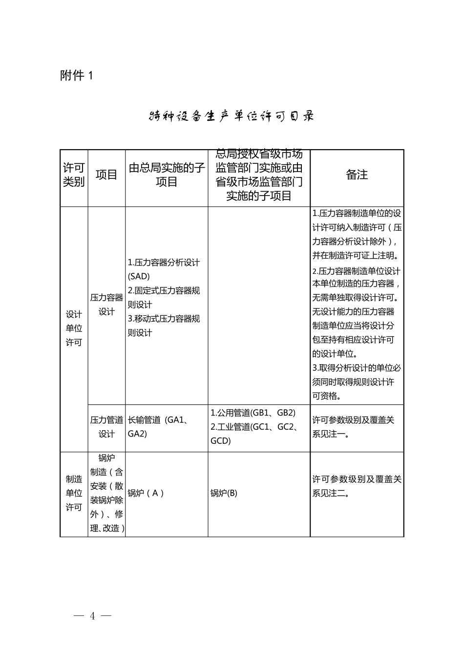
— 3 — 市场监管总局关于特种设备行政许可有关事项的公告 〔2019 年 第3 号〕 为深入贯彻落实《中共中央 国务院关于推进安全生产领域改革发展的意见》及国务院在全国推行“证照分离”改革的要求,推进《特种设备安全监管改革顶层设计方案》实施,有效降低企业制度性交易成本,加强特种设备监管,经广泛征求意见,市场监管总局对现行特种设备生产许可项目、特种设备作业人员和检验检测人员资格认定项目进行了精简整合,制定了《特种设备生产单位许可目录》(附件 1)、《特种设备作业人员资格认定分类与项目》(附件 2)、《特种设备检验检测人员资格认定项目》(附件 3),现予公告。 以上目录和项目自 2019 年6 月 1 日起实施。 《特种设备生产单位许可目录》(附件 1) 《特种设备作业人员资格认定分类与项目》(附件 2) 《特种设备检验检测人员资格认定项目》(附件 3) 市场监管总局 2019 年1 月 16 日 — 4 — 附件1 特种设备生产单位许可目录 许 可类 别 项 目 由 总 局 实 施 的 子项 目 总 局 授 权 省 级 市 场监 管 部 门 实 施 或 由省 级 市 场 监 管 部 门实 施 的 子 项 目 备 注 设 计 单 位 许 可 压 力 容 器设 计 1.压 力 容 器 分 析 设 计(SAD) 2.固 定 式 压 力 容 器 规则 设 计 3.移 动 式 压 力 容 器 规则 设 计 1.压 力 容 器 制 造 单 位 的 设计 许 可 纳 入 制 造 许 可 ( 压力 容 器 分 析 设 计 除 外 ) ,并 在 制 造 许 可 证 上 注 明 。 2 .压 力 容 器 制 造 单 位 设 计本 单 位 制 造 的 压 力 容 器 ,无 需 单 独 取 得 设 计 许 可 。无 设 计 能 力 的 压 力 容 器制 造 单 位 应 当 将 设 计 分包 至 持 有 相 应 设 计 许 可的 设 计 单 位 。 3.取 得 分 析 设 计 的 单 位 必须 同 时 取 得 规 则 设 计 许可 资 格 。 压 力 管 道设 计 长 输 管 道 (GA1、GA2) 1.公用管 道 (GB1、GB2) 2.工业管 道 (GC1、GC2、GCD) 许 可 参数级 别 及覆盖关系见注 一。 制 造 单 位 许 可 锅炉 制 造 ( 含安装( 散装锅炉除外 ) 、修理、改造 ) 锅炉( A) 锅炉(B) 许 可 参数级 别 及覆盖关系见注...

1、当您付费下载文档后,您只拥有了使用权限,并不意味着购买了版权,文档只能用于自身使用,不得用于其他商业用途(如 [转卖]进行直接盈利或[编辑后售卖]进行间接盈利)。
2、本站所有内容均由合作方或网友上传,本站不对文档的完整性、权威性及其观点立场正确性做任何保证或承诺!文档内容仅供研究参考,付费前请自行鉴别。
3、如文档内容存在违规,或者侵犯商业秘密、侵犯著作权等,请点击“违规举报”。

碎片内容

市场监管总局关于特种设备行政许可有关事项的公告

小辰9+ 关注
实名认证
内容提供者

出售各种资料和文档

确认删除?
VIP
微信客服
  • 扫码咨询
会员Q群
  • 会员专属群点击这里加入QQ群
客服邮箱
回到顶部