电脑桌面
添加小米粒文库到电脑桌面
安装后可以在桌面快捷访问

带式运输机传动装置设计二级展开式圆柱齿轮减速器VIP免费

带式运输机传动装置设计二级展开式圆柱齿轮减速器_第1页
1/25
带式运输机传动装置设计二级展开式圆柱齿轮减速器_第2页
2/25
带式运输机传动装置设计二级展开式圆柱齿轮减速器_第3页
3/25
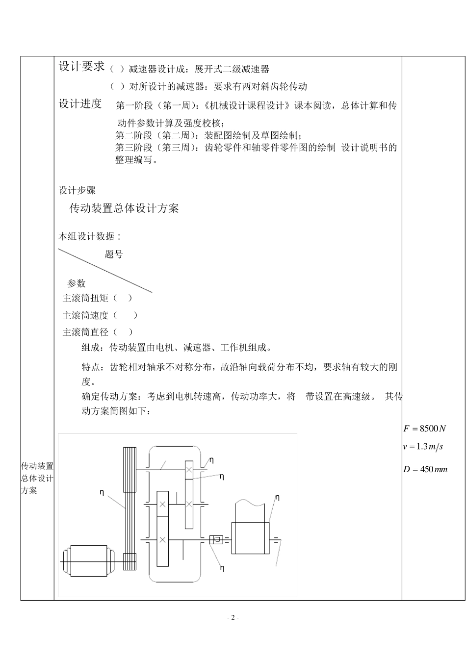
目 录 一、 课程设计任务书 2 二、 设计要求 2 三、 设计步骤 2 1. 传动装置总体设计方案 3 2. 电动机的选择 4 3. 确定传动装置的总传动比和分配传动比 5 4. 计算传动装置的运动和动力参数 5 5. V带和带轮的设计 6 6. 齿轮的设计 8 7. 轴的设计 19 8. 滚动轴承的选择和校核 26 9. 联轴器的选择 27 10.箱体的设计 30 11.润滑与密封的设计 30 四、 设计小结 31 五、 参考资料 32 - 1 - 111 一 课程设计任务书 题目:机械厂装配车间输送带传动装置设计 η 2η 3η 5η 4η 1IIIIIIIVPdPw 图1:(传动装置总体设计图) 工作情况:单向运输、轻度振动、环境温度不超过35℃ 原始数据:主动滚筒扭矩T(N·m):1200; 主动滚筒直径 D(mm):360; 主动滚筒运输带速度V(m/s):0.8; 运动要求:输送带运动速度允许误差不超过5%; 使用寿命(年):十年,每年 350天,每天 16小时; 检修周期:一年小修,两年大修; 生产批量:单件小批生产; 生产长型:中型机械厂。 设计内容 1.电动机选型 2.带传动设计3.减速器设计4.联轴器选型设计 设计任务1.传动装置安装图(可附在说明书内) 2.减速器总装配图一张(0号或 1图纸) 3.零件工作图(齿轮类零件图1张、轴类零件图1张) 4.设计计算说明书一份 - 2 - 传动装置总体设计方案 设计要求(1)减速器设计成:展开式二级减速器 (2)对所设计的减速器:要求有两对斜齿轮传动 设计进度1.第一阶段(第一周):《机械设计课程设计》课本阅读,总体计算和传动件参数计算及强度校核; 2.第二阶段(第二周):装配图绘制及草图绘制; 3.第三阶段(第三周):齿轮零件和轴零件零件图的绘制,设计说明书的整理编写。 设计步骤 1.传动装置总体设计方案: 本组设计数据: 题号 参数 8 主滚筒扭矩(Nm) 1200 主滚筒速度(m/s) 0.8 主滚筒直径(mm) 360 1.组成:传动装置由电机、减速器、工作机组成。 2.特点:齿轮相对轴承不对称分布,故沿轴向载荷分布不均,要求轴有较大的刚度。 3.确定传动方案:考虑到电机转速高,传动功率大,将 V带设置在高速级。 其传动方案简图如下: η 2η 3η 5η 4η 1IIIIIIIVPdPw NF8 5 0 0 smv3.1 mmD4 5 0 - 3 - 2 、电动机的选择 1)选择 电动机 的类型 2)选择 电动机 的容量 3)确定电动机转速 图1:(传动装置总体设计图) 4.选择V 带传动...

1、当您付费下载文档后,您只拥有了使用权限,并不意味着购买了版权,文档只能用于自身使用,不得用于其他商业用途(如 [转卖]进行直接盈利或[编辑后售卖]进行间接盈利)。
2、本站所有内容均由合作方或网友上传,本站不对文档的完整性、权威性及其观点立场正确性做任何保证或承诺!文档内容仅供研究参考,付费前请自行鉴别。
3、如文档内容存在违规,或者侵犯商业秘密、侵犯著作权等,请点击“违规举报”。

碎片内容

带式运输机传动装置设计二级展开式圆柱齿轮减速器

确认删除?
VIP
微信客服
  • 扫码咨询
会员Q群
  • 会员专属群点击这里加入QQ群
客服邮箱
回到顶部