电脑桌面
添加小米粒文库到电脑桌面
安装后可以在桌面快捷访问

带式运输机传动装置设计二级展开式圆柱齿轮减速器机械设计课程设计VIP免费

带式运输机传动装置设计二级展开式圆柱齿轮减速器机械设计课程设计_第1页
1/22
带式运输机传动装置设计二级展开式圆柱齿轮减速器机械设计课程设计_第2页
2/22
带式运输机传动装置设计二级展开式圆柱齿轮减速器机械设计课程设计_第3页
3/22
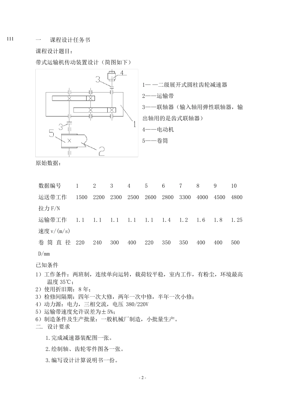
课程设计说明书 课程名称: 机械设计 题目名称: 带式运输机传动装置的设计 班 级 级 专业 班 姓 名: 学 号: 指导教师: 评定成绩: 教师评语: 指导老师签名: 20 年 月 日 - 1 - 目录 一、设计任务书------------------------------------3 二、系统总体方案设计------------------------------4 三、电动机的选择 --------------------------------4 四、传动系统的运动和动力参数计算 -----------------5 五、传动零件的计算 -------------------------------7 六、轴的计算 -------------------------------------12 七、、键连接的选择和计算 --------------------------17 八、减速器附件的选择 ----------------------------17 九、润滑与密封 ----------------------------------19 十、设计小结 ------------------------------------20 十一、参考资料 -----------------------------------21 - 2 - 111 一 课程设计任务书 课程设计题目: 带式运输机传动装置设计(简图如下) 1— —二级展开式圆柱齿轮减速器 2——运输带 3——联轴器(输入轴用弹性联轴器,输 出轴用的是齿式联轴器) 4——电动机 5——卷筒 原始数据: 数据编号 1 2 3 4 5 6 7 8 9 10 运送带工作 拉力F/N 1500 2200 2300 2500 2600 2800 3300 4000 4500 4800 运输带工作 速度v/(m/s) 1.1 1.1 1.1 1.1 1.1 1.4 1.2 1.6 1.8 1.25 卷筒直径D/mm 220 240 300 400 220 350 350 400 400 500 已知条件 1)工作条件:两班制,连续单向运转,载荷较平稳,室内工作,有粉尘,环境最高温度35℃; 2)使用折旧期:8 年; 3)检修间隔期:四年一次大修,两年一次中修,半年一次小修; 4)动力源:电力,三相交流,电压380/220V 5)运输带速度允许误差为±5%; 6)制造条件及生产批量:一般机械厂制造,小批量生产。 二. 设计要求 1.完成减速器装配图一张。 2.绘制轴、齿轮零件图各一张。 3.编写设计计算说明书一份。 - 3 - 1 .传动装置总体设计方案 三. 设计步骤 1. 传动装置总体设计方案 本组设计数据: 第1 组数据: 运送带工作拉力F/N 1500 。 运输带工作速度v/(m/s) 1.1 。 卷筒直径D/mm 220 。 1)减速器为二级展开式圆柱齿轮减速器。 2)方案简图如下图 3) 该方案的优缺点:二级展开式圆柱齿轮减速器具有传递功率大...

1、当您付费下载文档后,您只拥有了使用权限,并不意味着购买了版权,文档只能用于自身使用,不得用于其他商业用途(如 [转卖]进行直接盈利或[编辑后售卖]进行间接盈利)。
2、本站所有内容均由合作方或网友上传,本站不对文档的完整性、权威性及其观点立场正确性做任何保证或承诺!文档内容仅供研究参考,付费前请自行鉴别。
3、如文档内容存在违规,或者侵犯商业秘密、侵犯著作权等,请点击“违规举报”。

碎片内容

带式运输机传动装置设计二级展开式圆柱齿轮减速器机械设计课程设计

确认删除?
VIP
微信客服
  • 扫码咨询
会员Q群
  • 会员专属群点击这里加入QQ群
客服邮箱
回到顶部