电脑桌面
添加小米粒文库到电脑桌面
安装后可以在桌面快捷访问

数控车工普车操作图纸大全VIP免费

数控车工普车操作图纸大全_第1页
1/84
数控车工普车操作图纸大全_第2页
2/84
数控车工普车操作图纸大全_第3页
3/84
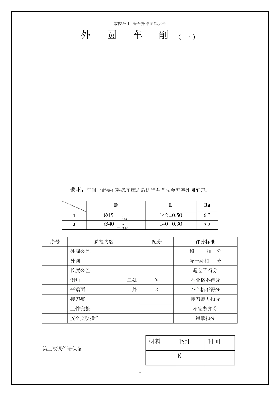
数控车工 普车操作图纸大全 1 外 圆 车 削 (一) 要求:车削一定要在熟悉车床之后进行并首先会刃磨外圆车刀。 D L Ra 1 Ø4 5 — 0 0 .1 0 1 4 2 ±0 .5 0 6 .3 2 Ø4 0 — 0 0 .1 0 1 4 0 ±0 .3 0 3 .2 序号 质检内容 配分 评分标准 1 外圆公差 30 超0.02扣5分 2 外圆RX6.3 20 降一级扣10分 3 长度公差 10 超差不得分 4 倒角 二处 5×2 不合格不得分 5 平端面 二处 5×2 不合格不得分 6 接刀痕 5 接刀痕大扣分 7 工件完整 5 不完整扣分 8 安全文明操作 10 违章扣分 第三次课件请保留 材料 毛坯 时间 45 Ø50x145 数控车工 普车操作图纸大全 2 阶 台 车 削 (二) 序号 质检内容 配分 评分标准 1 外圆公差 三处 10x3 超0.01扣2分 2 外圆Ra3.2 三处 6x3 降一级扣3分 3 长度公差 三处 4x3 超差不得分 4 倒角 二处 3x2 不合格不得分 5 平端面 二处 4x2 不合格不得分 6 清角去锐边 四处 2x4 不合格不得分 7 工件完整 5 不完整扣分 8 安全操作 10 违章扣分 材料 毛坯 时间 45 Ø50x150 数控车工 普车操作图纸大全 3 多 阶 台 车 削 (三) 序号 质检内容 配分 评分标准 1 外圆公差 六处 5x6 超0.01扣2分,超0.02不得分 2 外圆Ra3.2 六处 3x6 降一级扣2分 3 长度公差 六处 3x6 超差不得分 4 倒角 二处 2x2 不合格不得分 5 清角去锐边 十处 10 不合格不得分 6 平端面 二处 2x2 不合格不得分 7 工件外观 6 不完整扣分 8 安全文明操作 10 违章扣分 此件用上次课件改制 材料 毛坯 时间 45 数控车工 普车操作图纸大全 4 一夹一顶车削(四) 序号 质检内容 配分 评分标准 1 外圆公差 四处 8x4 超0.01扣2分,超0.02不得分 2 外圆Ra3.2 四处 4x4 降一级扣2分 3 长度公差 四处 3x4 超差不得分 4 倒角 二处 3x2 不合格不得分 5 清角 二处 2x3 不合格不得分 6 平端面 二处 3x2 不合格不得分 7 中心孔 5 不合格不得分 8 工件外观 7 不完整扣分 9 安全文明操作 10 违章扣分 要求:会正确使用A.B型中心钻。会使用活顶尖 此件用课件(三)改制 材料 毛坯 时间 45 数控车工 普车操作图纸大全 5 矩形槽车削(五) 序号 质检内容 配分 评分标准 1 外圆公差 四处 6x4 超0.01扣2...

1、当您付费下载文档后,您只拥有了使用权限,并不意味着购买了版权,文档只能用于自身使用,不得用于其他商业用途(如 [转卖]进行直接盈利或[编辑后售卖]进行间接盈利)。
2、本站所有内容均由合作方或网友上传,本站不对文档的完整性、权威性及其观点立场正确性做任何保证或承诺!文档内容仅供研究参考,付费前请自行鉴别。
3、如文档内容存在违规,或者侵犯商业秘密、侵犯著作权等,请点击“违规举报”。

碎片内容

数控车工普车操作图纸大全

您可能关注的文档

确认删除?
VIP
微信客服
  • 扫码咨询
会员Q群
  • 会员专属群点击这里加入QQ群
客服邮箱
回到顶部