电脑桌面
添加小米粒文库到电脑桌面
安装后可以在桌面快捷访问

文件控制程序VIP专享VIP免费

文件控制程序_第1页
1/7
文件控制程序_第2页
2/7
文件控制程序_第3页
3/7
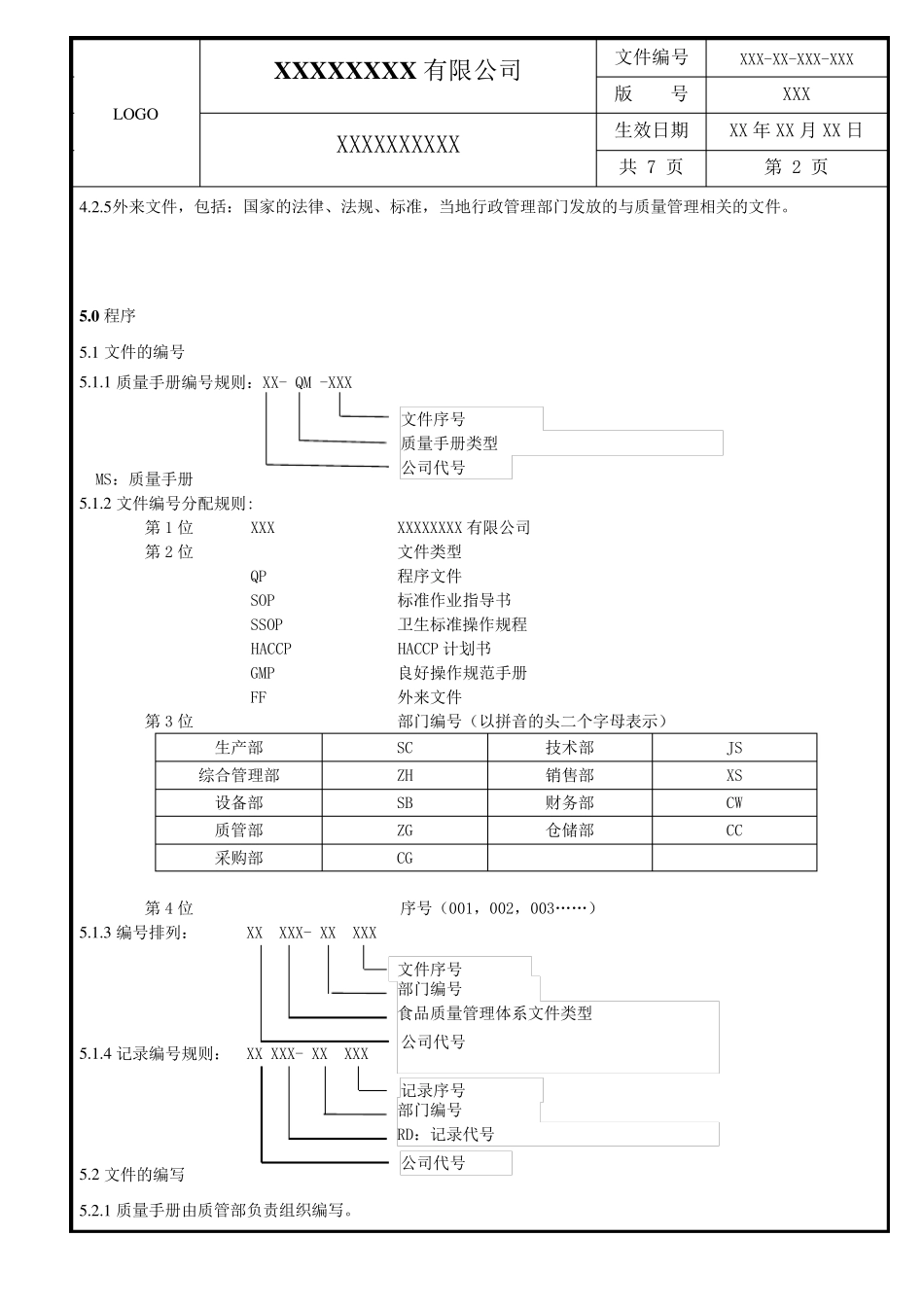
LOGO X X X X X X X X 有限公司 文件编号 XXX-XX-XXX-XXX 版 号 XXX XXXXXXXXXX 生效日期 XX 年XX 月XX 日 共 7 页 第 1 页 文件控制程序 1.0 目的 统一规范公司管理体系文件和资料的管理,确保公司管理体系所要求的文件得到有效控制,防止使用失效或作废的文件,使管理体系有效运行。 2.0 范围 适用于公司管理体系运行过程中覆盖的所有部门和不同层次的生产单位正在使用时管理体系文件的控制,包括外来文件和资料。 3.0 职责 3.1 总经理:负责批准发布所有管理体系文件。 3.2 管理者代表:负责审核质量手册、程序文件;当部门不存在对应主管的副总经理时,相关管理体系文件由管理者代表审核。 3.3 副总经理:除质量手册、程序文件外的其他管理体系文件,由主管各部门的副总经理审核。 3.4 各部门负责本部门作业指导书、操作规程与规范、管理办法、规定、条例等管理体系文件的编制以及质量记录的编制、使用和更改;各部门主管负责初审。 3.5 质管部负责质量管理体系文件发放、回收管理;负责质量手册、程序文件的组织与编制;负责所有受控文件审批前的格式确认;负责新增文件编号的制定。 3.6 综合部负责管理体系文件的保管,作废文件的销毁。 4.0 术语和定义 4.1 文件定义 4.1.1 受控文件:“受控”一般是指发放和更改受到控制的文件文本,受控文本的发放对象为各执行部门/人员、认证机构等;受更改控制的文件,盖有红 色 “受控文件”印 章 标 识 ,发放时应作登 记及签 收,正本更改生效后 ,应回收过时正本进 行作废处 理。 4.1.2 非 受控文件:除“受控”文件外所有文件均 为“非 受控”文件。 4.2 质量管理体系文件分 类 4.2.1 公司的管理手册( 含 公司的管理方 针 和管理目标 )。 4.2.2 公司管理体系程序文件。 4.2.3 公司管理体系操作性 文件,如 管理制度 、作业指导书、操作规范、管理办法、规定、条例等。 4.2.4 公司管理体系运行产生的记录。 LOGO X X X X X X X X 有限公司 文件编号 XXX-XX-XXX-XXX 版 号 XXX XXXXXXXXXX 生效日期 XX 年XX 月XX 日 共 7 页 第 2 页 4.2.5 外来文件,包括:国家的法律、法规、标准,当地行政管理部门发放的与质量管理相关的文件。 5.0 程序 5.1 文件的编号 5.1.1 质量手册编号规则:XX- QM -XXX MS:质量手册 5.1.2 文件编号分配规则: 第1 位 XXX XXXXXXXX ...

1、当您付费下载文档后,您只拥有了使用权限,并不意味着购买了版权,文档只能用于自身使用,不得用于其他商业用途(如 [转卖]进行直接盈利或[编辑后售卖]进行间接盈利)。
2、本站所有内容均由合作方或网友上传,本站不对文档的完整性、权威性及其观点立场正确性做任何保证或承诺!文档内容仅供研究参考,付费前请自行鉴别。
3、如文档内容存在违规,或者侵犯商业秘密、侵犯著作权等,请点击“违规举报”。

碎片内容

文件控制程序

确认删除?
VIP
微信客服
  • 扫码咨询
会员Q群
  • 会员专属群点击这里加入QQ群
客服邮箱
回到顶部