电脑桌面
添加小米粒文库到电脑桌面
安装后可以在桌面快捷访问

建筑施工企业安全生产标准化2020年自评情况表VIP免费

建筑施工企业安全生产标准化2020年自评情况表_第1页
1/8
建筑施工企业安全生产标准化2020年自评情况表_第2页
2/8
建筑施工企业安全生产标准化2020年自评情况表_第3页
3/8
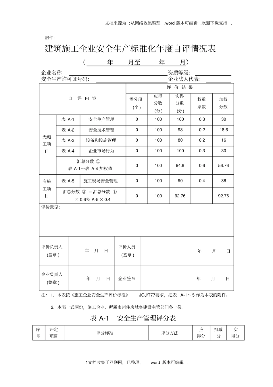
文档来源为 :从网络收集整理.word 版本可编辑 .欢迎下载支持 . 1文档收集于互联网,已整理,word 版本可编辑 . 附件 : 建筑施工企业安全生产标准化年度自评情况表(年月至年月)企业名称:资质等级:安全生产许可证号码:企业法人代表:自评 内 容评 价 结 果零分项(个 ) 应得分数(分) 实得分数(分) 权重系数加权分数无施工项目表 A-1 安全生产管理0 100 100 0.3 30 表 A-2 安全技术管理0 100 93 0.2 18.6 表 A-3 设备和设施管理0 100 80 0.2 16 表 A-4 企业市场行为0 100 100 0.3 30 汇总分数 ①=表 A-1~表 A-4 加权值0 100 94.6 0.6 56.76 有施工项目表 A-5 施工现场安全管理0 100 90 0.4 36 汇总分数 ② =汇总分数 ①× 0.6+表 A-5 × 0.4 0 100 92.76 92.76 评价意见:评价负责人(签章 ) 年月日评价人员(签章 ) 年月日企业负责人(签章 ) 年月日企业签章年月日注: 1、本表按《施工企业安全生产评价标准》JGJ/T77要求,把表A-1~5 作为本表的附件。2、本表一式两份,施工企业、所属市州住房城乡建设主管部门各一份。表 A-1 安全生产管理评分表序号评定项目评分标准评分方法应得分扣减分实得分文档来源为 :从网络收集整理.word 版本可编辑 .欢迎下载支持 . 2文档收集于互联网,已整理,word 版本可编辑 . 1安全生产责任制度· 企业未建立安全生产责任制度,扣20分,各部门、 各级 (岗位 )安全生产责任制度不健全,扣10~15 分;· 企业未建立安全生产责任制考核制度,扣 10 分,各部门、各级对各自安全生产责任制未执行,每起扣2 分;· 企业未按考核制度组织检查并考核的,扣 10 分,考核不全面扣5~10 分;· 企业未建立、完善安全生产管理目标,扣 10 分,未对管理目标实施考核的,扣5~10 分;· 企业未建立安全生产考核、奖惩制度扣 10 分,未实施考核和奖惩的,扣5~10 分查企业有关制度文本;抽查企业各部门、所属单位有关责任人对安全生产责任制的知晓情况, 查确认记录, 查企业考核记录。查企业文件, 查企业对下属单位各级管理目标设置及考核情况记录; 查企业安全生产奖惩制度文本和考核、 奖惩记录200202安全文明资金保障制度· 企业未建立安全生产、文明施工资金保障制度扣20 分;· 制度无针对性和具体措施的,扣10~15 分;· 未按规定对安全生产、文明施工措施费的落实情况进行考核,扣10~15...

1、当您付费下载文档后,您只拥有了使用权限,并不意味着购买了版权,文档只能用于自身使用,不得用于其他商业用途(如 [转卖]进行直接盈利或[编辑后售卖]进行间接盈利)。
2、本站所有内容均由合作方或网友上传,本站不对文档的完整性、权威性及其观点立场正确性做任何保证或承诺!文档内容仅供研究参考,付费前请自行鉴别。
3、如文档内容存在违规,或者侵犯商业秘密、侵犯著作权等,请点击“违规举报”。

碎片内容

建筑施工企业安全生产标准化2020年自评情况表

您可能关注的文档

确认删除?
VIP
微信客服
  • 扫码咨询
会员Q群
  • 会员专属群点击这里加入QQ群
客服邮箱
回到顶部