电脑桌面
添加小米粒文库到电脑桌面
安装后可以在桌面快捷访问

A安全生产检查电子表VIP免费

A安全生产检查电子表_第1页
1/19
A安全生产检查电子表_第2页
2/19
A安全生产检查电子表_第3页
3/19
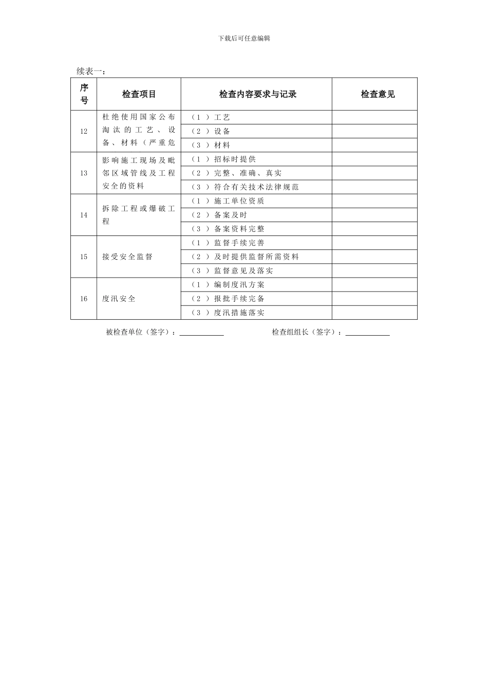
下载后可任意编辑附 表 一 : 项 目 法 人 安 全 生 产 检 查表序号检查项目检查内容要求与记录检查意见1安 全 生 产 管 理 制度行 文 明 确 本 单 位 适 用 的 工 程 建 设 安 全 生产 的 规 章 、 法 律 规 范 性 文 件 、 技 术 标准 , 制 定 本 工 程 建 设 项 目 相 关 安 全 生 产管 理 制 度2安 全 生 产 管 理 机构按 规 定 设 置 安 全 生 产 管 理 机 构 、 配 备 专职 或 兼 职 安 全 管 理 人 员3安 全 生 产 责 任 制( 1 ) 相 关 人 员 职 责 和 权 力 、 义 务 明 确( 2 ) 检 查 合 同 单 位 安 全 生 产 责 任 制( 分 解 到 各 相 关 岗 位 和 人 员 )4安 全 生 产 例 会( 1 ) 按 期 召 开 例 会( 2 ) 适 时 召 开 安 全 生 产 专 题 会 议( 3 ) 会 议 记 录 完 整( 4 ) 会 议 要 求 落 实5施 工 单 位 安 全 生产 许 可 证( 1 ) 资 格 审 查 时 已 对 安 全 生 产 许 可 证进 行 审 查( 2 ) 对 分 包 单 位 安 全 生 产 许 可 证 进 行审 查( 3 ) 建 设 过 程 中 安 全 生 产 许 可 证 有 效性 审 查6“ 三 类 人 员 ” 安全 生 产 考 核 合 格证( 1 ) 进 场 时 , 核 查 “ 三 类 人 员 ” 安全 生 产 考 核 合 格 证( 2 ) 建 设 过 程 中 新 进 人 员 安 全 生 产 考核 合 格 证 核 查( 3 ) 建 设 过 程 中 安 全 合 格 证 的 有 效 性核 查7安 全 施 工 措 施 费用 使 用( 1 ) 招 标 文 件 明 确( 2 ) 建 设 过 程 中 落 实8生 产 安 全 事 故 应急 预 案 管 理( 1 ) 预 案 完 整 并 具 有 可 操 作 性( 2 ) 本 单 位 预 案 与 其 它 相 关 预 案 衔 接合 理( 3 ) 按 期 演 练下载后可任意编辑( 4 ) 应 急 管 理 队 伍 完 整( 5 ) 应 急 通 讯 录 完 整 、 更 新 及 时( 6 ) 督 促 相 关 单 位 制 定 预 案9保 证 安 全 生 产 的措 施 方 案( 1 ) 备 案 及 时( 2 ) 内 容 完 整( 3 )...

1、当您付费下载文档后,您只拥有了使用权限,并不意味着购买了版权,文档只能用于自身使用,不得用于其他商业用途(如 [转卖]进行直接盈利或[编辑后售卖]进行间接盈利)。
2、本站所有内容均由合作方或网友上传,本站不对文档的完整性、权威性及其观点立场正确性做任何保证或承诺!文档内容仅供研究参考,付费前请自行鉴别。
3、如文档内容存在违规,或者侵犯商业秘密、侵犯著作权等,请点击“违规举报”。

碎片内容

A安全生产检查电子表

确认删除?
VIP
微信客服
  • 扫码咨询
会员Q群
  • 会员专属群点击这里加入QQ群
客服邮箱
回到顶部