电脑桌面
添加小米粒文库到电脑桌面
安装后可以在桌面快捷访问

C组填料试验段施工方案VIP免费

C组填料试验段施工方案_第1页
1/9
C组填料试验段施工方案_第2页
2/9
C组填料试验段施工方案_第3页
3/9
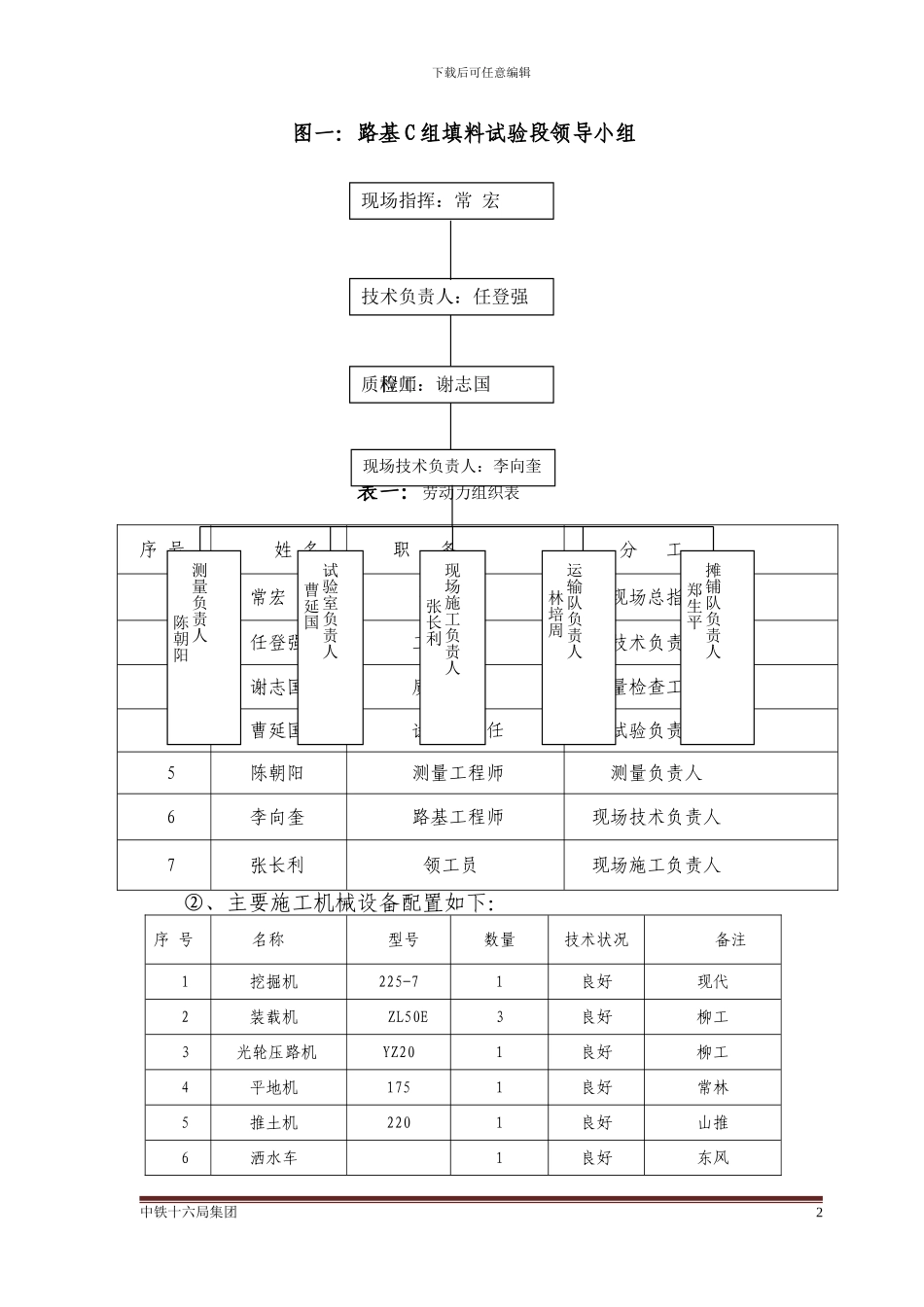
下载后可任意编辑路基填筑试验段施工方案一、工程概况新建兰州至重庆铁路站前工程(路基、桥涵、隧道)LYS-2 标段中铁十六局兰渝铁路项目部七分部,位于定西市渭源县境内,里程范围为DK103+150~DK119+052,正线长 15.9km,区段内路基总长 3.8km。其中路基填筑(C 组填料)26.7 万立方米,本次路基填筑地点选定在DK104+620~DK104+450 段,170 米长,平均宽度为 35.2 米。试验成功后以指导大面积的施工。该段工程地质为秦祁河一、二级阶地。第四系全新统冲积砂质黄土具湿陷性,湿陷类型表现为自重,湿陷等级为 2-4 级,湿陷厚度 4—20 米、粗粒土,上第三系砂岩。地下水位埋藏较深。二、编制依据 2.1、已有的设计图纸、定型图、标准图数据和设计技术交底。 2.2、本地区自然环境、气候条件和资源条件。2.3、本段现场调查的相关资料。2.4、《兰渝铁路 2 标指挥部总体实施性施工组织设计》。三、试验段目的在进行大面积施工之前,为了验证人员机械组成设计、素土最佳含水量的控制方法;以及验证压实机械的最佳组合和碾压遍数、大面积铺筑的松铺系数;确定运输车的数量、以及每天工作的作业段长度;检验各项资源配置、质量保证体系等是否符合施工生产需要,以便合理科学地指导路基填筑大面积施工,我部拟于 2024 年 8 月 4 日在 DK104+620~DK104+450 段进行路基 C 组填料试验段铺筑。四、施工准备与劳动力组织为优质高效的完成本试验段路基填筑的施工,我分部在工程技术上已做好了充分的准备。已完成路基原地面复测及中线放样备有足够的技术人员在现场进行技术指导。为确保试验段施工有序、顺利进行,项目部成立了路基 C 组填料试验段铺筑领导小组(见图一)。编制了相应的施工作业指导书,并召集有关负责人进行了分析讨论,对所有施工人员进行了详细的技术交底,对人员定位、机械设备的组合做了仔细的布置安排,同时在施工前对所有设备进行了保养试运行。拟定的现场劳动力组织见下页表 1。五、机械设备与检测仪器配置目前,基床以下部分施工机械设备已全部到位,人员机械已进场,已对土场进行取样,经实验室对素土分析,测定该土为湿陷性黄土,天然含水量较低,土质纯净,有机质含量小,满足铺筑要求,现场施工设备(推土机、平地机、装载机、压路机等机械)全部安置就位,状况良好。六、试验段施工准备6.1、原材料的检验目前我部已经完成了原材料的检验,并通过了监理工程师批复。①、土:采纳本标段挖方段土源,储量丰...

1、当您付费下载文档后,您只拥有了使用权限,并不意味着购买了版权,文档只能用于自身使用,不得用于其他商业用途(如 [转卖]进行直接盈利或[编辑后售卖]进行间接盈利)。
2、本站所有内容均由合作方或网友上传,本站不对文档的完整性、权威性及其观点立场正确性做任何保证或承诺!文档内容仅供研究参考,付费前请自行鉴别。
3、如文档内容存在违规,或者侵犯商业秘密、侵犯著作权等,请点击“违规举报”。

碎片内容

C组填料试验段施工方案

您可能关注的文档

文森传品+ 关注
实名认证
内容提供者

一家传播文化教育的小店,资料丰富,随意挑选。

确认删除?
VIP
微信客服
  • 扫码咨询
会员Q群
  • 会员专属群点击这里加入QQ群
客服邮箱
回到顶部