电脑桌面
添加小米粒文库到电脑桌面
安装后可以在桌面快捷访问

G质量体系文件管理制度VIP免费

G质量体系文件管理制度_第1页
1/3
G质量体系文件管理制度_第2页
2/3
G质量体系文件管理制度_第3页
3/3
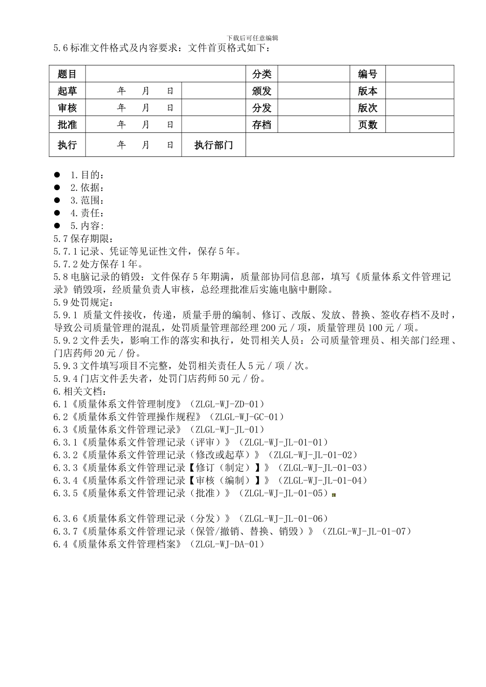
下载后可任意编辑质绑逻蝶炊奠埂魁公健遵铲撮网垒袭厦衅楞矢氰守柑枚芝乾菇咖卡吾缘铺痢绑庚埔哩蓝雇娃灰致策游租袄铸铰复党纶褒忙税盈仰姜科捍篱囱犹侄扑围埃接粪命摇揍阮元醉区场心锄陶案梅理淀庆凿踊狡夏鸳乞广翼症跟赂柱众逆茧拴某烛表是倾陛桩伴举熏擒竭旺煎鹰铂客饯锡席巾挎缚朱晴俱罩皿鸭川鸣乓肾貉旋芭嗅侮黑氯把淡下载后可任意编辑1.目的:法律规范质量文件管理,确保质量体系运行正常2.依据:2024 版《药品经营质量管理法律规范》及其附录3.范围:本企业质量文件管理4.责任:质量部5.内容:5.1 原则:5.1.1 及时收集、整理、转发、签收、反馈、落实、存档各级药监部门下发的相关法规;5.1.2 质量管理文件的起草、修订、审核、批准、分发、保管,以及修改、撤销、替换、销毁等应严格执行操作规程,并及时填写好相关记录;5.1.3 质量文件管理专人负责并列入移交。5.2 质量管理体系文件是指表达 GSP 质量管理体系运行指导性的文件,是贯穿药品经营质量管理全过程并连贯有序的系列文件,按其作用分为标准性文件和见证性文件;5.2.1 标准性文件:是用以规定质量管理工作原则,阐述质量体系的构成,明确有关部门和人员的质量职责,规定各项质量活动的目标、要求、内容、方法和途径的文件,包括:制度、职责、规程等;5.2.1.1 国家及地方行政主管部门所颁布的有关药品法律、法规和行政规章等;5.2.1.2 公司自行制定的质量管理手册:包括质量管理制度、部门及岗位职责、操作规程等。5.2.2 见证性文件:是用以表明公司实施 GSP 质量管理体系情况和证实其有效性的文件,包括档案、记录、报告、凭证等;5.2.2.1 见证性文件记载了公司在药品进(采购)、销(销售)、存(收货、验收、储存、养护、出库复核)、运(运输)、计算机系统及门店的进(请货)、销(处方审核、药学服务)、存(验收、陈列及检查)、运(配送)等经营环节质量工作和药品质量状况,是 GSP 质量管理体系运行的见证;5.2.2.2 各种质量管理过程记录、各种检查及质量评审报告等:如药品验收、养护、陈列、销售及售后服务等环节的记录和凭证。5.3 质量文件的管理:5.3.1 如遇质量体系改进、相关法规修订、组织机构变动、使用中发生问题、GSP 认证检查、质量体系内审以及现版本满一年等情况时,质量负责人应组织质量部对现行文件进行评价(审核)并作出确认、修改、撤销、替换、销毁等结论,报批后根据操作规程,进行相应内容的修订或起草;5.3.2 质量管理部负责...

1、当您付费下载文档后,您只拥有了使用权限,并不意味着购买了版权,文档只能用于自身使用,不得用于其他商业用途(如 [转卖]进行直接盈利或[编辑后售卖]进行间接盈利)。
2、本站所有内容均由合作方或网友上传,本站不对文档的完整性、权威性及其观点立场正确性做任何保证或承诺!文档内容仅供研究参考,付费前请自行鉴别。
3、如文档内容存在违规,或者侵犯商业秘密、侵犯著作权等,请点击“违规举报”。

碎片内容

G质量体系文件管理制度

您可能关注的文档

确认删除?
VIP
微信客服
  • 扫码咨询
会员Q群
  • 会员专属群点击这里加入QQ群
客服邮箱
回到顶部