电脑桌面
添加小米粒文库到电脑桌面
安装后可以在桌面快捷访问

ISO9001质量管理体系内审考核细则-3VIP免费

ISO9001质量管理体系内审考核细则-3_第1页
1/4
ISO9001质量管理体系内审考核细则-3_第2页
2/4
ISO9001质量管理体系内审考核细则-3_第3页
3/4
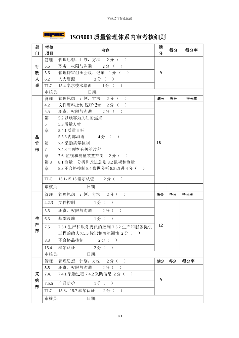
1/3下载后可任意编辑 ISO9001 质量管理体系内审考核细则部门考核项目内容满分得分得分率行政人事管理管理思想,计划,方法 2 分 ( )95.5职责、权限与沟通 2 分 ( )5.6管理评审组织会议、记录 1 分 ( )6.2人力资源 3 分 ( )TLC15.4 泰尔技术培训 1 分 ( )审核员: 日期:品管部管理管理思想,计划,方法 2 分 ( )满分得分得分率4.2文件资料控制 程序记录 2 分 ( )185.5职责、权限与沟通 2 分 ( )第5章5.2 以顾客为关注的焦点 5.3 质量方针5.4.1 质量目标5.5.3 内部沟通 4 分 ( ) 第7章7.4 采购质量控制 7.4.3 与顾客有关的过程7.6 监视和测量装置控制 2 分( )第 8章8.1 测量、分析和改进总则 8.2 监视和测量8.3 不合格控制 8.4 数据分析 8.5 改进 4 分( )TLC15.1-15.15 泰尔认证 2 分( )审核员: 日期:生产部管理管理思想,计划,方法 2 分( )满分得分得分率4.2.3文件控制 1 分( )125.5职责、权限与沟通 2 分( )6.3基础设施 1 分( )7.57.5.1 生产和服务提供的控制 7.5.2 生产和服务提供过程的确认 7.5.3 标识和可追溯性 2 分( )8.3不合格品控制 2 分( )15.4泰尔认证 2 分( )审核员: 日期:采购部管理管理思想,计划,方法 2 分( )满分得分得分率5.5职责、权限与沟通 2 分( )97.4.7.4.1 采购过程 7.4.2 采购信息 2 分( )7.5.5产品防护 1 分( )TLC15.3、15.7 泰尔认证 2 分( )审核员: 日期:2/3下载后可任意编辑物流部管理管理思想,计划,方法 2 分( )满分得分得分率5.5职责、权限与沟通 2 分( )97.57.5.3 标识和可追溯 7.5.5 产品防护 2 分( )8.3不合格品控制 1 分( )8.5.2纠正措施 1 分( )TLC15.7、15.11 泰尔认证 1 分( )审核员: 日期:技术部管理管理思想,计划,方法 2 分( )满分得分得分率4.2.4记录控制 2 分( )5.5职责、权限与沟通 2 分( )165.4.1 质量目标 2 分( )第7章7.1 产品实现策划 7.4.1 采购过程 7.5.1 生产和服务的提供7.5.2 生产和服务提供过程的确认 4 分( )8.3不合格品控制 2 分( )TLC15.3、15.4、15.5、15.7 泰尔认证 2 分( )审核员: 日期:营销部 管理管理思想,计划,方法 2 分( )满分得分得分率5.5职责、权限与沟通 2 分( )127.2.7.2.1 与产品...

1、当您付费下载文档后,您只拥有了使用权限,并不意味着购买了版权,文档只能用于自身使用,不得用于其他商业用途(如 [转卖]进行直接盈利或[编辑后售卖]进行间接盈利)。
2、本站所有内容均由合作方或网友上传,本站不对文档的完整性、权威性及其观点立场正确性做任何保证或承诺!文档内容仅供研究参考,付费前请自行鉴别。
3、如文档内容存在违规,或者侵犯商业秘密、侵犯著作权等,请点击“违规举报”。

碎片内容

ISO9001质量管理体系内审考核细则-3

您可能关注的文档

确认删除?
VIP
微信客服
  • 扫码咨询
会员Q群
  • 会员专属群点击这里加入QQ群
客服邮箱
回到顶部