电脑桌面
添加小米粒文库到电脑桌面
安装后可以在桌面快捷访问

混凝土养护记录表VIP免费

混凝土养护记录表_第1页
1/30
混凝土养护记录表_第2页
2/30
混凝土养护记录表_第3页
3/30
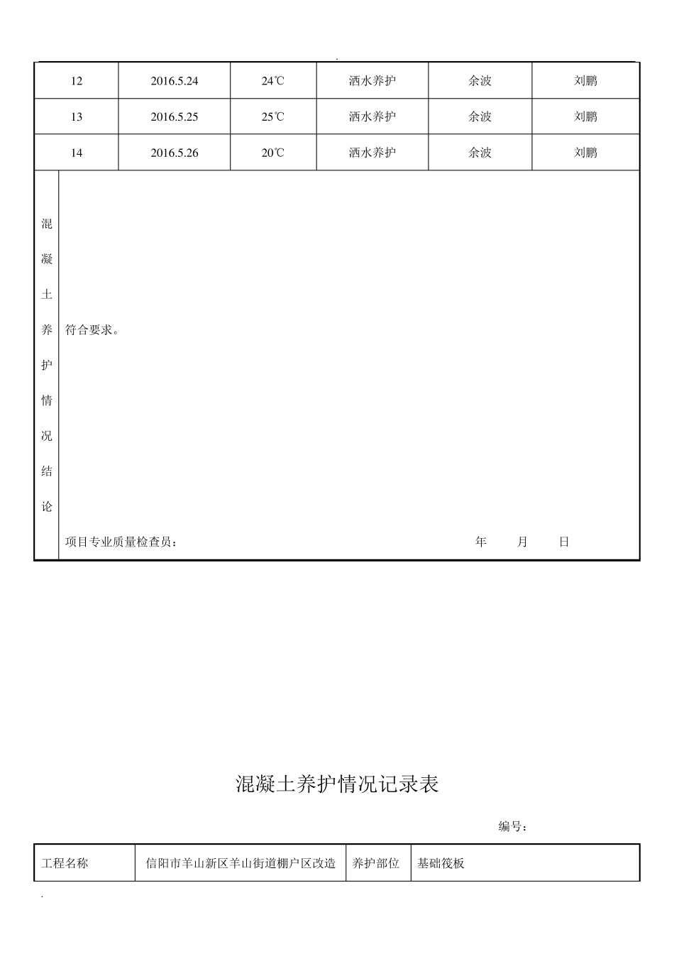
. . 混凝土养护情况记录表 编号: 工程名称 信阳市羊山新区羊山街道棚户区改造安置房项目A 区2#楼 养护部位 垫层 混凝土强度等级 C15 抗渗等级 / 施工方式 混凝土浇筑开始时间 2016.5.13 混凝土浇筑完毕时间 2016.5.13 第一次 养护时间 2016.5.13 养护方式 洒水养护 养护天数 14 天 第一次 荷载时间 日 常 养 护 记 录 工作日 日期 日平均气温 养护方法 养护人签名 见证人签名 1 2016.5.13 20℃ 洒水养护 余波 刘鹏 2 2016.5.14 17℃ 洒水养护 余波 刘鹏 3 2016.5.15 18℃ 洒水养护 余波 刘鹏 4 2016.5.16 21℃ 洒水养护 余波 刘鹏 5 2016.5.17 23℃ 洒水养护 余波 刘鹏 6 2016.5.18 22℃ 洒水养护 余波 刘鹏 7 2016.5.19 23℃ 洒水养护 余波 刘鹏 8 2016.5.20 18℃ 洒水养护 余波 刘鹏 9 2016.5.21 18℃ 洒水养护 余波 刘鹏 10 2016.5.22 20℃ 洒水养护 余波 刘鹏 11 2016.5.23 21℃ 洒水养护 余波 刘鹏 . . 1 2 2 0 1 6 .5 .2 4 2 4 ℃ 洒水养护 余波 刘鹏 1 3 2 0 1 6 .5 .2 5 2 5 ℃ 洒水养护 余波 刘鹏 1 4 2 0 1 6 .5 .2 6 2 0 ℃ 洒水养护 余波 刘鹏 混 凝 土养护情况结论 符合要求。 项目专业质量检查员: 年 月 日 混凝土养护情况记录表 编号: 工程名称 信阳市羊山新区羊山街道棚户区改造养护部位 基础筏板 . . 安置房项目A 区2#楼 混凝土强度等级 C30 抗渗等级 P6 施工方式 混凝土浇筑开始时间 2016.6.4 混凝土浇筑完毕时间 2016.6.4 第一次 养护时间 2016.6.4 养护方式 洒水养护 养护天数 14 天 第一次 荷载时间 日 常 养 护 记 录 工作日 日期 日平均气温 养护方法 养护人签名 见证人签名 1 2016.6.4 25℃ 洒水养护 余波 刘鹏 2 2016.6.5 25℃ 洒水养护 余波 刘鹏 3 2016.6.6 24℃ 洒水养护 余波 刘鹏 4 2016.6.7 25℃ 洒水养护 余波 刘鹏 5 2016.6.8 25℃ 洒水养护 余波 刘鹏 6 2016.6.9 25℃ 洒水养护 余波 刘鹏 7 2016.6.10 28℃ 洒水养护 余波 刘鹏 8 2016.6.11 27℃ 洒水养护 余波 刘鹏 9 2016.6.12 27℃ 洒水养护 余波 刘鹏 10 2016.6.13 29℃ 洒水养护 余波 刘鹏 11 2016.6.14 29℃ 洒水养护 余波 刘鹏 12 2016.6.15 24℃ 洒水养护 余...

1、当您付费下载文档后,您只拥有了使用权限,并不意味着购买了版权,文档只能用于自身使用,不得用于其他商业用途(如 [转卖]进行直接盈利或[编辑后售卖]进行间接盈利)。
2、本站所有内容均由合作方或网友上传,本站不对文档的完整性、权威性及其观点立场正确性做任何保证或承诺!文档内容仅供研究参考,付费前请自行鉴别。
3、如文档内容存在违规,或者侵犯商业秘密、侵犯著作权等,请点击“违规举报”。

碎片内容

混凝土养护记录表

确认删除?
VIP
微信客服
  • 扫码咨询
会员Q群
  • 会员专属群点击这里加入QQ群
客服邮箱
回到顶部