电脑桌面
添加小米粒文库到电脑桌面
安装后可以在桌面快捷访问

港口门座起重机VIP免费

港口门座起重机_第1页
1/54
港口门座起重机_第2页
2/54
港口门座起重机_第3页
3/54
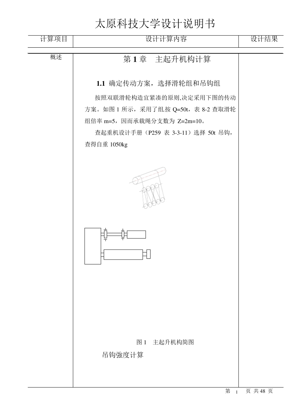
太原科技大学设计说明书 计算项目 设计计算内容 设计结果 第 1 页 共48 页 概述 第1 章 主起升机构计算 1 .1 确定传动方案,选择滑轮组和吊钩组 按照双联滑轮构造宜紧凑的原则,决定采用下图的传动方案。如图1 所示,采用了组.按Q=50t,表 8-2 查取滑轮组倍率 m=5,因而承载绳分支数为 Z=2m=10。 查起重机设计手册(P259 表 3-3-11)选择50t吊钩,查得自重 1050kg 图1 主起升机构简图 吊钩強度计算 太原科技大学设计说明书 计算项目 设计计算内容 设计结果 第 2 页 共48 页 1. Q =5000 ㎏ 2. 吊钩开口直径 d =200mm b1=134mm 2b =53.6mm h=200mm 3.8532006.531346.5321343221211hbbbbemm A= 3211876022006.531342mmhbb mmeaR3.1853.85100210 12ehe=200-85.3=114.7mm 强度等级为 S asMP390钢号 DG39CrM0 钩号 32 由课程设计P232 查出  ns =3.1390 =300MaP 货场起重机级别 HC3 起升动载系数2 =q2min2=1.15+0.5121.16081.7 太原科技大学设计说明书 计算项目 设计计算内容 设计结果 第 3 页 共 48 页 起 升 机构 卷 筒 的设计计算 1221020202122102bbeReRneRhbbbabbRKB = 16.5313436.531345.16.536.531342003.1852n =0.096 aBQMPaAKeP4.286200096.0187603.85250000021.12121<  =300 MaP aBQMPhaAKeP8.1272002200096.0187607.114250000021.122222 2 吊钩第 І 剖面 b1=134mm 2b =53.6mm h=200mm max=45 aBQMPaAKeP7.142200096.0187603.8550000021.1123<  =300 MaP aBQMPhaAKeP9.632002200096.0187607.11450000021.12224<  =300 MaP 截面校核通过 太原科技大学设计说明书 计算项目 设计计算内容 设计结果 第 4 页 共48 页 2.尾部螺纹部分强度验算 螺纹尾部拉应力2.8248.9614.350000021.142222QQPAP MaP  ns =5.974390  MaP 螺母高度验算 螺母高度,主要由螺纹间挤压应力决定 42322ddZPQj=QQMPddtHP4.22981...

1、当您付费下载文档后,您只拥有了使用权限,并不意味着购买了版权,文档只能用于自身使用,不得用于其他商业用途(如 [转卖]进行直接盈利或[编辑后售卖]进行间接盈利)。
2、本站所有内容均由合作方或网友上传,本站不对文档的完整性、权威性及其观点立场正确性做任何保证或承诺!文档内容仅供研究参考,付费前请自行鉴别。
3、如文档内容存在违规,或者侵犯商业秘密、侵犯著作权等,请点击“违规举报”。

碎片内容

港口门座起重机

您可能关注的文档

确认删除?
VIP
微信客服
  • 扫码咨询
会员Q群
  • 会员专属群点击这里加入QQ群
客服邮箱
回到顶部