电脑桌面
添加小米粒文库到电脑桌面
安装后可以在桌面快捷访问

管道介质色标VIP专享VIP免费

管道介质色标_第1页
1/6
管道介质色标_第2页
2/6
管道介质色标_第3页
3/6
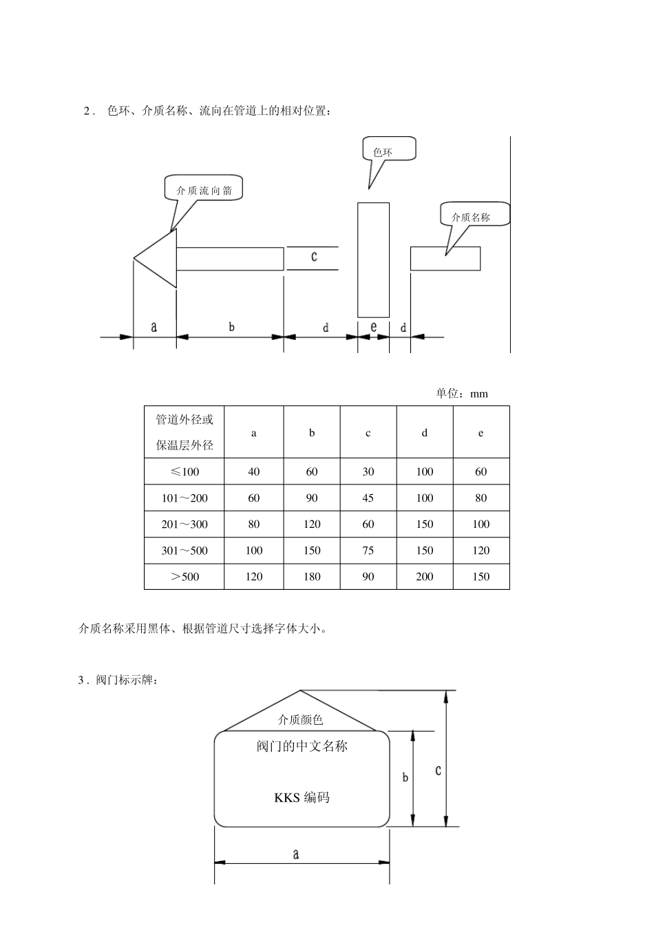
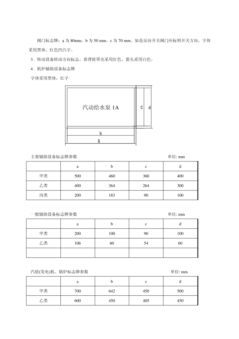
现场规范化工作标准(着色标准) 1 . 管道介质色标: 序号 底色 色环 管道名称 1 无 无 主蒸汽和再热蒸汽 2 无 红色M100Y100 抽汽、背压蒸汽、供热或其它蒸汽 3 无 浅绿色C25Y50 凝结水(保温) 4 浅绿色C25Y100 无 凝结水(不保温) 5 无 绿色C100Y100 给水 6 浅绿色C25Y50 白色 除盐水、化学补充水 7 无 绿色C100Y100 疏放水、排水 8 无 咖啡色M50Y100K30 热网水 9 黑色K100 无 循环水、工业水、冲灰水、射水 10 红色M100Y100 无 消防水 11 黄色Y100 无 油 12 天蓝色C50 无 冷风 13 无 蓝色C100 热风 14 无 无 烟道 15 黑色K100 无 原煤 16 无 黑色K100 制粉、送粉(保温) 17 灰色K40 黑色K100 送粉(不保温) 18 紫色M80C100 黑色K100 天然气、高炉煤气 19 蓝色C100 无 空气 20 淡蓝 C30 红色M100Y100 氧气 21 深黄 M50Y100 无 氢 22 灰色K40 红色M100Y100 二氧化碳 23 白色 红色M100Y100 乙炔 2 . 色环、介质名称、流向在管道上的相对位置: 单位:m m 管道外径或保温层外径 a b c d e ≤100 40 60 30 100 60 101~200 60 90 45 100 80 201~300 80 120 60 150 100 301~500 100 150 75 150 120 >500 120 180 90 200 150 介质名称采用黑体、根据管道尺寸选择字体大小。 3 . 阀门标示牌: 介质流向箭色环 介质名称 介质颜色 阀门的中文名称 KKS 编码 阀门标志牌:a 为80m m ,b 为50 m m ,c 为70 m m 。如是反向开关阀门应标明开关方向。字体采用黑体、红色凹凸字。 3 . 转动设备转动方向标志,靠背轮罩壳采用红色,箭头采用白色。 4 . 机炉辅助设备标志牌 字体采用黑体,红字 主要辅助设备标志牌参数 单位: m m a b c d 甲类 500 460 360 400 乙类 400 364 264 300 丙类 200 183 90 100 一般辅助设备标志牌参数 单位: m m a b c d 甲类 200 100 90 100 乙类 106 60 54 60 汽轮(发电)机、锅炉标志牌参数 单位: m m a b c d 甲类 700 642 450 500 乙类 600 450 405 450 汽动给水泵 1A 丙类 500 400 360 400 5 . 电气母线及线路相位标志 A、B、C 三相分别用黄、绿、红标志,字体黑体白字。颜色黄色Y100M20、绿色Y100C100、红色Y100M100。如做成标志牌则: 单位: m m 电压(kV) 中...

1、当您付费下载文档后,您只拥有了使用权限,并不意味着购买了版权,文档只能用于自身使用,不得用于其他商业用途(如 [转卖]进行直接盈利或[编辑后售卖]进行间接盈利)。
2、本站所有内容均由合作方或网友上传,本站不对文档的完整性、权威性及其观点立场正确性做任何保证或承诺!文档内容仅供研究参考,付费前请自行鉴别。
3、如文档内容存在违规,或者侵犯商业秘密、侵犯著作权等,请点击“违规举报”。

碎片内容

管道介质色标

确认删除?
VIP
微信客服
  • 扫码咨询
会员Q群
  • 会员专属群点击这里加入QQ群
客服邮箱
回到顶部