电脑桌面
添加小米粒文库到电脑桌面
安装后可以在桌面快捷访问

管道冲洗记录VIP免费

管道冲洗记录_第1页
1/10
管道冲洗记录_第2页
2/10
管道冲洗记录_第3页
3/10
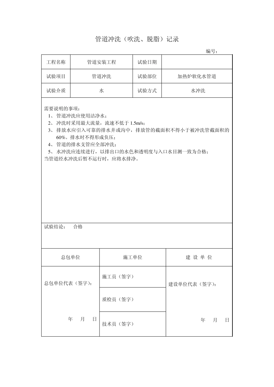
管道冲洗记录 编号: 工程名称 管道安装工程 试验日期 试验项目 管道冲洗 试验部位 加热炉净环水管道 试验介质 水 试验方式 水冲洗 需要说明的事项: 1、 管道冲洗应使用洁净水; 2、 冲洗时采用最大流量,流速不低于 1.5m/s; 3、 排放水应引入可靠的排水井或沟中,排放管的截面积不得小于被冲洗管截面积的60%。排水时不得形成负压; 4、 管道的排水支管应全部冲洗; 5、 水冲洗应连续进行,以排出口的水色和透明度与入口水目测一致为合格; 6、 当管道经水冲洗后暂不运行时,应将水排净。 试验结论: 合格 总包单位 施工单位 建 设 单 位 总包单位代表(签字): 年 月 日 施工员(签字): 建设单位代表(签字): 年 月 日 质检员(签字): 技术员(签字): 管道冲洗(吹洗、脱脂)记录 编号: 工程名称 管道安装工程 试验日期 试验项目 管道冲洗 试验部位 加热炉事故用水管道 试验介质 水 试验方式 水冲洗 需要说明的事项: 1、 管道冲洗应使用洁净水; 2、 冲洗时采用最大流量,流速不低于 1.5m/s; 3、 排放水应引入可靠的排水井或沟中,排放管的截面积不得小于被冲洗管截面积的60%。排水时不得形成负压; 4、 管道的排水支管应全部冲洗; 5、 水冲洗应连续进行,以排出口的水色和透明度与入口水目测一致为合格; 当管道经水冲洗后暂不运行时,应将水排净。 试验结论: 合格 总包单位 施工单位 建 设 单 位 总包单位代表(签字): 年 月 日 施工员(签字) 建设单位代表(签字): 年 月 日 质检员(签字) 技术员(签字) 管道冲洗(吹洗、脱脂)记录 编号: 工程名称 管道安装工程 试验日期 试验项目 管道冲洗 试验部位 加热炉软化水管道 试验介质 水 试验方式 水冲洗 需要说明的事项: 1、 管道冲洗应使用洁净水; 2、 冲洗时采用最大流量,流速不低于 1.5m/s; 3、 排放水应引入可靠的排水井或沟中,排放管的截面积不得小于被冲洗管截面积的60%。排水时不得形成负压; 4、 管道的排水支管应全部冲洗; 5、 水冲洗应连续进行,以排出口的水色和透明度与入口水目测一致为合格; 当管道经水冲洗后暂不运行时,应将水排净。 试验结论: 合格 总包单位 施工单位 建 设 单 位 总包单位代表(签字): 年 月 日 施工员(签字) 建设单位代表(签字): 年 月 日 质检员(签字) 技术员(签字) ...

1、当您付费下载文档后,您只拥有了使用权限,并不意味着购买了版权,文档只能用于自身使用,不得用于其他商业用途(如 [转卖]进行直接盈利或[编辑后售卖]进行间接盈利)。
2、本站所有内容均由合作方或网友上传,本站不对文档的完整性、权威性及其观点立场正确性做任何保证或承诺!文档内容仅供研究参考,付费前请自行鉴别。
3、如文档内容存在违规,或者侵犯商业秘密、侵犯著作权等,请点击“违规举报”。

碎片内容

管道冲洗记录

您可能关注的文档

确认删除?
VIP
微信客服
  • 扫码咨询
会员Q群
  • 会员专属群点击这里加入QQ群
客服邮箱
回到顶部