电脑桌面
添加小米粒文库到电脑桌面
安装后可以在桌面快捷访问

光纤陀螺技术参数选型VIP免费

光纤陀螺技术参数选型_第1页
1/7
光纤陀螺技术参数选型_第2页
2/7
光纤陀螺技术参数选型_第3页
3/7
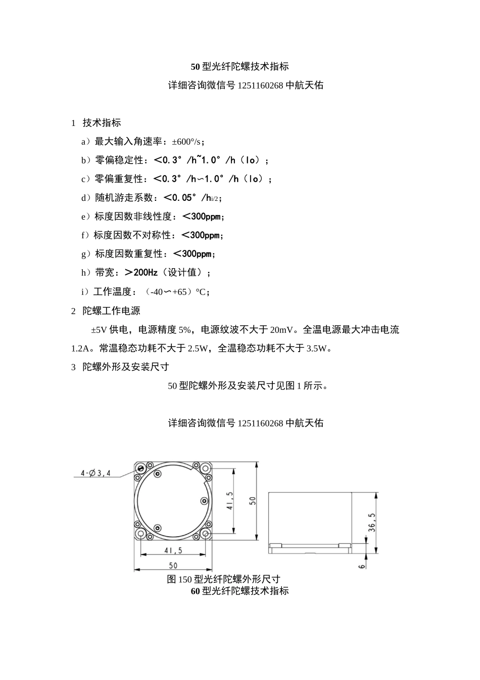
50 型光纤陀螺技术指标详细咨询微信号 1251160268 中航天佑1 技术指标a)最大输入角速率:±600°/s;b)零偏稳定性:<0.3°/h~1.0°/h(lo);c)零偏重复性:<0.3°/h〜1.0°/h(lo);d)随机游走系数:<0.05°/hi/2;e)标度因数非线性度:<300ppm;f)标度因数不对称性:<300ppm;g)标度因数重复性:<300ppm;h)带宽:>200Hz(设计值);i)工作温度:(-40〜+65)°C;2 陀螺工作电源±5V 供电,电源精度 5%,电源纹波不大于 20mV。全温电源最大冲击电流1.2A。常温稳态功耗不大于 2.5W,全温稳态功耗不大于 3.5W。3 陀螺外形及安装尺寸50 型陀螺外形及安装尺寸见图 1 所示。详细咨询微信号 1251160268 中航天佑图 150 型光纤陀螺外形尺寸60 型光纤陀螺技术指标1 技术指标a)最大输入角速率:±600°/s;b)零偏稳定性:<0.1°/h~1.0°/h(lo);c)零偏重复性:<0.1°/h〜1.0°/h(lo);d)随机游走系数:<0.01°/hi/2~0.1°/hi/2;e)标度因数非线性度:<300ppm;f)标度因数不对称性:<300ppm;g)标度因数重复性:<300ppm;h)带宽:>200Hz(设计值);i)工作温度:(-40〜+65)°C;2 陀螺工作电源±5V 供电,电源精度 5%,电源纹波不大于 20mV。全温电源最大冲击电流1.2A。常温稳态功耗不大于 2.5W,全温稳态功耗不大于 3.5W。3 陀螺外形及安装尺寸60 型光纤陀螺外形安装尺寸:52mm±0.3x52mm±0.3,详见图 1。详细咨询微信号 1251160268 中航天佑注:未注尺寸公差按 GB/T1804-2000 等级 C 执行。图 160 型光纤陀螺外形尺寸70 型光纤陀螺技术指标1 技术指标a)最大输入角速率:±600°/s;b)零偏稳定性:<0.1°/h~1.0°/h(lo);c)零偏重复性:<0.1°/h〜1.0°/h(lo);d)随机游走系数:<0.01°/hi/2~0.1°/hi/2;e)标度因数非线性度:<300ppm;f)标度因数不对称性:<300ppm;g)标度因数重复性:<300ppm;h)带宽:>200Hz(设计值);i)工作温度:(-40〜+65)°C;2 陀螺工作电源±5V 供电,电源精度 5%,电源纹波不大于 20mV。全温电源最大冲击电流1.2A。常温稳态功耗不大于 2.5W,全温稳态功耗不大于 3.5W。3 陀螺外形及安装尺寸70 型光纤陀螺仪外形尺寸:70mmx70mmx32mm,详见图 1。1$飞=62±0.03\4-04.24.7±0,270*;「32.5±0.3r注:未注尺寸公差按 GB/T1804-2000 等级 C 执行。图 170 型陀螺外形尺寸98 型光纤陀螺技术指标1 技术指标a)最大输入角速率...

1、当您付费下载文档后,您只拥有了使用权限,并不意味着购买了版权,文档只能用于自身使用,不得用于其他商业用途(如 [转卖]进行直接盈利或[编辑后售卖]进行间接盈利)。
2、本站所有内容均由合作方或网友上传,本站不对文档的完整性、权威性及其观点立场正确性做任何保证或承诺!文档内容仅供研究参考,付费前请自行鉴别。
3、如文档内容存在违规,或者侵犯商业秘密、侵犯著作权等,请点击“违规举报”。

碎片内容

光纤陀螺技术参数选型

您可能关注的文档

wxg+ 关注
实名认证
内容提供者

该用户很懒,什么也没介绍

确认删除?
VIP
微信客服
  • 扫码咨询
会员Q群
  • 会员专属群点击这里加入QQ群
客服邮箱
回到顶部