电脑桌面
添加小米粒文库到电脑桌面
安装后可以在桌面快捷访问

2012机电一体化设备安装与调试国赛任务书任务书VIP免费

2012机电一体化设备安装与调试国赛任务书任务书_第1页
1/12
2012机电一体化设备安装与调试国赛任务书任务书_第2页
2/12
2012机电一体化设备安装与调试国赛任务书任务书_第3页
3/12
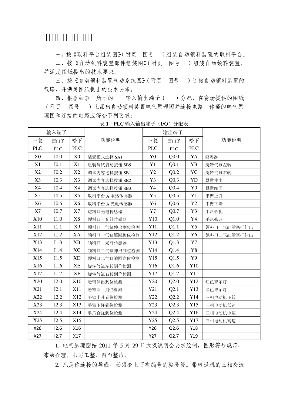
2012年全国职业院校技能大赛 中 职 组 电 工 电 子 赛 项 机电一体化设备组装与调试 工 作 任 务 书 中职组电工电子技术技能比赛专家组 中国·天津 2 0 12·6 一、工作任务与要求 一、按《取料平台组装图》(附页 1图号 01)组装自动领料装置的取料平台。 二、按《自动领料装置部件组装图》(附页 2图号 02)组装自动领料装置,并满足图纸提出的技术要求。 三、按《自动领料装置气动系统图》(附页 3图号 03)连接自动领料装置的气路,并满足图纸提出的技术要求。 四、根据如表 1所示的 PLC输入输出端子(I/O)分配,在赛场提供的图纸(附页 4图号 04)上画出自动领料装置电气原理图并连接电路。你画的电气原理图和连接的电路应符合下列要求: 表1 PLC 输入输出端子(I/O)分配表 输入端子 功能说明 输出端子 功能说明 三菱 PLC 西门子 PLC 松下 PLC 三菱 PLC 西门子 PLC 松下 PLC X 0 I0.0 X 0 装置模式选择SA1 Y 0 Q0.0 YA 蜂鸣器 X 1 I0.1 X 1 组装调试启动按钮SB5 Y 1 Q0.1 Y B 旋转气缸左转 X 2 I0.2 X 2 调试内容选择按钮SB1 Y 2 Q0.2 Y C 旋转气缸右转 X 3 I0.3 X 3 调试内容选择按钮SB2 Y 3 Q0.3 Y D 悬臂伸出 X 4 I0.4 X 4 调试内容选择按钮SB3 Y 4 Q0.4 Y 0 悬臂缩回 X 5 I0.5 X 5 取料平台A 电感传感器 Y 5 Q0.5 Y 1 手臂上升 X 6 I0.6 X 6 取料平台A 光电传感器 Y 6 Q0.6 Y 2 手臂下降 X 7 I0.7 X 7 进料口光电传感器 Y 7 Q0.7 Y 3 手爪合拢 X 10 I1.0 X 8 领料口一光纤传感器 Y 10 Q1.0 Y 4 手爪张开 X11 I1.1 X 9 领料口一气缸伸出到位检测 Y11 Q1.1 Y 5 领料口一气缸活塞杆伸出 X 12 I1.2 X A 领料口一气缸缩回到位检测 Y 12 Q1.2 Y 6 领料口二气缸活塞杆伸出 X 13 I1.3 X B 领料口二光纤传感器 Y 13 Q1.3 Y 7 X 14 I1.4 X C 领料口二气缸伸出到位检测 Y 14 Q1.4 Y 8 X 15 I1.5 X D 领料口二气缸缩回到位检测 Y 15 Q1.5 Y 9 X 16 I1.6 X E 旋转气缸左转到位检测 Y 16 Q1.6 Y 10 X 17 I1.7 X F 旋转气缸右转到位检测 Y 17 Q1.7 Y11 X 20 I2.0 X 10 悬臂伸出到位检测 Y 20 Q2.0 Y 12 红色警示灯 X 21 I2.1 X11 悬臂缩回到位检测 Y 21 Q2.1 Y 13 绿色警...

1、当您付费下载文档后,您只拥有了使用权限,并不意味着购买了版权,文档只能用于自身使用,不得用于其他商业用途(如 [转卖]进行直接盈利或[编辑后售卖]进行间接盈利)。
2、本站所有内容均由合作方或网友上传,本站不对文档的完整性、权威性及其观点立场正确性做任何保证或承诺!文档内容仅供研究参考,付费前请自行鉴别。
3、如文档内容存在违规,或者侵犯商业秘密、侵犯著作权等,请点击“违规举报”。

碎片内容

2012机电一体化设备安装与调试国赛任务书任务书

小辰7+ 关注
实名认证
内容提供者

出售各种资料和文档

确认删除?
VIP
微信客服
  • 扫码咨询
会员Q群
  • 会员专属群点击这里加入QQ群
客服邮箱
回到顶部