电脑桌面
添加小米粒文库到电脑桌面
安装后可以在桌面快捷访问

思南LCNG50FH150018技术方案汇总VIP免费

思南LCNG50FH150018技术方案汇总_第1页
1/17
思南LCNG50FH150018技术方案汇总_第2页
2/17
思南LCNG50FH150018技术方案汇总_第3页
3/17
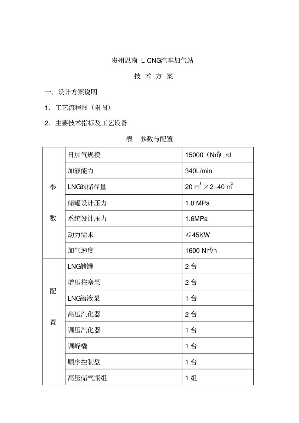
贵州思南 LCNG汽车加气站技 术 方 案广东省石油化工建设集团公司2009.10.06 贵州思南 L-CNG汽车加气站技 术 方 案一、设计方案说明1、工艺流程图(附图)2、主要技术指标及工艺设备表参数与配置参数日加气规模15000(Nm3)/d 加液能力340L/min LNG的储存量20 m3 ×2=40 m3储罐设计压力1.0 MPa 系统设计压力1.6MPa 动力需求≤45KW 加气速度1600 Nm3/h 配置LNG储罐2 台增压柱塞泵2 台LNG潜液泵1 台高压汽化器2 台调压汽化器1 台调峰橇1 台顺序控制盘1 台高压储气瓶组1 组CNG加气机4 台LNG加气机1 台真空管路1 套控制系统PLC全自动安保系统可燃无气体和火焰报警、 ESD连锁保护3、技术参数(1)设计压力根据 LNG车辆发动机的工作压力确定LNG橇装加注站的系统工作压力。发动机的工作压力为: 0.45 ~ 0.8MPa,LNG储罐的设计压力为1.0MPa。(2)设计温度因为工作介质为饱和液体,根据压力确定系统工作时的最低温度为-146℃,系统设计温度为 -196℃。4、LCNG加注站工艺流程LCNG加注站工艺流程相分为卸车流程、升压流程、 加气流程和卸压流程等四部分。(1)卸车流程① 调压汽化器卸车把槽车内的 LNG引入站内调压汽化器,通过汽化器把LNG汽化,再将汽化后的气态天然气通入槽车,使槽车压力升高,与加气站内的低温储罐形成压差,在压力作用下,使LNG进入 LNG储罐。每卸一车排出的气体量约为 180 Nm3 。② 泵卸车将 LNG槽车和 LNG储罐的气相空间连通, 通过 LNG低温泵将槽车内的 LNG卸入 LNG储罐。(2)升压流程以 LNG为燃料的汽车发动机需要车载气瓶内饱和液体压力较高,一般在 0.45 ~ 0.8MPa,而运输和储存需要LNG饱和液体压力越低越好。 所以在给汽车加注之前须对储罐中的LNG进行升压升温。 加注站储罐升压的目的是得到一定压力的饱和液体,在升压的同时饱和温度相应升高。 LNG加注站的升压采用下进气方式。(3)加气流程① 加入 CNG 加注站储罐中的饱和液体LNG通过增压泵,使压力达到 25MPa,加压后再由高压汽化器将LNG汽化,通过顺序控制盘,然后进入高中低压储气瓶组。再经加气机计量后通过加气枪给车载瓶充气。② 加入 LNG 储罐中的 LNG 通过潜液泵将液体打入液化天然气售气机,再由售气机加注到以 LNG 为燃料的车载瓶内。液化天然气售气机主要由机壳、流量计、汽液分离器、加气枪、回气枪、安全阀、气动控制球阀、压力传感器、拉断装置、电源接线盒、电源控制盒、微机控制器(包括...

1、当您付费下载文档后,您只拥有了使用权限,并不意味着购买了版权,文档只能用于自身使用,不得用于其他商业用途(如 [转卖]进行直接盈利或[编辑后售卖]进行间接盈利)。
2、本站所有内容均由合作方或网友上传,本站不对文档的完整性、权威性及其观点立场正确性做任何保证或承诺!文档内容仅供研究参考,付费前请自行鉴别。
3、如文档内容存在违规,或者侵犯商业秘密、侵犯著作权等,请点击“违规举报”。

碎片内容

思南LCNG50FH150018技术方案汇总

爱的疯狂+ 关注
实名认证
内容提供者

该用户很懒,什么也没介绍

确认删除?
VIP
微信客服
  • 扫码咨询
会员Q群
  • 会员专属群点击这里加入QQ群
客服邮箱
回到顶部