电脑桌面
添加小米粒文库到电脑桌面
安装后可以在桌面快捷访问

仓库生产主管绩效考核VIP免费

仓库生产主管绩效考核_第1页
1/4
仓库生产主管绩效考核_第2页
2/4
仓库生产主管绩效考核_第3页
3/4
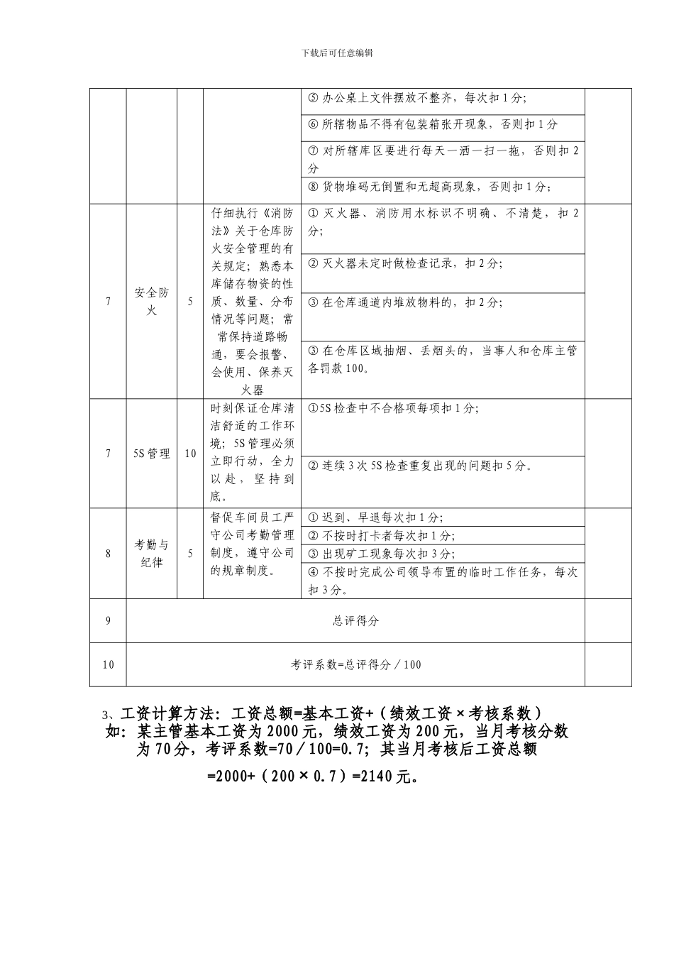
下载后可任意编辑仓库主管绩效考核制度一、目的:为加强仓库管理,调动仓库主管工作积极性,提高其责任心,实时反映仓库进销存的商品情况,保证生产顺利进行,减少物质积压浪费,加速物资周转,减少流通费用;制定本制度。二、适用范围:生产部门仓库主管。三、考核方式:1、车间主管的工资=基本工资+(绩效工资×考核系数),其中,基本工资为车间主管的岗位工资,绩效工资为 200 元,绩效工资与考核系数挂勾。考核实行月考核月兑现。考评系数按下面考核表确定。2、绩效工资考核办法。仓库主管绩效考核按下表进行:仓库主管绩效考核表序号考核项目权重考核要求考核办法得分1生产计划完成率30生产计划按时完成率=实际任务完成数/生产计划 任 务 总 数×100%① 当月任务当月完成,如有没有完成的任务,此项得 0 分;每项任务每推迟一天扣 0.5 分;② 生产计划按时完成率低于 60%时,此项得分为0; ③ 不服从生产计划安排的,每次扣 10 分;④ 不能按时完成任务造成公司市场重大损失的罚款100 元;⑤ 不按时完成公司领导布置的临时工作任务每次扣10 分。2产品质量20产品质量目标:100%;按时按质完成生产任务,无市场质量事故和投诉。① 市场质量投诉问题每次扣 3 分;② 由于质量问题造成批量报废致使公司 500 元以上经济损失的,罚款 100 元.3收货、发货、库存10掌握仓库货品的进、出货管理流程,货品出、入库的电脑开单及录入记帐工作① 所收、入物品(含退货入库)数据准确率为100%,发现错误每次扣 1 分; ② 保持所配、发物品的准确率为 100%,发现错误每次扣 1 分;③ 严格遵循先进先出原则进行办理出库发货,每违反一次扣 2 分。④ 保持所辖物资库存准确率为 100%,发现错误每次扣 1 分;⑤ 库存数量即将达到安全库存量时要及时预警,每下载后可任意编辑出现一次断货扣 3 分4单据帐务5制表登记; 分类建 帐 ; 型 号 不同; 单独码放; 进货需签认; 出库有凭据; 缺货及时申报; 每月进行盘库; 设计几种表格; 建立相应制度。假如仓库条件允许, 可以把仓库分成几个区域 (或库位), 每个区域建一本帐 (用活页帐本,以便续页,但每页帐页都要有页码)。每种配件必有单独帐页。① 每天要按时将帐务输入登记完毕(最迟不得隔天),每发现违反一次扣 1 分; ② 单据要根据类型、日期、序号顺序装订存放整齐、无遗失,发现一次装订不齐扣 1 分遗失扣 3 分③ 借用工具、样品和公...

1、当您付费下载文档后,您只拥有了使用权限,并不意味着购买了版权,文档只能用于自身使用,不得用于其他商业用途(如 [转卖]进行直接盈利或[编辑后售卖]进行间接盈利)。
2、本站所有内容均由合作方或网友上传,本站不对文档的完整性、权威性及其观点立场正确性做任何保证或承诺!文档内容仅供研究参考,付费前请自行鉴别。
3、如文档内容存在违规,或者侵犯商业秘密、侵犯著作权等,请点击“违规举报”。

碎片内容

仓库生产主管绩效考核

确认删除?
VIP
微信客服
  • 扫码咨询
会员Q群
  • 会员专属群点击这里加入QQ群
客服邮箱
回到顶部