电脑桌面
添加小米粒文库到电脑桌面
安装后可以在桌面快捷访问

STEP7_功能块说明VIP免费

STEP7_功能块说明_第1页
1/26
STEP7_功能块说明_第2页
2/26
STEP7_功能块说明_第3页
3/26
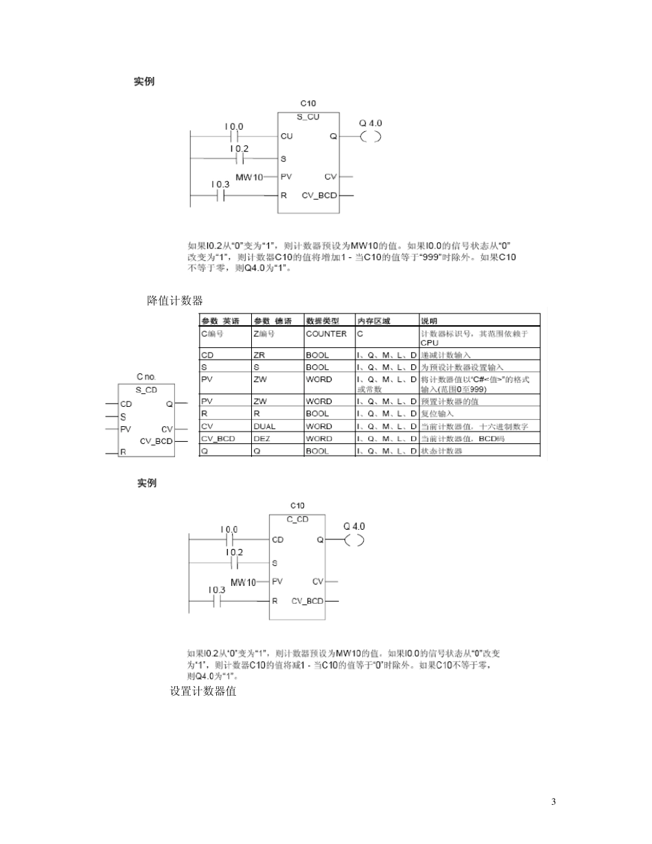
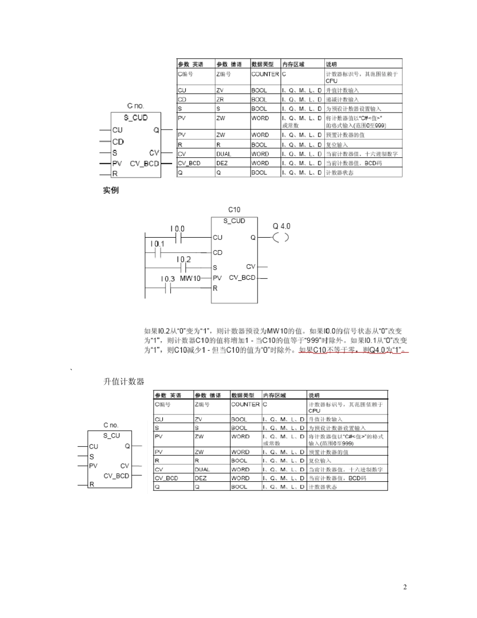
1 1.Comparator == IN1等于IN2 <> IN1不等于IN2 > IN1大于IN2 < IN1小于IN2 >= IN1大于或等于IN2 <= IN1小于或等于IN2 2 .整数就是没有小数位都是零的数 ,即能被1 整除的数(如-1 ,-2,0,1,… … ) CMP ?I(INT) 整数比较 CMP ?D (DINT)比较双精度整数 CMP ?R (REAL)比较实数 3. 转换指令概述 BCD_I BCD码转换为整数 I_BCD 整型转换为BCD码 BCD_DI BCD码转换为双精度整数 I_DINT 整型转换为长整型 DI_BCD 长整型转换为BCD码 DI_REAL 长整型转换为浮点型 4 计数器指令 S_CUD 双向计数器 S_CD 降值计数器 S_CU 升值计数器 ---( SC ) 设置计数器线圈 •---( CU ) 升值计数器线圈 •---( CD ) 降值计数器线圈 5.S_CUD 双向计数器 2 ` 6. S_CU 升值计数器 3 7. S_CD 降值计数器 8. ---( SC ) 设置计数器值 4 9. ---( CU ) 升值计数器线圈 10. ---( CD ) 降值计数器线圈 11. ---(OPN)打开数据块:DB或DI 5 如果想将数据块中的数据读出(如DB 和DI),需要通过(OPN)打开数据块后才可读出。 12. ---(JMP)--- 无条件跳转 13. ---(JMPN) 若“否”则跳转 14. LABEL标号 6 【整型数学运算指令】整型数学运算指令概述 说明 使用整数运算,您可以对两个整数(16和32位)执行以下运算: • ADD_I 加 整数 • SUB_I 减 整型 • MUL_I 乘 整型 • DIV_I 除 整型 • ADD_DI 加 双 精 度 整数 • SUB_DI 减 长 整型 • MUL_DI 乘 长 整型 • DIV_DI 除 长 整型 • MOD_DI 返 回 分 数长 整型 15. ADD_I 整数加 7 16. SUB_I 整数减 17. MUL_I 整数乘 18. DIV_I 整数除 8 19. MOD_DI 返回长整数余数 20. 浮点运算指令概述 IEEE 32位浮点数属于REAL数据类型。可以使用浮点运算指令对两个32位IEEE浮点数 执行下列运算指令: • ADD_R 加 实 数 • SUB_R 实 数减 • MUL_R 实 数乘 • DIV_R 实 数除 使用浮点运算指令, 可对一个 32位IEEE浮点数执行下列操 作 : • 求 绝 对值 (ABS) • 求 平 方 (SQR)和 平 方 根 (SQRT) • 求 自 然 对数(LN) • 求 指数值 (EXP)以e (= 2,71828)为 底 9 • 求下列32位IEEE浮点数表示的角度的三角函数 - 正弦(SIN)和反正弦(ASIN) - 余弦(COS)和反余弦(ACOS) - 正切(TAN)和反正切(ATAN) 21....

1、当您付费下载文档后,您只拥有了使用权限,并不意味着购买了版权,文档只能用于自身使用,不得用于其他商业用途(如 [转卖]进行直接盈利或[编辑后售卖]进行间接盈利)。
2、本站所有内容均由合作方或网友上传,本站不对文档的完整性、权威性及其观点立场正确性做任何保证或承诺!文档内容仅供研究参考,付费前请自行鉴别。
3、如文档内容存在违规,或者侵犯商业秘密、侵犯著作权等,请点击“违规举报”。

碎片内容

STEP7_功能块说明

您可能关注的文档

确认删除?
VIP
微信客服
  • 扫码咨询
会员Q群
  • 会员专属群点击这里加入QQ群
客服邮箱
回到顶部