电脑桌面
添加小米粒文库到电脑桌面
安装后可以在桌面快捷访问

扭摆法测钢丝的切变模量VIP免费

扭摆法测钢丝的切变模量_第1页
1/4
扭摆法测钢丝的切变模量_第2页
2/4
扭摆法测钢丝的切变模量_第3页
3/4
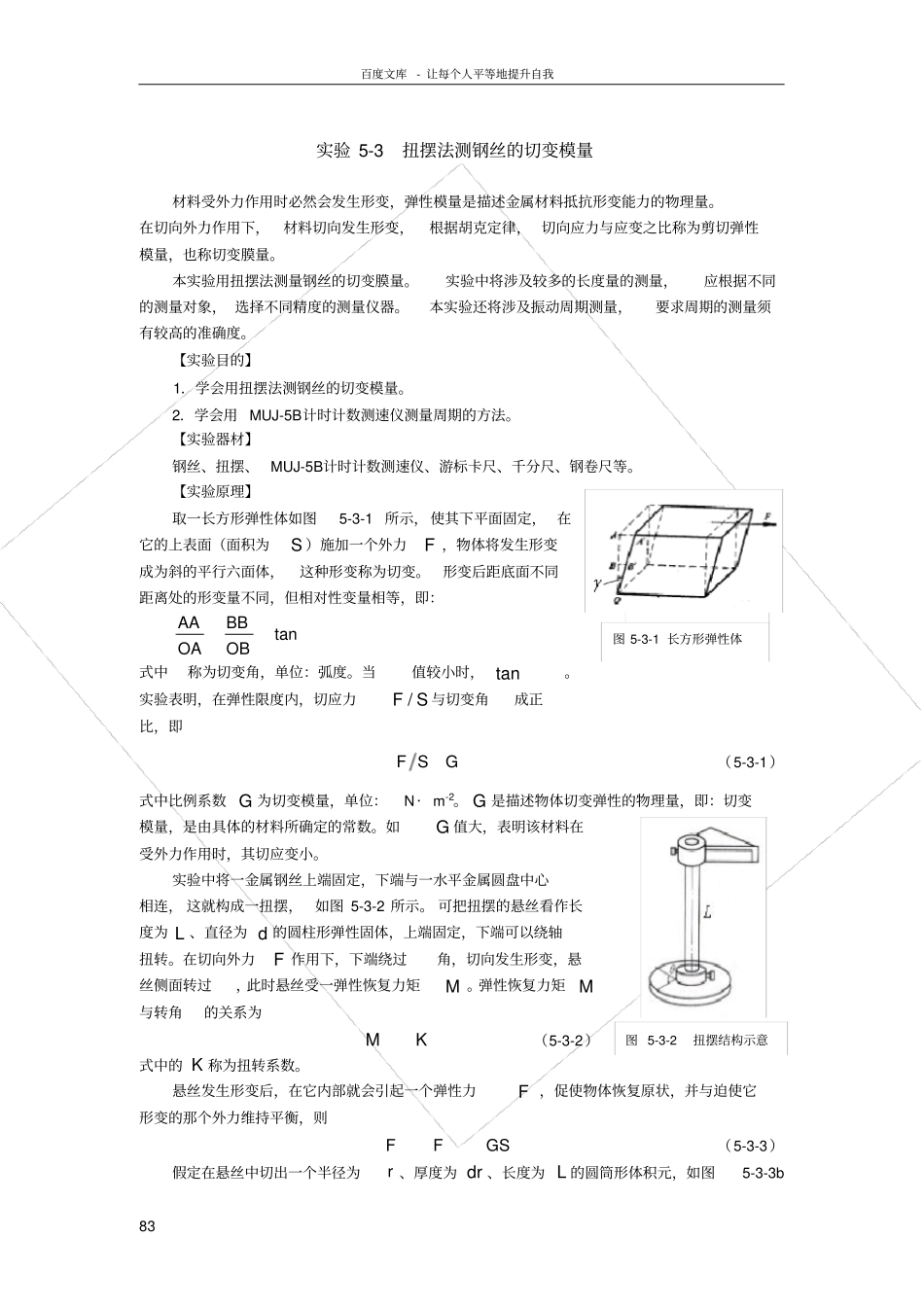
百度文库- 让每个人平等地提升自我83 实验 5-3 扭摆法测钢丝的切变模量材料受外力作用时必然会发生形变,弹性模量是描述金属材料抵抗形变能力的物理量。在切向外力作用下,材料切向发生形变,根据胡克定律, 切向应力与应变之比称为剪切弹性模量,也称切变膜量。本实验用扭摆法测量钢丝的切变膜量。实验中将涉及较多的长度量的测量,应根据不同的测量对象, 选择不同精度的测量仪器。本实验还将涉及振动周期测量,要求周期的测量须有较高的准确度。【实验目的】1.学会用扭摆法测钢丝的切变模量。2.学会用 MUJ-5B计时计数测速仪测量周期的方法。【实验器材】钢丝、扭摆、 MUJ-5B计时计数测速仪、游标卡尺、千分尺、钢卷尺等。【实验原理】取一长方形弹性体如图5-3-1 所示,使其下平面固定, 在它的上表面(面积为S )施加一个外力F ,物体将发生形变成为斜的平行六面体,这种形变称为切变。形变后距底面不同距离处的形变量不同,但相对性变量相等,即:tanAABBOAOB式中称为切变角,单位:弧度。当值较小时, tan。实验表明,在弹性限度内,切应力SF /与切变角成正比,即F SG(5-3-1)式中比例系数 G 为切变模量,单位:N·m-2。 G 是描述物体切变弹性的物理量,即:切变模量,是由具体的材料所确定的常数。如G 值大,表明该材料在受外力作用时,其切应变小。实验中将一金属钢丝上端固定,下端与一水平金属圆盘中心相连, 这就构成一扭摆,如图 5-3-2 所示。 可把扭摆的悬丝看作长度为 L 、直径为 d 的圆柱形弹性固体,上端固定,下端可以绕轴扭转。在切向外力F 作用下,下端绕过角,切向发生形变,悬丝侧面转过,此时悬丝受一弹性恢复力矩M 。弹性恢复力矩 M与转角的关系为KM(5-3-2)式中的 K 称为扭转系数。悬丝发生形变后,在它内部就会引起一个弹性力F ,促使物体恢复原状,并与迫使它形变的那个外力维持平衡,则FFGS(5-3-3)假定在悬丝中切出一个半径为r 、厚度为 dr 、长度为 L 的圆筒形体积元,如图5-3-3b图 5-3-1 长方形弹性体图 5-3-2 扭摆结构示意百度文库- 让每个人平等地提升自我84 a) b) 图 5-3-3 圆筒形体积元示意图所示。因发生切向形变,底周上的p 点转至 p 位置,其侧面转过角,该体积元下端面的恢复力矩即为2dMrGrdr(5-3-4)设圆弧 PP'的弧长为 l 。如果1(即Ll),则 lL。另一方面, 又有rl,因此 rL,即rL(5-3-5)故rrdrrLGMd)2((5-3-6)将上式积分,得悬丝...

1、当您付费下载文档后,您只拥有了使用权限,并不意味着购买了版权,文档只能用于自身使用,不得用于其他商业用途(如 [转卖]进行直接盈利或[编辑后售卖]进行间接盈利)。
2、本站所有内容均由合作方或网友上传,本站不对文档的完整性、权威性及其观点立场正确性做任何保证或承诺!文档内容仅供研究参考,付费前请自行鉴别。
3、如文档内容存在违规,或者侵犯商业秘密、侵犯著作权等,请点击“违规举报”。

碎片内容

扭摆法测钢丝的切变模量

确认删除?
VIP
微信客服
  • 扫码咨询
会员Q群
  • 会员专属群点击这里加入QQ群
客服邮箱
回到顶部