电脑桌面
添加小米粒文库到电脑桌面
安装后可以在桌面快捷访问

抗震安全鉴定报告VIP免费

抗震安全鉴定报告_第1页
1/21
抗震安全鉴定报告_第2页
2/21
抗震安全鉴定报告_第3页
3/21
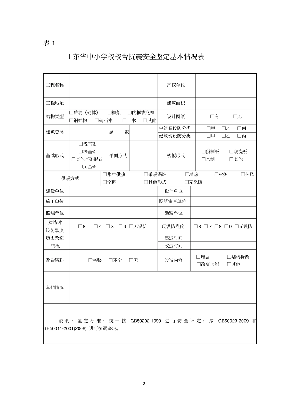
1 抗震安全鉴定报告()市()市 /县/区第 037()--( -)号工程名称:学校楼幢号委托单位:鉴定单位(盖章) :鉴定人:鉴定负责人:年月日山东省校舍安全工程领导小组办公室制2 表 1 山东省中小学校校舍抗震安全鉴定基本情况表工程名称产权单位工程地址建筑面积结构类型□砖混(砌体)□框架□内框或底框□钢结构□砖石木□土木□其他设计图纸□有□无建筑总高层数建筑原设防分类□甲□乙□丙建筑现设防分类□甲□乙□丙基础形式□浅基础□深基础□其他基础形式□无基础平面形式楼板形式□预制板□现浇板□木制□其他供暖方式□集中供热□采暖锅炉□地热□火炉□热风□空调□其他形式□无采暖建设单位设计单位施工单位图纸审查单位监理单位勘察单位建造时设防烈度□6 □7 □ 8 □9 □无设防现设防烈度□6 □ 7 □8 □9 □无设防历史改造情况建造时间改造时间改造资料□完整□不全□无改造内容□增层□结构拆改□改变功能□其他其他情况说 明 : 鉴 定 标 准 : 统 一 按GB50292-1999进 行 安 全 评 定 ; 按GB50023-2009 和GB50011-2001(2008) 进行抗震鉴定。3 表 2 砖混(砌体)结构房屋抗震安全鉴定表工程名称:产权单位:1 一般规定房屋高度是否超限□是□否墙体厚度房屋层数是否超限□是□否墙体(材料)类别注:①房屋层数不包括全地下室和出屋顶小房间;层高不宜超过4m。②房屋高度系指室外地坪到檐口高度,半地下室可从地下室室内地面算起。③房屋上、下部分墙体类别不同,按上部墙体类别确定。外观和内在质量墙体不空臌、无严重酥碱和明显闪歪□是 □否□不详支承大梁、屋架的墙体无竖向裂缝,承重墙、自承重墙及其交接部位无明显裂缝□是 □否□不详木楼、屋盖构件无明显变形、腐朽、蚁蛀和严重开裂□是 □否□不详混凝土梁柱及其节点仅有少量微小开裂或局部剥落,钢筋无露筋、锈蚀□是 □否□不详主体结构混凝土构件无明显变形、倾斜和歪扭□是 □否□不详2 上部主体结构2. 1 结构体系房屋实际高宽比不宜大于2.2 □是□否抗震横墙最大间距质量和刚度沿高度分布情况□均匀□不均匀立面高度变化层数楼层质心和计算刚心位置□基本重合□不重合同层楼板标最大高差2. 2承重墙体材料的实际强度等级估算(以经验判断为主,仪器设备检测为辅)材料实际强度等级砖砌块砌筑砂浆砖强度等级不宜低于MU7.5,且不低于砌筑砂浆强度等级;中型砌块的强度等级不宜低于 MU10,小型砌块的强度等级不...

1、当您付费下载文档后,您只拥有了使用权限,并不意味着购买了版权,文档只能用于自身使用,不得用于其他商业用途(如 [转卖]进行直接盈利或[编辑后售卖]进行间接盈利)。
2、本站所有内容均由合作方或网友上传,本站不对文档的完整性、权威性及其观点立场正确性做任何保证或承诺!文档内容仅供研究参考,付费前请自行鉴别。
3、如文档内容存在违规,或者侵犯商业秘密、侵犯著作权等,请点击“违规举报”。

碎片内容

抗震安全鉴定报告

爱的疯狂+ 关注
实名认证
内容提供者

该用户很懒,什么也没介绍

确认删除?
VIP
微信客服
  • 扫码咨询
会员Q群
  • 会员专属群点击这里加入QQ群
客服邮箱
回到顶部