电脑桌面
添加小米粒文库到电脑桌面
安装后可以在桌面快捷访问

互换性与技术测量(第六版)课后习题部分答案VIP免费

互换性与技术测量(第六版)课后习题部分答案_第1页
1/8
互换性与技术测量(第六版)课后习题部分答案_第2页
2/8
互换性与技术测量(第六版)课后习题部分答案_第3页
3/8
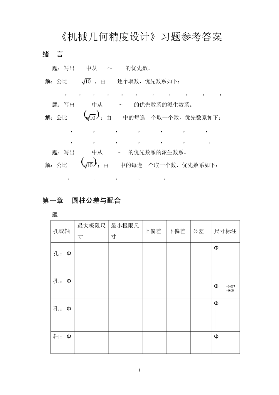
1 《机械几何精度设计》习题参考答案 绪 言 0-1题:写出R10中从250~3150的优先数。 解:公比 q10= 1 0 1 0 ,由 R10逐个取数,优先数系如下: 250,315,400,500,630,800,1000,1250,1600,2000,2500,3150 0-2题:写出R10/3中从0.012~100的优先数系的派生数系。 解:公比 q10/3= 31 0 1 0;由 R10中的每逢 3个取一个数,优先数系如下: 0.012, 0.025, 0.050, 0.100, 0.200, 0.400, 0.800, 1.600, 3.150, 6.300, 12.50, 25.00, 50.00, 100.00。 0-3题:写出R10/5中从0.08~25的优先数系的派生数系。 解:公比 q10/5=51 0 1 0;由 R10中的每逢 5个取一个数,优先数系如下: 0.80, 0.25, 0.80, 2.50, 8.00, 25.0 第一章 圆柱公差与配合 1-1题 1. 孔或轴 最大极限尺寸 最小极限尺寸 上偏差 下偏差 公差 尺寸标注 孔 : Φ10 9.985 9.970 -0.015 -0.030 0.015 Φ10-0.015 -0.030 孔 : Φ18 18.017 18.00 +0.017 +0.006 0.011 Φ 180 1 7.00 0.0 孔 : Φ30 30.012 29.991 +0.012 -0.009 0.021 Φ30+0.012 -0.009 轴 : Φ40 39.950 39.888 -0.050 -0.112 0.062 Φ40-0.050 2 -0.060 轴:Φ60 60.041 60.011 0.041 +0.011 0.030 Φ60+0.041 +0.011 轴:Φ85 85.00 84.978 0 -0.022 0.022 Φ85-0 -0.022 1-2题 (1)为间隙配合,孔与轴配合的公差带代号为:φ 2088dH (3)为过盈配合,孔与轴配合的公差带代号为:φ 5567rH 1-3题 (1)为基孔制的间隙配合 (2)为基轴制的过渡配合 φ 20 + 0 - H8 d8 +0.033 -0.065 -0.098 最大间隙:Xmax=+0.131㎜ 最小间隙:Xmin=+0.065㎜ 配合公差为:fT =0.066㎜ r 6 φ 55 + 0 - H7 +0.030 +0.060+0.041 最大过盈:Ymax=-0.060㎜ 最小过盈:Ymin=-0.011㎜ 配合公差为:fT =0.049㎜ φ 50 + 0 - H8 f7 +0.039 -0.025 -0.050 孔、轴公差:hT =0.039㎜,sT =0.025㎜; 配合的极限:Xmax=+0.089㎜,Xmin=+0.025㎜ 配合的公差:fT =0.064㎜ φ 30 + 0 - +0.006 -0.015 -0.013 K7 h 6 孔、轴公差:hT =0.021㎜, sT =0.013㎜; 配合的极限:Xmax=+0.019㎜,Ymax=-0.015㎜ 配合的公差:fT =0.034㎜ 3 (5)为基孔制的过盈配合 1-4题 (1)φ 600.1740.10000.01996Dh...

1、当您付费下载文档后,您只拥有了使用权限,并不意味着购买了版权,文档只能用于自身使用,不得用于其他商业用途(如 [转卖]进行直接盈利或[编辑后售卖]进行间接盈利)。
2、本站所有内容均由合作方或网友上传,本站不对文档的完整性、权威性及其观点立场正确性做任何保证或承诺!文档内容仅供研究参考,付费前请自行鉴别。
3、如文档内容存在违规,或者侵犯商业秘密、侵犯著作权等,请点击“违规举报”。

碎片内容

互换性与技术测量(第六版)课后习题部分答案

小辰3+ 关注
实名认证
内容提供者

出售各种资料和文档

确认删除?
VIP
微信客服
  • 扫码咨询
会员Q群
  • 会员专属群点击这里加入QQ群
客服邮箱
回到顶部