电脑桌面
添加小米粒文库到电脑桌面
安装后可以在桌面快捷访问

接地网施工方法VIP免费

接地网施工方法_第1页
1/4
接地网施工方法_第2页
2/4
接地网施工方法_第3页
3/4
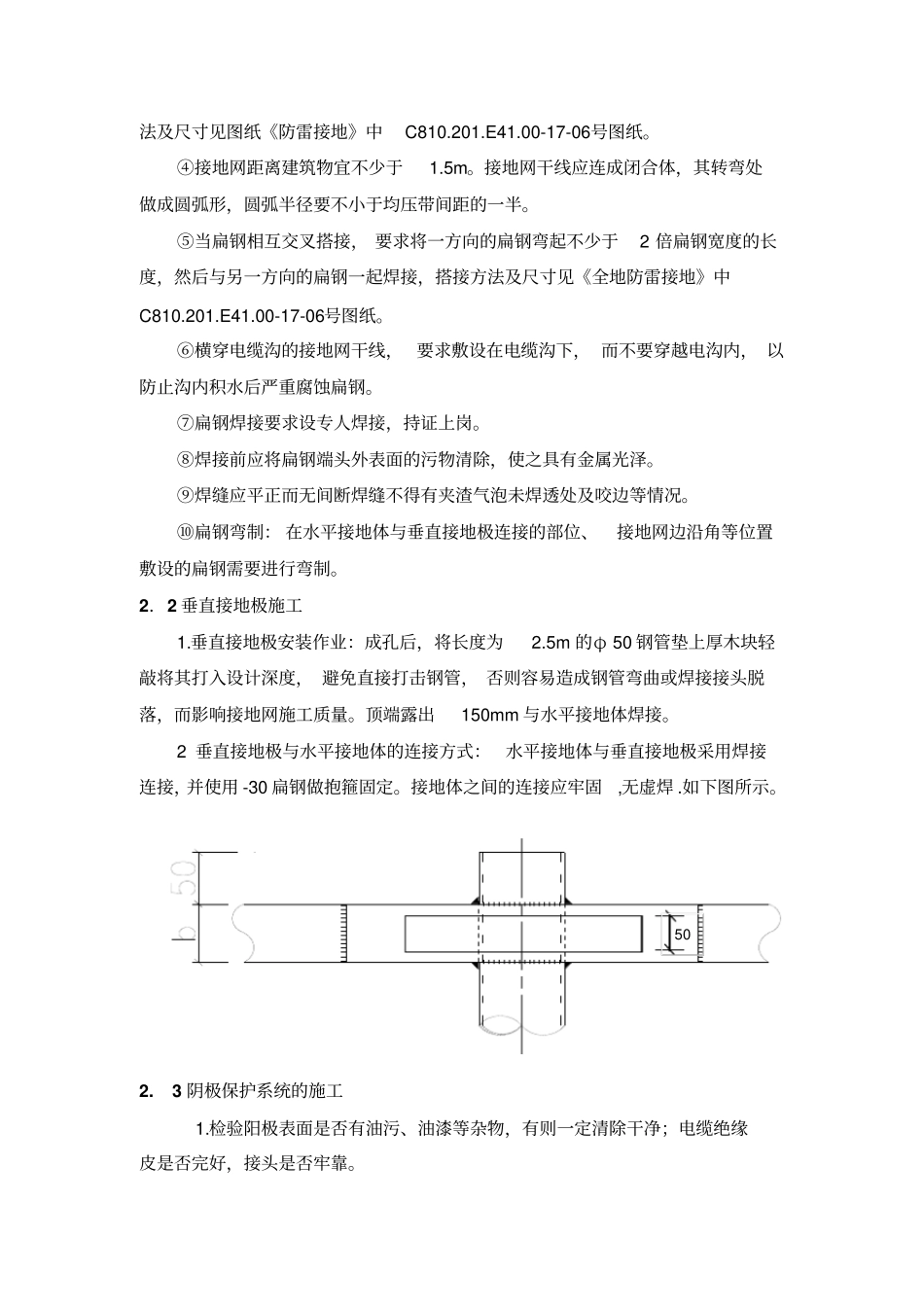
主要施工方法1.施工准备1.1 材料及工具①根据施工图做好扁钢、 接地极等材料的计划, 并报物资管理部按计划采购。②材料进场必须具备相应的检测合格资料,并报监理认可。③准备好合格焊条,作好焊条贮存工作,严防受潮。④施工机具配备,挖掘机、交流电弧焊机、十字镐、铁铲、铁撬、铁锤。1.2 作业条件①施工场地符合施工要求。②施工前对施工人员进行安全培训技术交底,让施工人员了解和熟悉设计及施工规范要求。③做好沟槽开挖时的排水工作。④检查好施工机械(或工具) ,保证满足施工要求。⑤做好施工人员安排计划,配置劳动力。⑥与土建做好沟通,尽量减少交叉作业,合理安排作业面。2.施工方法2.1 主接地网施工①水平接地网敷设之前,要求质检员认真检查开挖深度,并做好记录。②施工顺序 :先放主干线,后放分支线,用于电缆沟的扁钢必须先调直20/00再焊接。③扁钢搭接长度不小于扁钢的2 倍宽度,焊接高度同扁钢厚度, 具体搭接方法及尺寸见图纸《防雷接地》中C810.201.E41.00-17-06号图纸。④接地网距离建筑物宜不少于1.5m。接地网干线应连成闭合体,其转弯处做成圆弧形,圆弧半径要不小于均压带间距的一半。⑤当扁钢相互交叉搭接, 要求将一方向的扁钢弯起不少于2 倍扁钢宽度的长度,然后与另一方向的扁钢一起焊接,搭接方法及尺寸见《全地防雷接地》中C810.201.E41.00-17-06号图纸。⑥横穿电缆沟的接地网干线, 要求敷设在电缆沟下, 而不要穿越电沟内, 以防止沟内积水后严重腐蚀扁钢。⑦扁钢焊接要求设专人焊接,持证上岗。⑧焊接前应将扁钢端头外表面的污物清除,使之具有金属光泽。⑨焊缝应平正而无间断焊缝不得有夹渣气泡未焊透处及咬边等情况。⑩扁钢弯制: 在水平接地体与垂直接地极连接的部位、接地网边沿角等位置敷设的扁钢需要进行弯制。2.2 垂直接地极施工1.垂直接地极安装作业:成孔后,将长度为2.5m 的φ 50 钢管垫上厚木块轻敲将其打入设计深度, 避免直接打击钢管, 否则容易造成钢管弯曲或焊接接头脱落,而影响接地网施工质量。顶端露出150mm 与水平接地体焊接。2 垂直接地极与水平接地体的连接方式:水平接地体与垂直接地极采用焊接连接,并使用 -30 扁钢做抱箍固定。接地体之间的连接应牢固,无虚焊 .如下图所示。2. 3 阴极保护系统的施工1.检验阳极表面是否有油污、油漆等杂物,有则一定清除干净;电缆绝缘皮是否完好,接头是否牢靠。50 2.阳极坑的开挖:坑的大小、深度应能保证阳...

1、当您付费下载文档后,您只拥有了使用权限,并不意味着购买了版权,文档只能用于自身使用,不得用于其他商业用途(如 [转卖]进行直接盈利或[编辑后售卖]进行间接盈利)。
2、本站所有内容均由合作方或网友上传,本站不对文档的完整性、权威性及其观点立场正确性做任何保证或承诺!文档内容仅供研究参考,付费前请自行鉴别。
3、如文档内容存在违规,或者侵犯商业秘密、侵犯著作权等,请点击“违规举报”。

碎片内容

接地网施工方法

文库响当当+ 关注
实名认证
内容提供者

该用户很懒,什么也没介绍

相关文档

确认删除?
VIP
微信客服
  • 扫码咨询
会员Q群
  • 会员专属群点击这里加入QQ群
客服邮箱
回到顶部